1613 機能シンボル
機能シンボル一覧
P&IDの機能シンボルは、配管スペッククラス、サイズ、断熱等の変化部や別図取合等を示す記号です。3D(EYEPIPE)では、これらの記号は各図面の種類により、Prog.の中で発生されます。
参考
- 表記名称のItem Codeは「IBMC+10000」のコードで「BG(J)ITEM」が参照されます。一般には集計されません。
-
2D(EYEPID)である性質上、1つの機能コードに対し、方向が反転したシンボルをもつシンボルがあります。そのシンボルは反転シンボルNo.として示しています。
詳しくは、「16-09 一般弁図形」の「機能コードとシンボルNo.について」を参照してください。
| 機能コード | シンボルNo. | 反転シンボルNo. | 機能記号 | 名称 | Name | ||
|---|---|---|---|---|---|---|---|
| MNC | 日本語 | English | |||||
| 2012 | 2012 | 2013 | REDU | レジューサ | Reducer | ||
| 2012 | 2013 | 2012 | REDU | レジューサ | Reducer | ||
| 2014 | 2014 | 2015 | E.RE | 偏心レジューサ | Ecc.Reducer | ||
| 2014 | 2015 | 2014 | E.RE | 偏心レジューサ | Ecc.Reducer | ||
| 2014 | 2016 | 2017 | E.RE | 偏心レジューサ(上平) | Ecc.Reducer | ||
| 2014 | 2017 | 2016 | E.RE | 偏心レジューサ(上平) | Ecc.Reducer | ||
| 2060 | 2060 | UNIO | ユニオン | Union | |||
| 2268 | 2268 | 2269 | RE'G | 異径フランジ | Reducing_Flange A | ||
| 2268 | 2269 | 2268 | RE'G | 異径フランジ | Reducing_Flange B | ||
| 8001 | 8001 | INSU | 断熱 | INSULATION | |||
| 8002 | 8002 | 8052 | SLOP | 勾配 | 左→右昇 | SLOPE | left→right up |
| 8003 | 8003 | U.G. | 理設表示 | U.G._MARK | |||
| 8004 | 8004 | 8070 | OTHE | 別図取合(To) | OTHER_DRAW(To) | ||
| 8005 | 8005 | CLAS | クラス変更 | CLASS_CHAN | |||
| 8006 | 8006 | AROW | 矢印 | AROW | |||
| 8007 | 8007 | 8057 | SITE | 工事取合 | SITE_CHANG | ||
| 8008 | 8008 | DRAI | ドレン | DRAIN | |||
| 8009 | 8009 | 8071 | B.L. | 境界(To) | B.L.(To) | ||
| 8010 | 8010 | 8011 | U.C. | 用役接続(From) | U.C.(From) | ||
| 8011 | 8011 | 8010 | U.C. | 用役接続(To) | U.C.(To) | ||
| 8012 | 8012 | EQUI | 機器 | EQUIP. | |||
| 8013 | 8013 | ライン番号 | LINE_NO. | ||||
| 8014 | 8014 | LINE | 配管種別変更 | LINE_MODE_ | |||
| 8015 | 8015 | 接続種: | CONN. | ||||
| 8016 | 8016 | 単純表示 | Disp._Symb | ||||
| 8017 | 8017 | 8072 | CONN | 配管合流記号 | LINE_CONFL | ||
| 8018 | 8018 | 8068 | ATOM | 大気開放 | ATOM. | ||
| 8019 | 8019 | LD._ | 配管分割クラス変更 | LD._Class_ | |||
| 8021 | 8021 | PLAN | プラント取合 | PLANT CANGE | |||
| 8005 | 8022 | CLAS | クラス変更(矢印なし) | CLASS_CHAN | |||
| 8025 | 8025 | PFD | ストリームマーク | StreamMark | |||
| 8026 | 8026 | V._F | 弁フランジ端表示 | V._FLANGE_ | |||
| 8027 | 8027 | V._W | 弁溶接端表示 | V._WELD._E | |||
| 8028 | 8028 | V._F | 弁フランジ端表示 | V._FLANGE_ | |||
| 8029 | 8029 | V._F | 弁フランジ端表示 | V._FLANGE_ | |||
| 8022 | 8030 | スキップ | Skip | ||||
| 8035 | ECIS | 水槽終点(画面のみ表示) | CISTERN_END | ||||
| 8002 | 8052 | 8002 | SLOP | 勾配 | 左→右降 | SLOPE | left→right down |
| 8007 | 8057 | 8007 | SITE | 工事取合 | Kouji_Tori | ||
| 8018 | 8068 | 8018 | 大気開放 | ATOM. | |||
| 8069 | 8069 | INSC | 断熱変更 | Insuration Change | |||
| 8070 | 8070 | 8004 | OTHE | 別図接続(From) | OTHER_DRAW(From) | ||
| 8071 | 8071 | 8009 | B.L. | 境界(From) | B.L.(From) | ||
| 8017 | 8072 | 8017 | CONN | 配管合流記号 | LINE_CONFL | ||
| 2012 | 8073 | S.C. | サイズ変更 | SizeChange | |||
機能シンボル
説明
- シンボル一覧の構成は以下のとおりです。

- シンボル図形の寸法数値は、P1のパラメータ値の係数です。
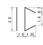
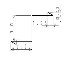
No.2012:レジューサ
※( )内反転図形
| 機能コード | 反転シンボルNo. | MNC | スケールデフォルト値 |
|---|---|---|---|
| 2012 | 2013 | REDU | P1: [ 3 ] mm |
No.2013:レジューサ(反転シンボル図形)
※反転シンボル図形
| 機能コード | 反転シンボルNo. | MNC | スケールデフォルト値 |
|---|---|---|---|
| 2012 | 2012 | REDU | P1: [ 3 ] mm |
No.2014:偏心レジューサ
※( )内反転図形
| 機能コード | 反転シンボルNo. | MNC | スケールデフォルト値 |
|---|---|---|---|
| 2014 | 2015 | E.RE | P1: [ 3 ] mm |
No.2015:偏心レジューサ(反転シンボル図形)
※反転シンボル図形
| 機能コード | 反転シンボルNo. | MNC | スケールデフォルト値 |
|---|---|---|---|
| 2014 | 2014 | E.RE | P1: [ 3 ] mm |
No.2016:偏心レジューサ(上平)
※( )内反転図形
| 機能コード | 反転シンボルNo. | MNC | スケールデフォルト値 |
|---|---|---|---|
| 2014 | 2017 | E.RE | P1: [ 3 ] mm |
No.2017:偏心レジューサ(上平)(反転シンボル図形)
※反転シンボル図形
| 機能コード | 反転シンボルNo. | MNC | スケールデフォルト値 |
|---|---|---|---|
| 2014 | 2016 | E.RE | P1: [ 3 ] mm |
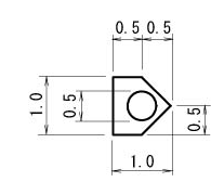
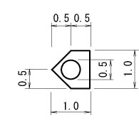
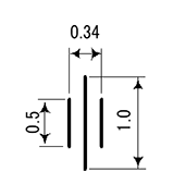
No.2060:ユニオン
| 機能コード | 反転シンボルNo. | MNC | スケールデフォルト値 |
|---|---|---|---|
| 2060 | UNIO | P1: [ 6 ] mm |
No.2268:異径フランジ
※( )内反転図形
| 機能コード | 反転シンボルNo. | MNC | スケールデフォルト値 |
|---|---|---|---|
| 2268 | 2269 | RE'G | P1: [ 3 ] mm |
No.2269:異径フランジ(反転シンボル図形)
※反転シンボル図形
| 機能コード | 反転シンボルNo. | MNC | スケールデフォルト値 |
|---|---|---|---|
| 2268 | 2268 | RE'G | P1: [ 3 ] mm |
No.8001:断熱
| 機能コード | 反転シンボルNo. | MNC | スケールデフォルト値 |
|---|---|---|---|
| 8001 | INSU | P1: [ 2 ] mm |
No.8002:勾配 左→右昇
| 機能コード | 反転シンボルNo. | MNC | スケールデフォルト値 |
|---|---|---|---|
| 8002 | 8052 | SLOP | P1: [ 10 ] mm |
No.8003:理設表示
| 機能コード | 反転シンボルNo. | MNC | スケールデフォルト値 |
|---|---|---|---|
| 8003 | U.G. | P1: [ 16 ] mm |
No.8004:別図取合(To)
| 機能コード | 反転シンボルNo. | MNC | スケールデフォルト値 |
|---|---|---|---|
| 8004 | 8070 | OTHE | P1: [ 8 ] mm |
No.8005:クラス変更
| 機能コード | 反転シンボルNo. | MNC | スケールデフォルト値 |
|---|---|---|---|
| 8005 | CLAS | P1: [ 12 ] mm |
No.8006:矢印
| 機能コード | 反転シンボルNo. | MNC | スケールデフォルト値 |
|---|---|---|---|
| 8006 | AROW | P1: [ 2.8 ] mm |
No.8007:工事取合
| 機能コード | 反転シンボルNo. | MNC | スケールデフォルト値 |
|---|---|---|---|
| 8007 | 8057 | SITE | P1: [ 12 ] mm |
No.8008:ドレン
| 機能コード | 反転シンボルNo. | MNC | スケールデフォルト値 |
|---|---|---|---|
| 8008 | DRAI | P1: [ 8 ] mm |
No.8009:境界(To)
| 機能コード | 反転シンボルNo. | MNC | スケールデフォルト値 |
|---|---|---|---|
| 8009 | 8071 | B.L. | P1: [ 8 ] mm |
No.8010:用役接続(From)
| 機能コード | 反転シンボルNo. | MNC | スケールデフォルト値 |
|---|---|---|---|
| 8010 | 8011 | U.C. | P1: [ 4 ] mm |
No.8011:用役接続(To)
| 機能コード | 反転シンボルNo. | MNC | スケールデフォルト値 |
|---|---|---|---|
| 8011 | 8010 | U.C. | P1: [ 4 ] mm |
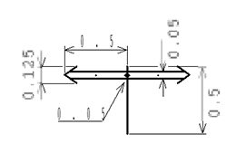
No.8012:機器
| 機能コード | 反転シンボルNo. | MNC | スケールデフォルト値 |
|---|---|---|---|
| 8012 | EQUI | P1: [ 3 ] mm |
No.8013:ライン番号
| 機能コード | 反転シンボルNo. | MNC | スケールデフォルト値 |
|---|---|---|---|
| 8013 | P1: [ ] mm |
No.8014:配管種別変更
| 機能コード | 反転シンボルNo. | MNC | スケールデフォルト値 |
|---|---|---|---|
| 8014 | LINE | P1: [ 2 ] mm |
No.8015:接続種
| 機能コード | 反転シンボルNo. | MNC | スケールデフォルト値 |
|---|---|---|---|
| 8015 | P1: [ ] mm |
No.8016:単純表示
| 機能コード | 反転シンボルNo. | MNC | スケールデフォルト値 |
|---|---|---|---|
| 8016 | P1: [ ] mm |
No.8017:配管合流記号
| 機能コード | 反転シンボルNo. | MNC | スケールデフォルト値 |
|---|---|---|---|
| 8017 | 8072 | CONN | P1: [ 3 ] mm |
No.8018:大気開放
| 機能コード | 反転シンボルNo. | MNC | スケールデフォルト値 |
|---|---|---|---|
| 8018 | 8068 | ATOM | P1: [ 6 ] mm |
No.8019:配管分割クラス変更
| 機能コード | 反転シンボルNo. | MNC | スケールデフォルト値 |
|---|---|---|---|
| 8019 | LD._ | P1: [ 12 ] mm |
No.8021:プラント取合
| 機能コード | 反転シンボルNo. | MNC | スケールデフォルト値 |
|---|---|---|---|
| 8021 | PLAN | P1: [ 12 ] mm |
No.8022:クラス変更(矢印なし)
| 機能コード | 反転シンボルNo. | MNC | スケールデフォルト値 |
|---|---|---|---|
| 8005 | CLAS | P1: [ 12 ] mm |
No.8025:ストリームマーク
| 機能コード | 反転シンボルNo. | MNC | スケールデフォルト値 |
|---|---|---|---|
| 8025 | PFD | P1: [ 6 ] mm |
No.8026:弁フランジ端表示
| 機能コード | 反転シンボルNo. | MNC | スケールデフォルト値 |
|---|---|---|---|
| 8026 | V._F | P1: [ 3 ] mm |
No.8027:弁溶接端表示
| 機能コード | 反転シンボルNo. | MNC | スケールデフォルト値 |
|---|---|---|---|
| 8027 | V._W | P1: [ 1 ] mm |
No.8028:弁フランジ端表示
| 機能コード | 反転シンボルNo. | MNC | スケールデフォルト値 |
|---|---|---|---|
| 8028 | V._F | P1: [ 3 ] mm |
No.8029:弁フランジ端表示
| 機能コード | 反転シンボルNo. | MNC | スケールデフォルト値 |
|---|---|---|---|
| 8029 | V._F | P1: [ 3 ] mm |
No.8030:スキップ
| 機能コード | 反転シンボルNo. | MNC | スケールデフォルト値 |
|---|---|---|---|
| 8022 | P1: [ 6 ] mm |
No.8035:水槽終点(画面のみ表示)
| 機能コード | 反転シンボルNo. | MNC | スケールデフォルト値 |
|---|---|---|---|
| ECIS | P1: [ ] mm |
No.8052:勾配 左→右降
| 機能コード | 反転シンボルNo. | MNC | スケールデフォルト値 |
|---|---|---|---|
| 8002 | 8002 | SLOP | P1: [ 10 ] mm |
No.8057:工事取合
| 機能コード | 反転シンボルNo. | MNC | スケールデフォルト値 |
|---|---|---|---|
| 8007 | 8007 | SITE | P1: [ 12 ] mm |
No.8068:大気開放
| 機能コード | 反転シンボルNo. | MNC | スケールデフォルト値 |
|---|---|---|---|
| 8018 | 8018 | ATOM | P1: [ 6 ] mm |
No.8069:断熱変更
| 機能コード | 反転シンボルNo. | MNC | スケールデフォルト値 |
|---|---|---|---|
| 8069 | INSC | P1: [ 12 ] mm |
No.8070:別図接続(From)
| 機能コード | 反転シンボルNo. | MNC | スケールデフォルト値 |
|---|---|---|---|
| 8070 | 8004 | OTHE | P1: [ 8 ] mm |
No.8071:境界(From)
| 機能コード | 反転シンボルNo. | MNC | スケールデフォルト値 |
|---|---|---|---|
| 8071 | 8009 | B.L. | P1: [ 8 ] mm |
No.8072:配管合流記号
| 機能コード | 反転シンボルNo. | MNC | スケールデフォルト値 |
|---|---|---|---|
| 8017 | 8017 | CONN | P1: [ 3 ] mm |
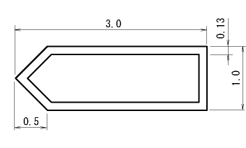
No.8073:サイズ変更
クラス変化と同様に部品の入出に設定して使います。
| 機能コード | 反転シンボルNo. | MNC | スケールデフォルト値 |
|---|---|---|---|
| 2012 | S.C. | P1: [ 3 ] mm |
単純表示図形
以下に単純表示図形として使用される線種を示します。
これらはあくまで表示することにのみ用いられ、Logic Diagramや集計には関係しません。
説明
- シンボル図形の寸法数値は、mm単位実数です。
実線
-
スケールデフォルト値:P1: [ 0.3 ] mm
破線
-
スケールデフォルト値:P1: [ 0.3 ] mm
一点鎖線
-
スケールデフォルト値:P1: [ 0.3 ] mm
ニ点鎖線
-
スケールデフォルト値:P1: [ 0.3 ] mm
