1606 機器付属品図形
ここでは機器付属品図形のシンボルを一覧で確認できます。
説明
- シンボル一覧の構成は以下のとおりです。

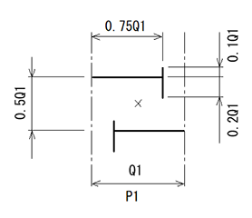
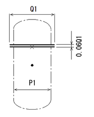
No.1701:ジャケット(1)
-
パラメータ数:2
パラメータ 基準値 Q1:0.6P1 18 Q2:P2 50 Q3: Q4: -
ノズル自動発生:ON
No.1702:ジャケット(2)
-
パラメータ数:2
パラメータ 基準値 Q1:1.2P1 36 Q2:0.3P1 9 Q3: Q4: -
ノズル自動発生:ON
No.1703:ジャケット(3)
-
パラメータ数:2
パラメータ 基準値 Q1:1.2P1 36 Q2:0.1P1 3 Q3: Q4: -
ノズル自動発生:ON
No.1704:ジャケット(4)
-
パラメータ数:2
パラメータ 基準値 Q1:1.2P1 36 Q2:0.6P2 30 Q3: Q4: -
ノズル自動発生:ON
No.1705:ジャケット(5)
-
パラメータ数:2
パラメータ 基準値 Q1:1.2P1 36 Q2:0.5P2 25 Q3: Q4: -
ノズル自動発生:ON
No.1706:ジャケット(6)
-
パラメータ数:2
パラメータ 基準値 Q1:1.2P1 36 Q2:0.5P2 25 Q3: Q4: -
ノズル自動発生:ON
No.1707:ジャケット(7)
-
パラメータ数:2
パラメータ 基準値 Q1:1.2P1 36 Q2:0.5P2 25 Q3: Q4: -
ノズル自動発生:ON
No.1708:ジャケット(8)
-
パラメータ数:2
パラメータ 基準値 Q1:1.2P1 36 Q2:0.3P2 15 Q3: Q4: -
ノズル自動発生:ON
No.1709:ジャケット(9)
-
パラメータ数:1
パラメータ 基準値 Q1:1.25P1 15 Q2: Q3: Q4: -
ノズル自動発生:OFF
No.1710:ジャケット(10)
-
パラメータ数:1
パラメータ 基準値 Q1:1.25P1 15 Q2: Q3: Q4: -
ノズル自動発生:OFF
No.1711:ジャケット(11)
-
パラメータ数:2
パラメータ 基準値 Q1:1.2P1 36 Q2:0.5P2 25 Q3: Q4: -
ノズル自動発生:ON
No.1712:ジャケット(12)
-
パラメータ数:2
パラメータ 基準値 Q1:1.2P1 36 Q2:0.5P2 25 Q3: Q4: -
ノズル自動発生:ON
No.1713:ジャケット(13)
-
パラメータ数:2
パラメータ 基準値 Q1:0.5P1 30 Q2:0.125P2 5 Q3: Q4: -
ノズル自動発生:ON
No.1714:ジャケット(14)
-
パラメータ数:1
パラメータ 基準値 Q1:1.0P1 20 Q2: Q3: Q4: -
ノズル自動発生:OFF
No.1715:ジャケット(15)
-
パラメータ数:2
パラメータ 基準値 Q1:1.2P1 36 Q2:0.6P2 30 Q3: Q4: -
ノズル自動発生:ON
No.1716:ジャケット(16)
-
パラメータ数:2
パラメータ 基準値 Q1:1.2P1 36 Q2:0.5P2 25 Q3: Q4: -
ノズル自動発生:ON
No.1717:プロペラ型
-
パラメータ数:1
パラメータ 基準値 Q1:P1 20 Q2: Q3: Q4: -
ノズル自動発生:OFF
No.1718:タービン型
-
パラメータ数:1
パラメータ 基準値 Q1:P1 20 Q2: Q3: Q4: -
ノズル自動発生:OFF
No.1719:アンカー型
-
パラメータ数:1
パラメータ 基準値 Q1:P1 20 Q2: Q3: Q4: -
ノズル自動発生:OFF
No.1720:パドル型
-
パラメータ数:1
パラメータ 基準値 Q1:P1 20 Q2: Q3: Q4: -
ノズル自動発生:OFF
No.1721:スクリュー型
-
パラメータ数:1
パラメータ 基準値 Q1:P1 12 Q2: Q3: Q4: -
ノズル自動発生:OFF
No.1722:ヘリカル・リボン型
-
パラメータ数:1
パラメータ 基準値 Q1:P1 20 Q2: Q3: Q4: -
ノズル自動発生:OFF
No.1723:GLパドル型
-
パラメータ数:1
パラメータ 基準値 Q1:P1 20 Q2: Q3: Q4: -
ノズル自動発生:OFF
No.1724:GLアンカー型
-
パラメータ数:1
パラメータ 基準値 Q1:P1 20 Q2: Q3: Q4: -
ノズル自動発生:OFF
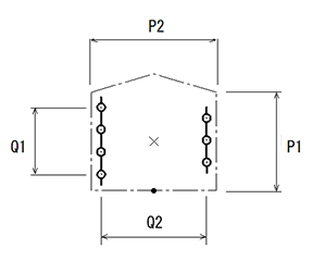
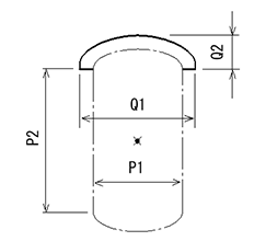
No.1725:熱交換器(ヘッド)
-
パラメータ数:2
パラメータ 基準値 Q1:P1 20 Q2:0.5×P1 10 Q3: Q4: -
ノズル自動発生:ON
No.1726:熱交換器(チャネル)
-
パラメータ数:2
パラメータ 基準値 Q1:P1 20 Q2:P1 20 Q3: Q4: -
ノズル自動発生:ON
No.1727:熱交換器(追加用)
-
パラメータ数:2
パラメータ 基準値 Q1:DIA 4 Q2:LENGTH 30 Q3: Q4: -
ノズル自動発生:ON
No.1728:熱交換器(ヘッド)
-
パラメータ数:2
パラメータ 基準値 Q1:P1 20 Q2:0.5×P1 10 Q3: Q4: -
ノズル自動発生:ON
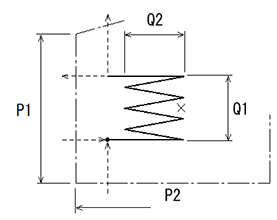
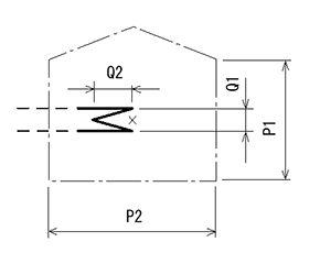
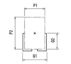
No.1751:コイル(一般型)
-
パラメータ数:2
パラメータ 基準値 Q1:0.375P1 15 Q2:0.25P2 15 Q3: Q4: -
ノズル自動発生:OFF
No.1752:コイル(缶内型)
-
パラメータ数:2
パラメータ 基準値 Q1:0.25P2 30 Q2:0.835P2 50 Q3: Q4: -
ノズル自動発生:OFF
No.1753:コイル(缶外型)
-
パラメータ数:2
パラメータ 基準値 Q1:0.75P1 30 Q2:1.167P2 70 Q3: Q4: -
ノズル自動発生:OFF
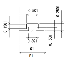
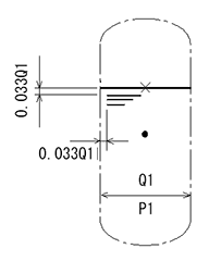
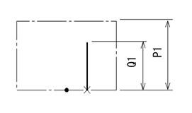
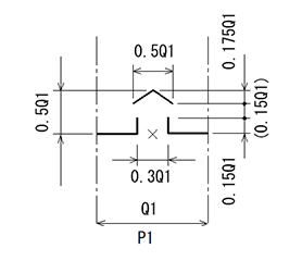
No.1801:胴フランジ
-
パラメータ数:1
パラメータ 基準値 Q1:1.2P1 36 Q2: Q3: Q4: -
ノズル自動発生:OFF
No.1802:液面
-
パラメータ数:1
パラメータ 基準値 Q1:P1 30 Q2: Q3: Q4: -
ノズル自動発生:OFF
No.1803:間仕切り
-
パラメータ数:1
パラメータ 基準値 Q1:0.75P1 30 Q2: Q3: Q4: -
ノズル自動発生:OFF
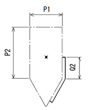
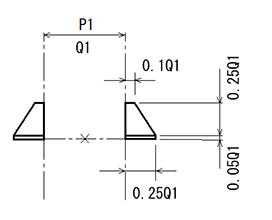
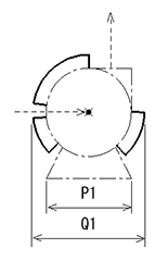
No.1804:じゃま板
-
パラメータ数:2
パラメータ 基準値 Q1:P1 30 Q2:0.6P1 30 Q3: Q4: -
ノズル自動発生:OFF
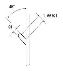
No.1805:デミスター
-
パラメータ数:2
パラメータ 基準値 Q1:P1 10 Q2:0.25P1 2.5 Q3: Q4: -
ノズル自動発生:OFF
No.1806:スプレー
-
パラメータ数:1
パラメータ 基準値 Q1:0.5P1 5 Q2: Q3: Q4: -
ノズル自動発生:OFF
No.1807:トレイ(1)(一般型)
-
パラメータ数:1
パラメータ 基準値 Q1:P1 10 Q2: Q3: Q4: -
ノズル自動発生:OFF
No.1808:トレイ(2)(多孔型)
-
パラメータ数:1
パラメータ 基準値 Q1:P1 10 Q2: Q3: Q4: -
ノズル自動発生:OFF
No.1809:トレイ(3)
-
パラメータ数:1
パラメータ 基準値 Q1:P1 10 Q2: Q3: Q4: -
ノズル自動発生:OFF
No.1810:トレイ(4)
-
パラメータ数:1
パラメータ 基準値 Q1:P1 10 Q2: Q3: Q4: -
ノズル自動発生:OFF
No.1811:トレイ(5)
-
パラメータ数:1
パラメータ 基準値 Q1:P1 10 Q2: Q3: Q4: -
ノズル自動発生:OFF
No.1812:トレイ(6)
-
パラメータ数:1
パラメータ 基準値 Q1:P1 10 Q2: Q3: Q4: -
ノズル自動発生:OFF
No.1813:充填物
-
パラメータ数:2
パラメータ 基準値 Q1:P1 10 Q2:1.5P1 15 Q3: Q4: -
ノズル自動発生:OFF
No.1814:スカート
-
パラメータ数:1
パラメータ 基準値 Q1:P1 10 Q2: Q3: Q4: -
ノズル自動発生:OFF
No.1815:ラグ
-
パラメータ数:1
パラメータ 基準値 Q1:P1 10 Q2: Q3: Q4: -
ノズル自動発生:OFF
No.1816:脚
-
パラメータ数:1
パラメータ 基準値 Q1:P1 10 Q2: Q3: Q4: -
ノズル自動発生:OFF
No.1817:陣がさ
-
パラメータ数:1
パラメータ 基準値 Q1:0.5P1 5 Q2: Q3: Q4: -
ノズル自動発生:OFF
No.1818:伸縮継手
-
パラメータ数:1
パラメータ 基準値 Q1:P1 10 Q2: Q3: Q4: -
ノズル自動発生:OFF
No.1819:GLバッフル軸
-
パラメータ数:2
パラメータ 基準値 Q1:LENGTH 60 Q2:WIDTH 3 Q3: Q4: -
ノズル自動発生:OFF
No.1820:GLバッフル枝(1)
-
パラメータ数:1
パラメータ 基準値 Q1:SCALE 3 Q2: Q3: Q4: -
ノズル自動発生:OFF
No.1821:GLバッフル枝(2)
-
パラメータ数:1
パラメータ 基準値 Q1:SCALE 3 Q2: Q3: Q4: -
ノズル自動発生:OFF
No.1822:パイプ
-
パラメータ数:2
パラメータ 基準値 Q1:LENGTH 30 Q2:DIA 3 Q3: Q4: -
ノズル自動発生:OFF
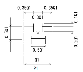
No.1823:胴フランジ
-
パラメータ数:2
パラメータ 基準値 Q1:1.2P1 36 Q2:0.03P1 0.8 Q3: Q4: -
ノズル自動発生:OFF
No.1824:浮屋根
-
パラメータ数:2
パラメータ 基準値 Q1:0.9P1 54 Q2:0.1P1 6 Q3: Q4: -
ノズル自動発生:OFF
No.1825:液面マーク(2パラメータ)
-
パラメータ数:2
パラメータ 基準値 Q1:P1 30 Q2:0.1P1 3 Q3: Q4: -
ノズル自動発生:OFF
No.1826:脚(2パラメータ)
-
パラメータ数:2
パラメータ 基準値 Q1:1.0×P1 10 Q2:1.0×P1 10 Q3: Q4: -
ノズル自動発生:OFF
No.1827:透明線(1)
-
パラメータ数:1
パラメータ 基準値 Q1:P1 10 Q2: Q3: Q4: -
ノズル自動発生:OFF
No.1828:透明線(2)
-
パラメータ数:1
パラメータ 基準値 Q1:LENGTH 20 Q2: Q3: Q4: -
ノズル自動発生:OFF
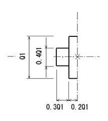
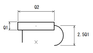
No.1901:閉止ノズル
-
パラメータ数:2
パラメータ 基準値 Q1:FLANGE 3 Q2:HEIGHT 5 Q3: Q4: -
ノズル自動発生:OFF
No.1902:マンホール
-
パラメータ数:2
パラメータ 基準値 Q1:FLANGE 10 Q2:HEIGHT 5 Q3: Q4: -
ノズル自動発生:OFF
No.1903:一般ノズル
-
パラメータ数:2
パラメータ 基準値 Q1:FLANGE 3 Q2:HEIGHT 5 Q3: Q4: -
ノズル自動発生:OFF
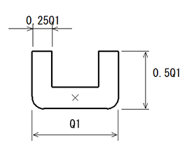
No.1904:ボルテックス・ブレーカー
-
パラメータ数:2
パラメータ 基準値 Q1:LENGTH 6 Q2:HEIGHT 3 Q3: Q4: -
ノズル自動発生:OFF
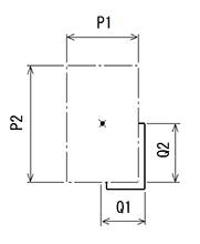
No.1905:コイル(小型)
-
パラメータ数:2
パラメータ 基準値 Q1:HEIGHT 5 Q2:WIDTH 15 Q3: Q4: -
ノズル自動発生:OFF
No.1906:丸(付属品)
-
パラメータ数:1
パラメータ 基準値 Q1:SCALE 5 Q2: Q3: Q4: -
ノズル自動発生:OFF
No.1907:四角表示
-
パラメータ数:2
パラメータ 基準値 Q1:HEIGHT 5 Q2:WIDTH 7.5 Q3: Q4: -
ノズル自動発生:OFF
No.1908:三角表示
-
パラメータ数:2
パラメータ 基準値 Q1:HEIGHT 5 Q2:WIDTH 7.5 Q3: Q4: -
ノズル自動発生:OFF
No.1909:断熱表示
-
パラメータ数:2
パラメータ 基準値 Q1:HEIGHT 5 Q2:LENGTH 17.5 Q3: Q4: -
ノズル自動発生:OFF
No.1910:液留め
-
パラメータ数:2
パラメータ 基準値 Q1:WIDTH 10 Q2:HEIGHT 20 Q3: Q4: -
ノズル自動発生:ON
No.1911:半円表示
-
パラメータ数:1
パラメータ 基準値 Q1:DIA 5 Q2: Q3: Q4: -
ノズル自動発生:OFF
No.1912:円錐台表示
-
パラメータ数:2
パラメータ 基準値 Q1:WIDTH 20 Q2:HEIGHT 10 Q3: Q4: -
ノズル自動発生:OFF
No.1913:四角表示(一部)
-
パラメータ数:2
パラメータ 基準値 Q1:WIDTH 10 Q2:HEIGHT 3 Q3: Q4: -
ノズル自動発生:OFF
No.1914:ノズル(平面用)
-
パラメータ数:1
パラメータ 基準値 Q1:0.15P1 9 Q2: Q3: Q4: -
ノズル自動発生:OFF
No.1915:ノズル(中サイズ)
-
パラメータ数:2
パラメータ 基準値 Q1:FLANGE 3 Q2:HEIGHT 5 Q3: Q4: -
ノズル自動発生:OFF
No.1916:ハンドホール
-
パラメータ数:2
パラメータ 基準値 Q1:FLANGE 3 Q2:HEIGHT 5 Q3: Q4: -
ノズル自動発生:OFF
No.1917:挿入管
-
パラメータ数:2
パラメータ 基準値 Q1:HEIGHT 10 Q2:WIDTH 8 Q3: Q4: -
ノズル自動発生:ON
No.1918:駆動部(丸)
-
パラメータ数:1
パラメータ 基準値 Q1:SCALE 6 Q2: Q3: Q4: -
ノズル自動発生:OFF
No.1919:パッドノズル
-
パラメータ数:2
パラメータ 基準値 Q1:FLANGE 3 Q2:HEIGHT 0.5 Q3: Q4: -
ノズル自動発生:OFF
No.1920:駆動部(角)
-
パラメータ数:1
パラメータ 基準値 Q1:SCALE 6 Q2: Q3: Q4: -
ノズル自動発生:OFF
No.1921:往復動
-
パラメータ数:1
パラメータ 基準値 Q1:SCALE 6 Q2: Q3: Q4: -
ノズル自動発生:OFF
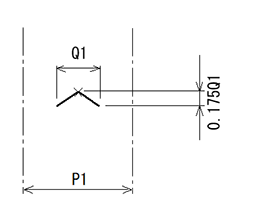
No.1923:半楕円
-
パラメータ数:2
パラメータ 基準値 Q1:WIDTH 1 Q2:HEIGHT 0.25 Q3: Q4: -
ノズル自動発生:OFF
No.1951:モーター駆動部(1)
-
パラメータ数:1
パラメータ 基準値 Q1:SCALE 6 Q2: Q3: Q4: -
ノズル自動発生:OFF
No.1952:モーター駆動部(2)
-
パラメータ数:1
パラメータ 基準値 Q1:SCALE 6 Q2: Q3: Q4: -
ノズル自動発生:OFF
No.1953:タービン駆動部
-
パラメータ数:1
パラメータ 基準値 Q1:SCALE 6 Q2: Q3: Q4: -
ノズル自動発生:OFF
No.1954:減速機
-
パラメータ数:1
パラメータ 基準値 Q1:SCALE 6 Q2: Q3: Q4: -
ノズル自動発生:OFF
No.1955:バーナー
-
パラメータ数:1
パラメータ 基準値 Q1:SCALE 10 Q2: Q3: Q4: -
ノズル自動発生:OFF
No.1956:シングル・メカシール
-
パラメータ数:1
パラメータ 基準値 Q1:SCALE 10 Q2: Q3: Q4: -
ノズル自動発生:OFF
No.1957:ダブル・メカシール
-
パラメータ数:1
パラメータ 基準値 Q1:SCALE 10 Q2: Q3: Q4: -
ノズル自動発生:OFF
No.1959:フランジノズル
-
パラメータ数:2
パラメータ 基準値 Q1:FLANGE 3 Q2:HEIGHT 5 Q3: Q4: -
ノズル自動発生:OFF
No.7101:運搬車
-
パラメータ数:1
パラメータ 基準値 Q1:SCALE 24 Q2: Q3: Q4: -
ノズル自動発生:OFF
No.7102:タンク・ローリー
-
パラメータ数:1
パラメータ 基準値 Q1:SCALE 24 Q2: Q3: Q4: -
ノズル自動発生:OFF
No.7103:船
-
パラメータ数:1
パラメータ 基準値 Q1:SCALE 45 Q2: Q3: Q4: -
ノズル自動発生:OFF
No.7104:フレコン・バック
-
パラメータ数:1
パラメータ 基準値 Q1:SCALE 20 Q2: Q3: Q4: -
ノズル自動発生:OFF
No.7105:ドラム缶
-
パラメータ数:1
パラメータ 基準値 Q1:SCALE 18 Q2: Q3: Q4: -
ノズル自動発生:OFF
No.7106:原料
-
パラメータ数:1
パラメータ 基準値 Q1:SCALE 20 Q2: Q3: Q4: -
ノズル自動発生:OFF
No.7107:コンテナ(ラテックス用)
-
パラメータ数:1
パラメータ 基準値 Q1:SCALE 50 Q2: Q3: Q4: -
ノズル自動発生:OFF
No.7108:排水溝
-
パラメータ数:1
パラメータ 基準値 Q1:SCALE 20 Q2: Q3: Q4: -
ノズル自動発生:OFF
No.7109:トラック
-
パラメータ数:1
パラメータ 基準値 Q1:SCALE 24 Q2: Q3: Q4: -
ノズル自動発生:OFF
