1103 機器付属品 その他寸法・位置
レッグ
概要
レッグの部材と各部寸法は、ジェネラルデータベースBGSSDMに基づきベッセル重量とタイプ、脚長、胴径より決定します。
(ベッセル重量=本体空重量+満水重量、板厚6tと仮定)
| シンボルNo. | 11813 | 11814 | 11818 |
|---|---|---|---|
| タイプ | L×3 | L×4 | [×4 |
| シンボル | ![]() |
![]() |
![]() |

操作手順
- メニューより〔機器(Q)〕-〔付属品修正〕-〔付属品(A)〕-〔レッグ〕を選択すると、以下の【レッグ入力ダイアログ】が表示されます。
- 以下を設定して[OK]ボタンを押すと「レッグ」が入力できます。

| No. | 属性 | 操作 |
|---|---|---|
| 1 | 脚数 | 3脚か4脚を選択します。 |
| 2 | 角度 | 角度を指定します。 |
| 3 | タイプ | アングル“L”か、チャンネル“[”の選択が可能です。 |
| 4 | 脚長 | 脚長の長さ(mm)を指定します。 |
| 5 | 部材 | 標準データを選択するとジェネラルデータベースBGSSDMにもとづいてデフォルトの部材が選択されます。
寸法入力を選択すると、部材の「高さ」「巾」をmmで指定が可能です。 |


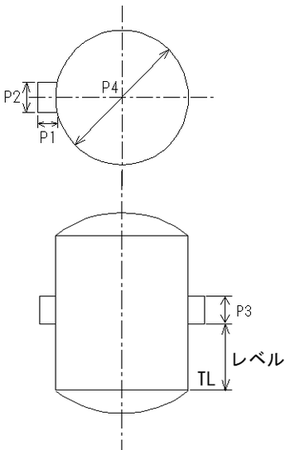
ラグ
概要
ラグ部材の寸法は、ジェネラルデータベースBGSSDMに基づき、胴径より決定します。
| シンボルNo. | 11801 | 11802 | 11803 | 11804 |
|---|---|---|---|---|
| タイプ | x1 | x2 | x3 | x4 |
| シンボル | ![]() |
![]() |
![]() |
![]() |
操作手順
- 〔付属品(A)〕-〔ラグ〕を選択すると、以下の【ラグ入力ダイアログ】が表示されます。
- 以下を設定して[OK]ボタンをクリックすると「ラグ」が入力できます。

| No. | 属性 | 操作 |
|---|---|---|
| 1 | ラグ数 | ラグ数を選択します。 |
| 2 | レベル | レベルを指定します。 |
| 3 | 角度 | 角度を指定します。 |



サドル
概要
サドル部材の寸法は、ジェネラルデータベースBGSSDMに基づき、胴径、高さより決定します。
| シンボルNo. | 11825 | 11826 |
|---|---|---|
| タイプ | x1(1脚) | x2(2脚) |
| シンボル | ![]() |
![]() |
操作手順
- 〔付属品(A)〕-〔サドル〕を選択すると、以下の【サドル入力ダイアログ】が表示されます。
- 以下を設定して[OK]ボタンをクリックすると「サドル」が入力できます。

| No. | 属性 | 操作 |
|---|---|---|
| 1 | 脚数 | 脚数を選択します。 |
| 2 | 高さ | 高さを入力します。(mm) |
| 3 | スパン | スパンを入力します。 |


スカート
概要
スカートの寸法は、ジェネラルデータベースBGSSDMに基づき、下部T.L.より決定します。
| シンボルNo. | 11828 | 11829 | ||
|---|---|---|---|---|
| タイプ | ストレート | ST | 下部広 | DW |
| シンボル | ![]() |
![]() |
||
操作手順
〔付属品(A)〕-〔スカート〕を選択すると、以下の【スカート入力ダイアログ】が表示されます。

以下を設定して[OK]ボタンをクリックすると「スカート」が入力できます。
| No. | 属性 | 操作 |
|---|---|---|
| 1 | タイプ | ストレートか下部広を選択します。 |
| 2 | スカート長 | スカート長(mm)を入力します。 |













