1610 配管付属品図形
P&IDの付属品シンボルは3D(EYEPIPE)と一部異なり、3D(EYEPIPE)の継手(キャップ)も含まれています。
一般付属品一覧
以下の一覧では、2D(EYEPID)と3D(EYEPIPE)のシンボルを共通で記載していますが、2D(EYEPID)では一般に使用されず、3D(EYEPIPE)のみで使用されるシンボルNo.はグレーアウトしています。割り当てのない箇所はブルーにしています。
図形については「一般付属品」を参照してください。
CTBやCBTのつくシンボルはV9以前の図面互換用に用意されています。CTBやCBTのつかないシンボルと同じです。例)三方ボール弁(2201)、三方ボール弁CTB(2401)、三方ボール弁CBT(2451)に違いはありません
| 機能コード |
シンボルNo. |
反転シンボルNo. |
MNC |
日本語 |
English |
| 2201 |
2201 |
|
3WBV |
三方ボール弁 |
3_Way_Ball_Valve |
| 2202 |
2202 |
|
3WCK |
三方コック弁 |
3_Way_Cock_Valve |
| 2203 |
2203 |
|
4W.B |
四方ボール弁 |
4_Way_Ball_Valve |
| 2204 |
2204 |
|
4W.C |
四方コック弁 |
4_Way_Cock_Valve |
| 2205 |
2205 |
2405 |
FL.V |
フロート弁 |
Float_Valve |
| 2206 |
2206 |
2406 |
ANGL |
アングルフロート |
Angle_Float_Valve |
| 2207 |
2207 |
2407 |
TV45 |
45°タンク弁 |
Tank_Valve_(45deg.) |
| 2208 |
2208 |
|
WAND |
ワンダー弁 |
Wander_Valve |
| 2209 |
2209 |
|
PL.V |
プレート弁 |
Plate_Valve |
| 2210 |
2210 |
2410 |
DV.V |
ダイバータ弁 |
Diverter_Valve |
| 2211 |
2211 |
2411 |
B.PV |
背圧弁 |
Back_Pressure_Valve |
| 2212 |
2212 |
2432 |
R.PV |
減圧弁 |
Reducing_Pressure_Valve |
| 2213 |
2213 |
|
D.PV |
差圧弁 |
Defferential_Pressure_Valve |
| 2214 |
2214 |
|
E.VA |
緊急遮断弁 |
Emergency_shut_Valve |
| 2215 |
2215 |
|
MW.V |
多方弁 |
Malti_Way_Valve |
| 2216 |
2216 |
|
SVLV |
特殊弁 |
Special_Valve |
| 2217 |
2217 |
|
EX.V |
排気弁 |
Exhaust_Valve |
| 2218 |
2218 |
|
FT.V |
フート弁 |
Foot_Valve |
| 2219 |
2219 |
2419 |
SV |
安全弁 |
Safety_Valve |
| 2220 |
2220 |
2420 |
S.SV |
直進安全弁 |
Straight_Way_Safety_Valve |
| 2221 |
2221 |
|
BR.V |
呼吸弁 |
Breather_Valve |
| 2222 |
2222 |
|
120 |
120°三方ボール弁 |
120_deg_3_Way_Ball_Valve |
| 2223 |
2223 |
2423 |
Y.ST |
Y型ストレーナ |
Y-Type_Strayner |
| 2224 |
2224 |
|
B.ST |
バケットストレーナ |
Backet_Strayner |
| 2225 |
2225 |
2433 |
C.ST |
コーン型ストレーナ |
Cone_Type_Strayner |
| 2226 |
2226 |
|
S.ST |
直進ストレーナ |
Straight_Strayner |
| 2227 |
2227 |
2434 |
TRAP |
蒸気トラップ |
Steam_Trap |
| 2228 |
2228 |
|
FLEX |
フレキ.チューブ |
Flexible_Tube |
| 2229 |
2229 |
|
EXPN |
伸縮継手 |
Expantion_Joint |
| 2230 |
2230 |
|
SILN |
消音器 |
Silencer |
| 2231 |
2231 |
2431 |
F.NZ |
加速管 |
Feed_Nozzle |
| 2232 |
2232 |
|
REMO |
遠隔継手 |
Remote_Connector |
| 2233 |
2233 |
|
B.FL |
閉止フランジ |
Blind_Flange |
| 2234 |
2234 |
|
HOSE |
ホース継手 |
Hose_Connection |
| 2235 |
2235 |
|
HYDR |
屋外消火栓 |
Hydrant |
| 2236 |
2236 |
|
HYDR |
屋内消火栓 |
Hydrant |
| 2237 |
2237 |
|
FUNN |
ファンネル |
Funnel |
| 2238 |
2238 |
|
FSG |
フローサイト |
Flow_Sight_Glass |
| 2239 |
2239 |
2435 |
RUPT |
破裂板 |
Rupture_Disk |
| 2240 |
2240 |
|
FLAM |
フレームアレスタ |
Flame_Arrester |
| 2241 |
2241 |
|
SPRA |
スプレーノズル |
Spray_Nozzle |
| 2242 |
2242 |
|
RO |
制限オリフィス |
Restriction_Orifice |
| 2243 |
2243 |
|
SB |
眼鏡閉止板 |
Spectacle_Blind |
| 2244 |
2244 |
|
IB |
差閉止板 |
Insert_Blind |
| 2245 |
2245 |
|
BJ |
ボールジョイント |
Ball_Joint |
| 2246 |
2246 |
2436 |
CAP |
キャップ |
Cap_(_Butt_Weld_) |
| 2246 |
2247 |
2437 |
CAP |
キャップ |
Cap_(_Screw_) |
| 2248 |
2248 |
|
REDU |
レジューサ |
Reducer |
| 2249 |
2249 |
2449 |
VENT |
ベント |
Vent |
| 2250 |
2250 |
2450 |
US |
Uシール |
U_Seal |
| 2251 |
2251 |
|
REDU |
レジューサ |
Reducer |
| 2252 |
2252 |
|
ACCU |
蓄圧器 |
Accumlator |
| 2249 |
2253 |
2453 |
VENT |
ベント |
Vent |
| 2254 |
2254 |
|
SPAC |
特殊付属品 |
Special_Accessory |
| 2255 |
2255 |
|
SPAC |
特殊付属品 |
Spacer |
| 2256 |
2256 |
|
SPAC |
特殊付属品 |
Special_Accessory |
| 2257 |
2257 |
|
WELD |
溶接記号 |
Welding_mark |
| 2258 |
2258 |
|
MNET |
金網 |
Metal_net |
| 2249 |
2259 |
2459 |
VENT |
ベント(金網出口) |
Sample_Nozzle |
| 2249 |
2260 |
2460 |
VENT |
ベント(キャップ出口) |
Tank_Valve_75deg |
| 2262 |
2261 |
|
SPAC |
特殊付属品 |
Special_Accessory |
| 2262 |
2262 |
|
SPAC |
特殊付属品 |
Special_Accessory |
| 2290 |
2263 |
|
POT |
ポット(水抜き) |
Tank_Valve_90deg |
| 2291 |
2264 |
|
SG |
サイトグラス(のぞき窓) |
same_Size_Accessory |
| 2256 |
2265 |
|
SPAC |
特殊付属品 |
Concentric_Accessory |
| 2266 |
2266 |
|
SEPA |
偏心付属品 |
Eccentric_Accessory |
| 2267 |
2267 |
|
DAMP |
ダンパ |
Damper_Valve |
| 2268 |
2268 |
2269 |
RE'G |
異径フランジ |
Reducing_Flange A |
| 2268 |
2269 |
|
RE'G |
異径フランジ |
Reducing_Flange B |
| 2270 |
2270 |
|
PLUG |
プラグ |
Plug |
| 2271 |
2271 |
|
T.ST |
T型ストレーナ |
T-Type_Strainer |
| 2272 |
2272 |
|
L.ST |
L型ストレーナ |
L-Type_Strainer |
| 2273 |
2273 |
|
S.MX |
直進ミキサ |
90deg Y-Type Accessory |
| 2274 |
2274 |
|
ECFX |
フレキチューブ 段差 |
Eccentric_Flexible_Tube |
| 2275 |
2275 |
|
C.FX |
フレキチューブ 曲り |
Curve_Flexible_Tube |
| 2276 |
2276 |
|
L.AF |
エアーフォームチャンバ |
L-Type_Air_Foam_Chamber |
| 2277 |
2277 |
|
R.ST |
ライザーストレーナ |
Riser_Strainer |
| 2278 |
2278 |
|
Y.MX |
Y型ミキサ |
Y-Type Accessory |
| 2279 |
2279 |
|
L.BR |
L型ブリーザ弁 |
L-Type_Breather_Valve |
| 2280 |
2280 |
|
L.DR |
水抜栓 |
L-Type_Drain_Valve |
| 2281 |
2281 |
|
A.GA |
付属仕切弁 |
Accessory_Gate_Valve |
| 2282 |
2282 |
|
A.GL |
付属玉形弁 |
Accessory_Globe_Valve |
| 2283 |
2283 |
|
A.CH |
付属逆止弁 |
Accessory_Check_Valve |
| 2284 |
2284 |
|
A.NE |
付属ニードル弁 |
Accessory_Needle_Valve |
| 2285 |
2285 |
|
A.BA |
付属ボール弁 |
Accessory_Ball_Valve |
| 2286 |
2286 |
|
A.DI |
付属ダイヤフラム弁 |
Accessory_Diaphragm_Valve |
| 2287 |
2287 |
|
W.ST |
ダブルストレーナ |
Double_Strayner |
| 2288 |
2288 |
2438 |
A.BU |
付属バタフライ弁 |
Accessory_Butterfly_Valve |
| 2289 |
2289 |
|
A.YT |
付属Y形弁 |
Accessory_Y-Type_Valve |
| 2290 |
2290 |
|
|
|
|
| 2291 |
2291 |
|
|
|
|
| 2292 |
2292 |
|
A.CO |
付属コック弁 |
Accessory_Cock_Valve |
| 2293 |
2293 |
|
A.PI |
付属ピンチ弁 |
Accessory_Pinch_Valve |
|
2294 |
|
|
|
|
|
2295 |
|
|
|
|
| 2296 |
2296 |
|
C.PA |
曲り付属品 |
Curve_Piping_Accessory |
| 2297 |
2297 |
|
B.PA |
分岐付属品 |
Branch_Piping_Accessory |
| 2298 |
2298 |
|
M.PA |
マルチ付属品 |
Malti_Piping_Accessory |
| 2299 |
2299 |
|
B.CA |
分岐接続付属品 |
Branch_Connect_Accessory |
| 2300 |
2300 |
|
|
** |
** |
| 2301 |
2301 |
|
|
|
|
| 2400 |
2400 |
|
LT |
アタッチメント |
Attachment |
| 2201 |
2401 |
|
3BCT |
三方ボール弁CTB |
3_Way_Ball_Valve_CTB_Type |
| 2202 |
2402 |
|
3CCT |
三方コック弁CTB |
3_Way_Cock_Valve_CTB_Type |
|
2403 |
|
|
|
|
|
2404 |
|
|
|
|
| 2205 |
2405 |
|
FL.V |
フロート弁 |
Float_Valve |
| 2206 |
2406 |
|
ANGL |
アングルフロート |
Angle_Float_Valve |
| 2207 |
2407 |
|
TV45 |
45°タンク弁 |
Tank_Valve(45deg.) |
|
2408 |
|
|
|
|
|
2409 |
|
|
|
|
| 2210 |
2410 |
|
DV.V |
ダイバータ弁 |
Diverter_Valve |
| 2211 |
2411 |
|
B.PV |
背圧弁 |
Back_Pressure_Valve |
|
2412 |
|
|
|
|
|
2413 |
|
|
|
|
|
2414 |
|
|
|
|
|
2415 |
|
|
|
|
|
2416 |
|
|
|
|
|
2417 |
|
|
|
|
|
2418 |
|
|
|
|
| 2219 |
2419 |
|
SV |
安全弁 |
Safety_Valve |
| 2220 |
2420 |
|
S.SV |
直進安全弁 |
Straight_Way_Safety_Valve |
|
2421 |
|
|
|
|
|
2422 |
|
|
|
|
| 2223 |
2423 |
|
Y.ST |
Y型ストレーナ |
Y-Type_Strayner |
|
2424 |
|
|
|
|
|
2425 |
|
|
|
|
|
2426 |
|
|
|
|
|
2427 |
|
|
|
|
|
2428 |
|
|
|
|
|
2429 |
|
|
|
|
|
2430 |
|
|
|
|
| 2231 |
2431 |
|
F.NZ |
加速管 |
Feed_Nozzle |
| 2212 |
2432 |
|
R.PV |
減圧弁 |
Reducing_Pressure_Valve |
| 2225 |
2433 |
|
C.ST |
コーン型ストレーナ |
Cone_Type_Strayner |
| 2227 |
2434 |
|
TRAP |
蒸気トラップ |
Steam_Trap |
| 2239 |
2435 |
|
RUPT |
破裂板 |
Rupture_Disk |
| 2246 |
2436 |
|
CAP |
キャップ |
Cap_(_Butt_Weld_) |
| 2247 |
2437 |
|
CAP |
キャップ |
Cap_(_Screw_) |
| 2288 |
2438 |
|
A.BU |
付属バタフライ弁 |
Accessory_Butterfly_Valve |
|
2439 |
|
|
|
|
|
2440 |
|
|
|
|
|
2441 |
|
|
|
|
|
2442 |
|
|
|
|
|
2443 |
|
|
|
|
|
2444 |
|
|
|
|
|
2445 |
|
|
|
|
|
2446 |
|
|
|
|
|
2447 |
|
|
|
|
|
2448 |
|
|
|
|
| 2249 |
2449 |
|
VENT |
ベント |
Vent |
| 2250 |
2450 |
|
US |
Uシール |
U_Seal |
| 2201 |
2451 |
|
3BCB |
三方ボール弁CBT |
3_Way_Ball_Valve_CBT_Type |
| 2202 |
2452 |
|
3CCB |
三方コック弁CBT |
3_Way_Cock_Valve_CBT_Type |
| 2249 |
2453 |
|
VENT |
ベント |
Vent |
|
2454 |
|
|
|
|
|
2455 |
|
|
|
|
|
2456 |
|
|
|
|
|
2457 |
|
|
|
|
|
2458 |
|
|
|
|
| 2249 |
2459 |
|
VENT |
ベント(金網出口) |
Vent |
| 2249 |
2460 |
|
VENT |
ベント(キャップ出口) |
Vent |
|
2461 |
|
|
|
|
|
2462 |
|
|
|
|
|
2463 |
|
|
|
|
|
2464 |
|
|
|
|
|
2465 |
|
|
|
|
|
2466 |
|
|
|
|
|
2467 |
|
|
|
|
アクセサリ一覧
配管付属品図形のアクセサリシンボルは、配管付属品図形に図示表現上の補足的に使用されるシンボルです。
参考
- 一般的に集計上は集計表記されません。
- シンボル一覧出力用に、「BG(J)ITEM」には、「シンボルNo.+10000」のItem Codeが設定されています。
図形については「アクセサリ」を参照してください。
| 機能コード |
シンボルNo. |
反転シンボルNo. |
機能記号 |
名称 |
Name |
| MNC |
日本語 |
English |
| 2301 |
2301 |
|
V.JA |
弁ジャケット |
上下 |
Valve_jacket |
Top and bottom |
| 2301 |
2302 |
|
V.JA |
弁ジャケット |
上 左右下 |
Valve_jacket |
Top & L & R lower |
| 2301 |
2303 |
|
V.JA |
弁ジャケット |
左 右上下 |
Valve_jacket |
Top & bottom L & R |
| 2301 |
2304 |
2354 |
V.JA |
弁ジャケット |
上左(上右) |
Valve_jacket |
upper left(upper right) |
| 2305 |
2305 |
|
V.EX |
弁遠膈ハンドル |
|
Valve_extention_handle |
|
| 2306 |
2306 |
|
V.PL |
弁付属プラグ |
|
Valve_accessory_plug |
|
| 2307 |
2307 |
|
V._S |
弁セミジャケット |
上下 |
Valve_semi_jacket |
|
| 2307 |
2308 |
|
V._S |
弁セミジャケット |
上 左右下 |
Valve_semi_jacket |
|
| 2307 |
2309 |
|
V._S |
弁セミジャケット |
左右上下 |
Valve_semi_jacket |
|
| 2307 |
2310 |
2360 |
V._S |
弁セミジャケット |
上左(上右) |
Valve_semi_jacket |
|
| 2311 |
2311 |
|
V._A |
弁作動装置 |
|
Valve_actuator |
|
| 2312 |
2312 |
|
DNZP |
ダミーノズル |
|
Dummy_Nozzle_for_Pipe_Acc'ry |
|
| 2313 |
2313 |
|
INZL |
インサートノズル |
|
Insert_Nozzle_for_Safty_Valve |
|
| 2314 |
2314 |
|
SBO |
眼鏡閉止板(常開) |
|
Spectacle_Blind_(open) |
|
| 2315 |
2315 |
|
SBC |
眼鏡閉止板(常閉) |
|
Spectacle_Blind_(close) |
|
| 2316 |
2316 |
|
D.CL |
両クランプ |
|
Double_Clamp_Mark |
|
| 2317 |
2317 |
|
S.CL |
単クランプ |
|
Single_Clamp_Mark |
|
| 2318 |
2318 |
|
DMFX |
ダミーフレキ |
|
Dummy_Flex |
|
| 2319 |
2319 |
|
DMDR |
ダミー水抜栓 |
|
Dummy_Drain_Valve |
|
| 2320 |
2320 |
|
LSCV |
L型サイズ変化弁 |
|
L_Type_Gear_Ope_Size_Change_Valve |
|
| 2321 |
2321 |
|
CLOS |
常時閉 |
|
Always_Close_Mark |
|
| 2322 |
2322 |
|
CLOS |
常時閉 |
|
Always_Close_Mark |
|
| 2323 |
2323 |
|
|
|
|
|
|
| 2324 |
2324 |
|
|
|
|
|
|
| 2325 |
2325 |
|
DHSV |
ダミー安全弁 |
|
|
|
|
2326 |
|
|
|
|
|
|
|
2327 |
|
|
|
|
|
|
|
2328 |
|
|
|
|
|
|
|
2329 |
|
|
|
|
|
|
|
2330 |
|
|
|
|
|
|
| 2331 |
2331 |
|
RGIB |
リングブラインド |
|
Ring_Insert_Blind |
|
| 2332 |
2332 |
|
ESV |
終点安全弁 |
|
End_Safety_Valve |
|
|
2333 |
|
|
|
|
|
|
|
2334 |
|
|
|
|
|
|
|
2335 |
|
|
|
|
|
|
|
2336 |
|
|
|
|
|
|
|
2337 |
|
|
|
|
|
|
|
2338 |
|
|
|
|
|
|
|
2339 |
|
|
|
|
|
|
|
2340 |
|
|
|
|
|
|
|
2341 |
|
|
|
|
|
|
|
2342 |
|
|
|
|
|
|
|
2343 |
|
|
|
|
|
|
|
2344 |
|
|
|
|
|
|
|
2345 |
|
|
|
|
|
|
|
2346 |
|
|
|
|
|
|
|
2347 |
|
|
|
|
|
|
|
2348 |
|
|
|
|
|
|
|
2349 |
|
|
|
|
|
|
|
2350 |
|
|
|
|
|
|
|
2351 |
|
|
|
|
|
|
|
2352 |
|
|
|
|
|
|
|
2353 |
|
|
|
|
|
|
| 2301 |
2354 |
2304 |
V._J |
弁ジャケット |
|
Valve_jacket |
|
|
2355 |
|
|
|
|
|
|
|
2356 |
|
|
|
|
|
|
|
2357 |
|
|
|
|
|
|
|
2358 |
|
|
|
|
|
|
|
2359 |
|
|
|
|
|
|
| 2307 |
2360 |
2310 |
V._S |
弁セミジャケット |
|
Valve_semi_jacket |
|
一般付属品
説明
- シンボル一覧の構成は以下のとおりです。

- シンボル図形の寸法数値は、P1のパラメータ値の係数です。
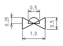
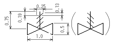
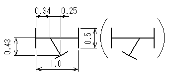
No.2201,2401,2451:三方ボール弁
| 機能コード |
反転シンボルNo. |
MNC |
スケールデフォルト値 |
| 2201 |
|
3WBV |
P1: [ 6 ] mm |
No.2202,2402,2452:三方コック弁
| 機能コード |
反転シンボルNo. |
MNC |
スケールデフォルト値 |
| 2202 |
|
3WCK |
P1: [ 6 ] mm |
No.2203:四方ボール弁
| 機能コード |
反転シンボルNo. |
MNC |
スケールデフォルト値 |
| 2203 |
|
4W.B |
P1: [ 6 ] mm |
No.2204:四方コック弁
| 機能コード |
反転シンボルNo. |
MNC |
スケールデフォルト値 |
| 2204 |
|
4W.C |
P1: [ 6 ] mm |
No.2205,2405:フロート弁
| 機能コード |
反転シンボルNo. |
MNC |
スケールデフォルト値 |
| 2205 |
|
FL.V |
P1: [ 6 ] mm |
No.2206,2406:アングルフロート
| 機能コード |
反転シンボルNo. |
MNC |
スケールデフォルト値 |
| 2206 |
|
ANGL |
P1: [ 3 ] mm |
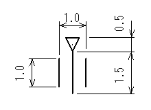
No.2207,2407:45゜タンク弁
| 機能コード |
反転シンボルNo. |
MNC |
スケールデフォルト値 |
| 2207 |
|
TV45 |
P1: [ 6 ] mm |
No.2208:ワンダー弁
| 機能コード |
反転シンボルNo. |
MNC |
スケールデフォルト値 |
| 2208 |
|
WAND |
P1: [ 6 ] mm |
No.2209:プレート弁
| 機能コード |
反転シンボルNo. |
MNC |
スケールデフォルト値 |
| 2209 |
|
PL.V |
P1: [ 3 ] mm |
No.2210,2410:ダイバータ弁
| 機能コード |
反転シンボルNo. |
MNC |
スケールデフォルト値 |
| 2210 |
|
DV.V |
P1: [ 6 ] mm |
No.2211,2411:背圧弁
| 機能コード |
反転シンボルNo. |
MNC |
スケールデフォルト値 |
| 2211 |
2411 |
B.PV |
P1: [ 6 ] mm |
No.2212,2432:減圧弁
| 機能コード |
反転シンボルNo. |
MNC |
スケールデフォルト値 |
| 2212 |
2432 |
R.PV |
P1: [ 6 ] mm |
No.2213:差圧弁
| 機能コード |
反転シンボルNo. |
MNC |
スケールデフォルト値 |
| 2213 |
|
D.PV |
P1: [ 6 ] mm |
No.2214:緊急遮断弁
| 機能コード |
反転シンボルNo. |
MNC |
スケールデフォルト値 |
| 2214 |
|
E.VA |
P1: [ 6 ] mm |
No.2215:多方弁
| 機能コード |
反転シンボルNo. |
MNC |
スケールデフォルト値 |
| 2215 |
|
MW.V |
P1: [ 6 ] mm |
No.2216:特殊弁
| 機能コード |
反転シンボルNo. |
MNC |
スケールデフォルト値 |
| 2216 |
|
SVLV |
P1: [ 6 ] mm |
No.2217:排気弁
| 機能コード |
反転シンボルNo. |
MNC |
スケールデフォルト値 |
| 2217 |
|
EX.V |
P1: [ 6 ] mm |
No.2218:フート弁
| 機能コード |
反転シンボルNo. |
MNC |
スケールデフォルト値 |
| 2218 |
|
FT.V |
P1: [ 3 ] mm |
No.2219,2419:安全弁
| 機能コード |
反転シンボルNo. |
MNC |
スケールデフォルト値 |
| 2219 |
|
SV |
P1: [ 3 ] mm |
No.2220,2420:直進安全弁
| 機能コード |
反転シンボルNo. |
MNC |
スケールデフォルト値 |
| 2220 |
|
S.SV |
P1: [ 6 ] mm |
No.2221:呼吸弁
| 機能コード |
反転シンボルNo. |
MNC |
スケールデフォルト値 |
| 2221 |
|
BR.V |
P1: [ 5 ] mm |
No.2222:120゜三方ボール弁
| 機能コード |
反転シンボルNo. |
MNC |
スケールデフォルト値 |
| 2222 |
|
120 |
P1: [ 3 ] mm |
No.2223,2423:Y型ストレーナ
| 機能コード |
反転シンボルNo. |
MNC |
スケールデフォルト値 |
| 2223 |
|
Y.ST |
P1: [ 6 ] mm |
No.2224:バケットストレーナ
| 機能コード |
反転シンボルNo. |
MNC |
スケールデフォルト値 |
| 2224 |
|
B.ST |
P1: [ 6 ] mm |
No.2225,2433:コーン型ストレーナ
| 機能コード |
反転シンボルNo. |
MNC |
スケールデフォルト値 |
| 2225 |
2433 |
C.ST |
P1: [ 6 ] mm |
No.2226:直進ストレーナ
| 機能コード |
反転シンボルNo. |
MNC |
スケールデフォルト値 |
| 2226 |
|
S.ST |
P1: [ 6 ] mm |
No.2227,2434:蒸気トラップ
| 機能コード |
反転シンボルNo. |
MNC |
スケールデフォルト値 |
| 2227 |
2434 |
TRAP |
P1: [ 6 ] mm |
No.2228:フレキ.チューブ
| 機能コード |
反転シンボルNo. |
MNC |
スケールデフォルト値 |
| 2228 |
|
FLEX |
P1: [ 12 ] mm |
No.2229:伸縮継手
| 機能コード |
反転シンボルNo. |
MNC |
スケールデフォルト値 |
| 2229 |
|
EXPN |
P1: [ 12 ] mm |
No.2230:消音器
| 機能コード |
反転シンボルNo. |
MNC |
スケールデフォルト値 |
| 2230 |
|
SILN |
P1: [ 12 ] mm |
No.2231,2431:加速管
| 機能コード |
反転シンボルNo. |
MNC |
スケールデフォルト値 |
| 2231 |
|
F.NZ |
P1: [ 20 ] mm |
No.2232:遠隔継手
| 機能コード |
反転シンボルNo. |
MNC |
スケールデフォルト値 |
| 2232 |
|
REMO |
P1: [ 6 ] mm |
No.2233:閉止フランジ
| 機能コード |
反転シンボルNo. |
MNC |
スケールデフォルト値 |
| 2233 |
|
B.FL |
P1: [ 3 ] mm |
No.2234:ホース継手
| 機能コード |
反転シンボルNo. |
MNC |
スケールデフォルト値 |
| 2234 |
|
HOSE |
P1: [ 3 ] mm |
No.2235:屋外消火栓
| 機能コード |
反転シンボルNo. |
MNC |
スケールデフォルト値 |
| 2235 |
|
HYDR |
P1: [ 4 ] mm |
No.2236:屋内消火栓
| 機能コード |
反転シンボルNo. |
MNC |
スケールデフォルト値 |
| 2236 |
|
HYDR |
P1: [ 2 ] mm |
No.2237:ファンネル
| 機能コード |
反転シンボルNo. |
MNC |
スケールデフォルト値 |
| 2237 |
|
FUNN |
P1: [ 8 ] mm |
No.2238:フローサイト
| 機能コード |
反転シンボルNo. |
MNC |
スケールデフォルト値 |
| 2238 |
|
FSG |
P1: [ 6 ] mm |
No.2239,2435:破裂板
| 機能コード |
反転シンボルNo. |
MNC |
スケールデフォルト値 |
| 2239 |
2435 |
RUPT |
P1: [ 2 ] mm |
No.2240:フレームアレスタ
| 機能コード |
反転シンボルNo. |
MNC |
スケールデフォルト値 |
| 2240 |
|
FLAM |
P1: [ 3 ] mm |
No.2241:スプレーノズル
| 機能コード |
反転シンボルNo. |
MNC |
スケールデフォルト値 |
| 2241 |
|
SPRA |
P1: [ 3 ] mm |
No.2242:制限オリフィス
| 機能コード |
反転シンボルNo. |
MNC |
スケールデフォルト値 |
| 2242 |
|
RO |
P1: [ 6 ] mm |
No.2243:眼鏡閉止板
| 機能コード |
反転シンボルNo. |
MNC |
スケールデフォルト値 |
| 2243 |
|
SB |
P1: [ 6 ] mm |
No.2244:差閉止板
| 機能コード |
反転シンボルNo. |
MNC |
スケールデフォルト値 |
| 2244 |
|
IB |
P1: [ 6 ] mm |
No.2245:ボールジョイント
| 機能コード |
反転シンボルNo. |
MNC |
スケールデフォルト値 |
| 2245 |
|
BJ |
P1: [ 1.5 ] mm |
No.2246,2436:キャップ
| 機能コード |
反転シンボルNo. |
MNC |
スケールデフォルト値 |
| 2246 |
2436 |
CAP |
P1: [ 3 ] mm |
No.2247,2437:キャップ
| 機能コード |
反転シンボルNo. |
MNC |
スケールデフォルト値 |
| 2246 |
2437 |
CAP |
P1: [ 3 ] mm |
No.2248:レジューサ
※1990年より未使用
機能シンボル:2012に使用統一のため
このCodeは永久に使用不可
| 機能コード |
反転シンボルNo. |
MNC |
スケールデフォルト値 |
| 2248 |
|
REDU |
P1: [ 3 ] mm |
No.2249,2449,2453,2459,2460:ベント
| 機能コード |
反転シンボルNo. |
MNC |
スケールデフォルト値 |
| 2249 |
|
VENT |
P1: [ 6 ] mm |
No.2250,2450:Uシール
| 機能コード |
反転シンボルNo. |
MNC |
スケールデフォルト値 |
| 2250 |
|
US |
P1: [ 10 ] mm |
No.2251:レジューサ
※1990年より未使用
機能シンボル:2013に使用統一のため
このCodeは永久に使用不可
| 機能コード |
反転シンボルNo. |
MNC |
スケールデフォルト値 |
| 2251 |
|
REDU |
P1: [ 3 ] mm |
No.2252:蓄圧器
| 機能コード |
反転シンボルNo. |
MNC |
スケールデフォルト値 |
| 2252 |
|
ACCU |
P1: [ 15 ] mm |
No.2253:ベント
| 機能コード |
反転シンボルNo. |
MNC |
スケールデフォルト値 |
| 2249 |
|
VENT |
P1: [ 6 ] mm |
No.2254:特殊付属品
| 機能コード |
反転シンボルNo. |
MNC |
スケールデフォルト値 |
| 2254 |
|
SPAC |
P1: [ 4 ] mm |
No.2255:特殊付属品
| 機能コード |
反転シンボルNo. |
MNC |
スケールデフォルト値 |
| 2255 |
|
SPAC |
P1: [ 2 ] mm |
No.2256:特殊付属品
| 機能コード |
反転シンボルNo. |
MNC |
スケールデフォルト値 |
| 2256 |
|
SPAC |
P1: [ 6 ] mm |
No.2257:溶接記号
| 機能コード |
反転シンボルNo. |
MNC |
スケールデフォルト値 |
| 2257 |
|
WELD |
P1: [ 1.5 ] mm |
No.2258:金網
| 機能コード |
反転シンボルNo. |
MNC |
スケールデフォルト値 |
| 2258 |
|
MNET |
P1: [ 3 ] mm |
No.2259:ベント(金網出口)
| 機能コード |
反転シンボルNo. |
MNC |
スケールデフォルト値 |
| 2249 |
|
VENT |
P1: [ 6 ] mm |
No.2260:ベント(キャップ出口)
| 機能コード |
反転シンボルNo. |
MNC |
スケールデフォルト値 |
| 2249 |
|
VENT |
P1: [ 6 ] mm |
No.2261:特殊付属品
| 機能コード |
反転シンボルNo. |
MNC |
スケールデフォルト値 |
| 2262 |
|
SPAC |
P1: [ 6 ] mm |
No.2262:特殊付属品
| 機能コード |
反転シンボルNo. |
MNC |
スケールデフォルト値 |
| 2262 |
|
SPAC |
P1: [ 6 ] mm |
No.2263:ポット(水抜き)
| 機能コード |
反転シンボルNo. |
MNC |
スケールデフォルト値 |
| 2290 |
|
POT |
P1: [ 3 ] mm |
No.2264:サイトグラス(のぞき窓)
| 機能コード |
反転シンボルNo. |
MNC |
スケールデフォルト値 |
| 2291 |
|
SG |
P1: [ 6 ] mm |
No.2265:特殊付属品
| 機能コード |
反転シンボルNo. |
MNC |
スケールデフォルト値 |
| 2256 |
|
SPAC |
P1: [ 3 ] mm |
No.2266:偏心付属品
| 機能コード |
反転シンボルNo. |
MNC |
スケールデフォルト値 |
| 2266 |
|
SEPA |
P1: [ ] mm |
No.2267:ダンパ
| 機能コード |
反転シンボルNo. |
MNC |
スケールデフォルト値 |
| 2267 |
|
DAMP |
P1: [ 6 ] mm |
No.2268:異径フランジ
| 機能コード |
反転シンボルNo. |
MNC |
スケールデフォルト値 |
| 2268 |
|
RE'G |
P1: [ 3 ] mm |
No.2269:異径フランジ
| 機能コード |
反転シンボルNo. |
MNC |
スケールデフォルト値 |
| 2268 |
|
RE'G |
P1: [ 3 ] mm |
No.2270:プラグ
| 機能コード |
反転シンボルNo. |
MNC |
スケールデフォルト値 |
| 2270 |
|
PLUG |
P1: [ 3 ] mm |
No.2271:T型ストレーナ
| 機能コード |
反転シンボルNo. |
MNC |
スケールデフォルト値 |
| 2271 |
|
T.ST |
P1: [ 6 ] mm |
No.2272:L型ストレーナ
| 機能コード |
反転シンボルNo. |
MNC |
スケールデフォルト値 |
| 2272 |
|
L.ST |
P1: [ ] mm |
No.2273:直進ミキサ
| 機能コード |
反転シンボルNo. |
MNC |
スケールデフォルト値 |
| 2273 |
|
S.MX |
P1: [ ] mm |
No.2274:フレキチューブ 段差
| 機能コード |
反転シンボルNo. |
MNC |
スケールデフォルト値 |
| 2274 |
|
ECFX |
P1: [ ] mm |
No.2275:フレキチューブ 曲り
| 機能コード |
反転シンボルNo. |
MNC |
スケールデフォルト値 |
| 2275 |
|
C.FX |
P1: [ ] mm |
No.2276:エアーフォームチャンバ
| 機能コード |
反転シンボルNo. |
MNC |
スケールデフォルト値 |
| 2276 |
|
L.AF |
P1: [ ] mm |
No.2277:ライザーストレーナ
| 機能コード |
反転シンボルNo. |
MNC |
スケールデフォルト値 |
| 2277 |
|
R.ST |
P1: [ ] mm |
No.2278:Y型ミキサ
| 機能コード |
反転シンボルNo. |
MNC |
スケールデフォルト値 |
| 2278 |
|
Y.MX |
P1: [ ] mm |
No.2279:L型ブリーザ弁
| 機能コード |
反転シンボルNo. |
MNC |
スケールデフォルト値 |
| 2279 |
|
L.BR |
P1: [ ] mm |
No.2280:水抜栓
| 機能コード |
反転シンボルNo. |
MNC |
スケールデフォルト値 |
| 2280 |
|
L.DR |
P1: [ ] mm |
No.2281:付属仕切弁
| 機能コード |
反転シンボルNo. |
MNC |
スケールデフォルト値 |
| 2281 |
|
A.GA |
P1: [ 6 ] mm |
No.2282:付属玉形弁
| 機能コード |
反転シンボルNo. |
MNC |
スケールデフォルト値 |
| 2282 |
|
A.GL |
P1: [ 6 ] mm |
No.2283:付属逆止弁
| 機能コード |
反転シンボルNo. |
MNC |
スケールデフォルト値 |
| 2283 |
|
A.CH |
P1: [ 6 ] mm |
No.2284:付属ニードル弁
| 機能コード |
反転シンボルNo. |
MNC |
スケールデフォルト値 |
| 2284 |
|
A.NE |
P1: [ 6 ] mm |
No.2285:付属ボール弁
| 機能コード |
反転シンボルNo. |
MNC |
スケールデフォルト値 |
| 2285 |
|
A.BA |
P1: [ 6 ] mm |
No.2286:付属ダイヤフラム弁
| 機能コード |
反転シンボルNo. |
MNC |
スケールデフォルト値 |
| 2286 |
|
A.DI |
P1: [ 6 ] mm |
No.2287:ダブルストレーナ
| 機能コード |
反転シンボルNo. |
MNC |
スケールデフォルト値 |
| 2287 |
|
W.ST |
P1: [ 6 ] mm |
No.2288,2438:付属バタフライ弁
| 機能コード |
反転シンボルNo. |
MNC |
スケールデフォルト値 |
| 2288 |
2438 |
A.BU |
P1: [ 6 ] mm |
No.2289:付属Y形弁
| 機能コード |
反転シンボルNo. |
MNC |
スケールデフォルト値 |
| 2289 |
|
A.YT |
P1: [ ] mm |
No.2292:付属コック弁
| 機能コード |
反転シンボルNo. |
MNC |
スケールデフォルト値 |
| 2292 |
|
A.CO |
P1: [ 6 ] mm |
No.2293:付属ピンチ弁
| 機能コード |
反転シンボルNo. |
MNC |
スケールデフォルト値 |
| 2293 |
|
A.PI |
P1: [ 6 ] mm |
No.2296:曲り付属品
| 機能コード |
反転シンボルNo. |
MNC |
スケールデフォルト値 |
| 2296 |
|
C.PA |
P1: [ ] mm |
No.2297:分岐付属品
| 機能コード |
反転シンボルNo. |
MNC |
スケールデフォルト値 |
| 2297 |
|
B.PA |
P1: [ ] mm |
No.2298:マルチ付属品
| 機能コード |
反転シンボルNo. |
MNC |
スケールデフォルト値 |
| 2298 |
|
M.PA |
P1: [ ] mm |
No.2299:分岐接続付属品
| 機能コード |
反転シンボルNo. |
MNC |
スケールデフォルト値 |
| 2299 |
|
B.CA |
P1: [ ] mm |
配管付属品シンボル(アクセサリ)
No.2301:弁ジャケット(上下)
| 機能コード |
反転シンボルNo. |
MNC |
スケールデフォルト値 |
| 2301 |
|
V.JA |
P1: [ 6 ] mm |
No.2302:弁ジャケット(上 左右下)
| 機能コード |
反転シンボルNo. |
MNC |
スケールデフォルト値 |
| 2301 |
|
V.JA |
P1: [ 6 ] mm |
No.2303:弁ジャケット(左右上下)
| 機能コード |
反転シンボルNo. |
MNC |
スケールデフォルト値 |
| 2301 |
|
V.JA |
P1: [ 6 ] mm |
No.2304:弁ジャケット(上左(上右))
| 機能コード |
反転シンボルNo. |
MNC |
スケールデフォルト値 |
| 2301 |
|
V.JA |
P1: [ 6 ] mm |
No.2305:弁遠隔ハンドル
| 機能コード |
反転シンボルNo. |
MNC |
スケールデフォルト値 |
| 2305 |
|
V.EX |
P1: [ 3 ] mm |
No.2306:弁付属プラグ
| 機能コード |
反転シンボルNo. |
MNC |
スケールデフォルト値 |
| 2306 |
|
V.PL |
P1: [ 2 ] mm |
No.2307:弁セミジャケット
| 機能コード |
反転シンボルNo. |
MNC |
スケールデフォルト値 |
| 2307 |
|
V._S |
P1: [ 6 ] mm |
No.2308:弁セミジャケット
| 機能コード |
反転シンボルNo. |
MNC |
スケールデフォルト値 |
| 2307 |
|
V._S |
P1: [ 6 ] mm |
No.2309:弁セミジャケット
| 機能コード |
反転シンボルNo. |
MNC |
スケールデフォルト値 |
| 2307 |
|
V._S |
P1: [ 6 ] mm |
No.2310:弁セミジャケット
| 機能コード |
反転シンボルNo. |
MNC |
スケールデフォルト値 |
| 2307 |
|
V._S |
P1: [ 6 ] mm |
No.2311:弁作動装置
| 機能コード |
反転シンボルNo. |
MNC |
スケールデフォルト値 |
| 2311 |
|
V._A |
P1: [ 3 ] mm |
No.2312:ダミーノズル
| 機能コード |
反転シンボルNo. |
MNC |
スケールデフォルト値 |
| 2312 |
|
DNZP |
P1: [ ] mm |
No.2313:インサートノズル
| 機能コード |
反転シンボルNo. |
MNC |
スケールデフォルト値 |
| 2313 |
|
INZL |
P1: [ ] mm |
No.2314:眼鏡閉止板(常開)
| 機能コード |
反転シンボルNo. |
MNC |
スケールデフォルト値 |
| 2314 |
|
SBO |
P1: [ 6 ] mm |
No.2315:眼鏡閉止板(常閉)
| 機能コード |
反転シンボルNo. |
MNC |
スケールデフォルト値 |
| 2315 |
|
SBC |
P1: [ 6 ] mm |
No.2316:両クランプ
| 機能コード |
反転シンボルNo. |
MNC |
スケールデフォルト値 |
| 2316 |
|
D.CL |
P1: [ 3 ] mm |
No.2317:単クランプ
| 機能コード |
反転シンボルNo. |
MNC |
スケールデフォルト値 |
| 2317 |
|
S.CL |
P1: [ 3 ] mm |
No.2318:ダミーフレキ
| 機能コード |
反転シンボルNo. |
MNC |
スケールデフォルト値 |
| 2318 |
|
DMFX |
P1: [ ] mm |
No.2319:ダミー水抜栓
| 機能コード |
反転シンボルNo. |
MNC |
スケールデフォルト値 |
| 2319 |
|
DMDR |
P1: [ ] mm |
No.2320:L型サイズ変化弁
| 機能コード |
反転シンボルNo. |
MNC |
スケールデフォルト値 |
| 2320 |
|
LSCV |
P1: [ ] mm |
No.2321:常時閉
| 機能コード |
反転シンボルNo. |
MNC |
スケールデフォルト値 |
| 2321 |
|
CLOS |
P1: [ 6 ] mm |
No.2322:常時閉(バタ弁用)
| 機能コード |
反転シンボルNo. |
MNC |
スケールデフォルト値 |
| 2322 |
|
CLOS |
P1: [ 6 ] mm |
No.2325:ダミー安全弁
| 機能コード |
反転シンボルNo. |
MNC |
スケールデフォルト値 |
| 2325 |
|
DHSV |
P1: [ ] mm |
No.2331:リングブラインド
| 機能コード |
反転シンボルNo. |
MNC |
スケールデフォルト値 |
| 2331 |
|
RGIB |
P1: [ ] mm |
No.2332:終点安全弁
| 機能コード |
反転シンボルNo. |
MNC |
スケールデフォルト値 |
| 2332 |
|
ESV |
P1: [ ] mm |
No.2354:弁ジャケット
| 機能コード |
反転シンボルNo. |
MNC |
スケールデフォルト値 |
| 2301 |
2304 |
V._J |
P1: [ 6 ] mm |
No.2360:弁セミジャケット
| 機能コード |
反転シンボルNo. |
MNC |
スケールデフォルト値 |
| 2307 |
2310 |
V._S |
P1: [ 6 ] mm |