1202 配管基本属性
配管ラインの属性と分類
配管ラインの属性
- 配管ラインは一般に以下のような属性を持ちます。
- 配管の仕様及び流体の種類、状態を表示するラインマークの例を下記に示します。
例)

ラインマークの各要素の順番については、ラインマークレイヤにフラグ:1~8のタイプが用意されています。
これら以外の様式を使用する場合はレイヤフラグ9でUser定義ラインマークを設定します。
- 1本のラインは「流体-ラインNo.」で判別します。ここの流体とは流体属性を示し、File記録上はCodeになります。
別流体であれば同一ラインNo.でも構いませんが、同一流体の配管は全て異なる正の値のラインNo.であることを標準とします。
- 1本のラインは途中でサイズとクラスは何回でも変わり得ますが「流体-ラインNo.」はそのラインの始点から終点まで変わりません。
- ラインマーク内のパイプサイズ、クラス、保温保冷の表示ルール
Mrout、pid、export、リスト系 ライン始点 干渉チェック ライン中の最大長 - ラインNo.は1~32700の範囲の“数字の値”です。
0010と010と10は全て同じラインNo.(値)であり、このような使い分けはできません。
ラインマーク上の表記は999以下の場合、009、099の様な3桁表示が標準で、これ以外はUser定義をします。
1本のラインとは
- ひとふで書きで追えるラインであり、分岐ラインは別の配管ラインデータとなります。
- 以下の例で1本の矢印で追ってある部分が1ラインであり、別矢印は別ラインとなります。
(矢印は流れ方向とは関係ありません)この時、ラインNo.は一般に別々のラインNo.をとります。

配管ラインの分類
配管ラインは以下の5種に分類されます。その区分内容とラインNo.の設定要領を以下に示します。
| 分類 | 内容 | ラインNo.の設定要領 | |
|---|---|---|---|
| 1) | メインライン | 機器のノズルからノズルまでを結ぶような主たるラインでプロセスフローシート上に書かれるライン | 010から32000まで、10番おきにとり、末尾1ケタは0とするのを標準とします。 |
| 2) | サブライン |
CVセット、流量計、熱交のバイパスライン等、プラントの運転管理上必要になるライン 最終的なP&ID上に書かれるライン |
メインラインの番号の末尾を1から9に変えた番号、つまりメインラインが1010のとき1011、1012、1013。とするのを標準とします。 |
| 3) | マイナスNo. ライン |
特に、ラインインデックス上に記載、管理される必要がなく典型的なスタイルをもたない配管ライン | 配管モデルを作成したときに'-999'と入力しますとマイナスのNo.がそのLu#の中でユニークに付番されます。 |
| 4) | スタイルカタログ ライン |
圧力計,温度計付きノズルや,ドレン,ベント、オリフィスタップ等のこのシステムに設定された一定の典型的なスタイルをもつ配管ライン | スタイルカタログラインについては、このメニューを選んで、モデル化した時点で自動的にマイナスのNo.がそのLu#の中でユニークに付番されます。また、このラインには別個にスタイルカタログCode(ICAT)が自動的に各スタイル別に付番されます。 |
| 5) | 機器付カタログ ライン |
機器付で母管を持たないカタログライン 他のラインと接続せずマイナスのラインNo.を持つ |
自動スプール図付番機能により付番されます。 詳細は、15-05-4-1~4-4を参照願います。 |
配管入力でスプール図番の指定はこの1)と2)のラインに設定することにより3)、4)のラインはそれが分岐する母管のスプール図番となります。
その他のライン属性についての補足
- また、ラインマーク中の表示するラインNo.が同一ネットワーク内で個々に区分できない場合等は、User定義ラインマークの各種方式を利用し、千位以上、万位以上の値や位を表示しないモードや、トレーンNo.をラインマーク内のライン番号とする方式を利用します。
- サブラインも常に別々の正の値として入力設定することにより、各種ラインインデックス上にFrom-Toの情報付きで出力されます。
- EYEPID(P&IDシステム)と配管ラインのデータの整合チェックを行う場合は、このチェック機能自体が配管ラインの中でP&IDと3Dのたがいに“流体記号ー(正の値の)ラインNo.”を持つ配管ラインどうしのみを対象に行いますので、チェックにかける配管は必ず正のNo.にする必要があります。
-
3D Data保存時に配管エラーチェック(mrcnv.exe)が起動し、配管ライン属性が以下の様に変更されます。
- ラインNo.に正の値が設定されているラインのカタログNo.を0に変更します。
- マイナスラインのスプール図番、流体、スペッククラスを母管と同一にします。
ただし、始点・終点共に別ラインに接続しているマイナスラインの場合、スプール図番は、スプール図番=0の時のみ、
流体は、流体記号=未設定の時のみ変更します。
管理しやすい一般的なラインNo.の採番の仕方

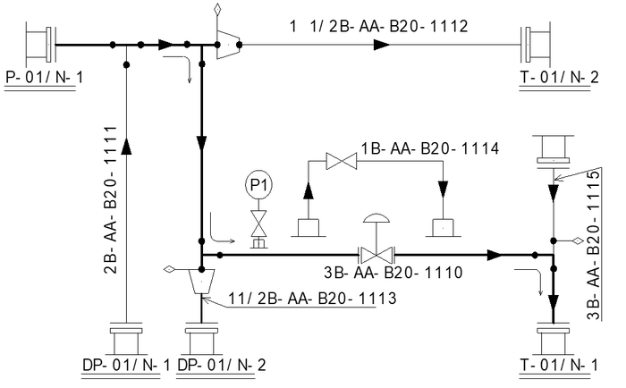
- 上記の例は“AA-1110”のラインをメインラインと考えて、太線で表示したもので、1111から1115の各ラインをサブラインとしています。
- ラインNo.が1114のようなバイパスラインを母管の1110と同一のラインNo.としてラインマーク表示とする場合は、バイパスのラインNo.を11110として、ユーザ定義ラインマークでラインNo.部のパターンをLIMCNOとしますと万位が非表示となり、またLI10NOとすると10000以上のラインNo.は非表示となり、サイズ-流体-クラスのラインマークの表示となります。
- 1110~1115までの全てのNo.の表示を1110とするような場合は、トレーンNo.を全て1110とし、ラインマーク上にはトレーンNo.を表記します。
- 極力常にカタログ以外のラインNo.は正の32,700以内の数字として、各配管ラインがユニークな流体-正のラインNo.として、AXXX(BS)の各種バッチFileでの処理でシステムが判断できるようにします。
- mrad等のAXXX(BS)やmrmrgの配管ラインのバッチ処理を利用する段階では、全ての配管ラインに必ず流体-ラインNo.(0以外)が設定されていなければなりません。
- mradのALCTを作成しますと、流体記号が設定されていないラインはaaaaaaとして表示されますので、必ずそのプラントで設定された流体群から入力して下さい。
- 2重管については必ず内管と外管に別の流体(流体Code)を入力して下さい。
また、断熱記号は外管に入力して下さい。
- スプール図では、Teeによる分岐部における1ラインの経路を明確にするために分岐方向に抜けたり、分岐から入る場合には
のように分岐ラインにはピンをたてたシンボルパターンを使用しています。
配管経路取りの禁止事項
下記のように自分自身のラインに始点、終点を接続させることはパイプ長の計算に不具合が発生しますので、システム処理上禁止とさせていただきます。
※画像を選択すると拡大表示します。
別図処理をすることで正しいパイプ長が集計されます。
※画像を選択すると拡大表示します。
パイプラン、配管ピースの意味
- パイプランとは、1配管ライン中の同一クラス、同一サイズの部分を1つのパイプランと呼びます。
サイズ変化する部品は上流側に含みます。
ラインインデックス(l_3dll,i_pill)、塗装表面積(l_3dpt)、工事量集計(l_3dce)、パイプランリスト(l_3dpr)はこのパイプラン別に集計出力します。
- 配管ピースはプレハブをする単位での区分で、材料はカットパイプと継手、単体フランジだけで、一般弁、付属品、計装品、ボルト/ナット、ガスケットは含まれません。
詳細はヘルプマニュアル15-15-1-1を参照してください。
- 下の例では配管ラインは2ライン、パイプランは6パイプラン、配管ピースは6ピースあります。
注) パイプラン:PR、配管ピース:Pc

配管の基本構成要素
配管を構成する要素は以下のように分類されます。
| 区分 | IFKBN | 種類例(カッコ内AN4文字は機能記号) (個別部品は複数の区分に該当する場合もある) |
仕様決定要件 詳細参照Page |
||
|---|---|---|---|---|---|
| パイプ/ニップル類 | パイプ類 | 無 | (切断)パイプ,現合パイプ
パイプ計(Spool図材料欄内にのみ同一仕様パイプの集計) 定尺パイプ,残パイプ(パイプカットプラン時に集計表記) |
配管材料基準(PMS)の該当スペッククラスとサイズによりその1品の内容(呼び圧、厚さ、材質、規格、注記)が決定されるが両端の接続形式はそれぞれの接続する配管部品の接続形式により決定される。
14-03-x-y 1部の品目-規格のニップルはクラス設定のままの物もある 14-03-8-2 |
|
| ニップル類 | 0 | ニップル、パイプニップル | |||
| Tracer管部品(自動集計) | 無 | Tracerとしてのパイプ、Tube、緊縛バンド、バンド締結金具
ティー、カップリング、コネクタ、ユニオン |
配管タイプがトレースドの母管にCNST P093,P094に指定する
Trace Type Code,条件とTracer管クラスにより自動集計される 14-03-9-x |
||
| 0 | |||||
| 配管部品 | 継手類 | 継手 | 0 | 各種ニップル、カップリング,ソケット,クランプ,レジュ-サ,スタブエンド,ヘルール,エルボ,成形ベンド,ティ-,ボス,プラグ,キャップ, | PMSの該当スペッククラスとサイズによりその1品の内容(呼び圧、厚さ、接続形状、材質、規格、注記)が決定されます。 |
| フランジ類 | 5 | フランジ、クランプ | |||
| 0 | 閉止フランジ | ||||
| BNG類 | 無 | ボルト,ナット,座金、ガスケット(自動集計)
14-05-x-y |
|||
| 自動発生部品 | 5 | (相)フランジ、スタブエンド、(各種特殊)ヘルール | 特にモデルに入力することなく、発生元となる機能Codeの入力で自動的に発生、集計される継手類 | ||
| 弁類 | 一般弁
Valve |
1 | 仕切弁,玉形弁,逆止弁,ニ-ドル弁,ボ-ル弁,ダイヤフラム弁,ベロ-弁,バタ弁,Y形弁,ピストン弁,真空弁,コック,ピンチ弁,ディスク弁 | スペッククラスとバルブタイプ,サイズおよびバルブ基準によりそのバルブの内容(呼び圧、厚さ、接続形状、材質、注記、面間やハンドル高等の各部寸法、タグ記号等)が決定されます。
02-13-x-y |
|
| 準一般弁 | 1 | 眼鏡板、蒸気トラップ、ストレーナ、防振継手、特殊弁 | 一般弁ではないが、1プラント内に同一仕様のものが複数配置されPMSの一般弁として登録、設定するのが便利なもの)
02-13-10-1 |
||
| 配管付属品
Accessory |
2 | 各種フレキシブルチューブ,エキスパンションジョイント,フロ-サイト,安全弁,各種ストレ-ナ,各種オリフィス,フ-ト弁,スチームトラップ | 各1品に対する各デ-タ要素の入力によりその内容(タイプ、タグNo.、接続形状、面間等各部寸法等)が与えられます。
EYEPIPE モデル入力 共通を参照してください。 |
||
| 接続変化シンボル(BxRc,BxGf,BxRp,BxSW,BxTS,BxBW)
(V10.00追加)(材集無) 各種部品にこれが付加されたものを「Set部品」と呼びます。 |
配管部品の上流、下流に付加設定することにより、入出の接続形式を変化させるシンボル | ||||
| 付属ノズル類
付属ノズル(ANZL)、付属オスノズル(AMNZ)(材集無) |
3Dモデル形状のある仮想ノズル
(既存機器モデルにノズル付加用) |
||||
|
マーク類 マーク、ウィープホール、タグ、通り芯 フロア貫通(FLOO)、壁貫通(WALL) フロア貫通(FCUT)、壁貫通(WCUT)(工事所掌変更用) |
スプール図に注記的表現用のマーク類
08-05-3-1 パイプを分断しない貫通マーク 08-05-3-1 パイプを分断する貫通マーク 08-05-5-4 |
||||
|
サポート点(計画)表示マーク(SHOE,RSHO,STOL等) |
サポート点計画用マーク 08-05-3-2~ |
||||
|
水槽終点(ECIS) |
|||||
| 計装品
Instrument |
3 | 各種流量計、液面計、調節弁,自動弁,圧力計,温度計,圧力伝達系部品(オス接続部品、ダンプナ、サイフォン管等) | 「12-10 外部Data取り込み」を参照 | ||
| 表示図形 | 4 |
機能変化点シンボル(以下事例) 突合せ溶接(BW)、フランジセット(FLGS),別図フランジ(FFLG) クランプセット(CLAM) レジューシングフランジ(SCFL,SEFL)、 |
各種部品形状、構成を表現、自動発生させる機能的シンボル この中には特にこの機能に対して表示されるシンボルが無いものもある。 「定尺管割り」を参照 「12-16 特殊配管系入力」を参照 「直進フランジ変化 異径フランジ使用法」などを参照 |
||
|
同心、偏心FERL発生CLAM接続(SCSA、SECL)(V9.10追加) |
「12-16 特殊配管系入力」を参照 |
||||
|
特殊FERL発生CLAM接続(1,2LFC,FR,FRc,CRc,HAC)(V9.10追加) |
「12-16 特殊配管系入力」を参照 |
||||
|
パイプ曲げ類(BEND)、 |
「曲げ配管」を参照 |
||||
|
フレキホース曲がり点(FXCP) |
「フレキシブルホース 配管付属品」を参照 |
||||
|
直付け分岐類(BDW等)Flange外周各種分岐(BRF,BWF,BPH) |
「オリフィスタップ定義」を参照 |
||||
|
空中開口(EPPO)、空中45°開口止め(E45O) 終点ファンネル(EFUN)、終点ピット(EPIT) |
08-05-4-2 08-05-4-3 |
||||
|
断熱クラス変更(INSC) |
「断熱仕様」を参照 |
||||
| 仮想ノズル類(NZF,NZS,NZSW,NZBW等) | 3Dモデル形状のない仮想ノズル(EYE機器モデル無(他Modelerで機器-ノズルを参照)で配管用)
08-05-4-10~ |
||||
| 仮想別図接続マーク(VBW,VSW,VSCR,VFLG,VTS,VDV等) | Spool図別図接続仮想表記用
08-05-4-4~ |
||||
| 断熱材
Insulation |
無 | 円筒形,エルボ成形品,不定形,外装材 | 断熱基準の各種の断熱クラスとサイズにより、断熱厚さが決定される方式と各配管ラインに直接断熱厚さを入力する方法が各配管ラインに直接断熱記号と厚さを設定する方法があります。
EYESPEC プラント属性、PMS設定を参照してください。 02-14-x-y |
||
配管部品の寸法デフォルト値
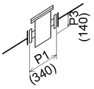
配管部品の立体シンボルには、最大5個、平面シンボル(配管スプール図用)には2個のパラメータが定義されています。
定義Fileとしては、立体シンボル:A(B)G(J)PSM3と平面シンボル:A(B)G(J)ISPRです。
- これらのFileにはデフォルトでそれぞれのパラメータに対し㎜値が設定されています。
3D配管上にこれらシンボルを置いた場合に、その配管の径にて決定されない部分のパラメータについては、その値が適用されます。
- 平面シンボルと立体シンボルのパラメータの関係は、平面シンボルの外長(一般に面間)が立体シンボルのP1、外径(一般に配管軸垂直方向の径)がP3に対応します。
立体シンボルのP2、P4、P5についてはそれぞれのシンボルによりその位置が設定されています。
-
これらのパラメータの位置はいままでは、EYECAD標準・シンボル形式、配管付属品:08-03-x-y、配管計装品:08-04-x-yを参照する必要がありましたが、V6.90以降は入力画面上に各部のパラメータが表示されるようになりました。
「未設定タグNo.一覧 入力操作」を参照
- 以下に配管付属品、計装品の寸法デフォルト値の例を平面シンボルの図形と立体シンボルのパラメータでいくつか示します。
( )内寸法がデフォルト値。
| 直進形例 | MNC
名称 |
CV
調節弁 |
C.ST
コーン型ストレーナ |
ORIF
オリフィス |
Y.ST
Y型ストレーナ |
S.ST
直進ストレーナ |
|---|---|---|---|---|---|---|
| P1=面間(端々長)
P3=ハンドル高 |
![]() |
![]() |
![]() |
![]() |
![]() |
|
| 曲進形例 | MNC
名称 |
SV
安全弁 |
TV45
45゜タンク弁 |
LROT
曲進ロータメータ |
||
| P1=曲がり後中端長
P3=曲がり前中端長 |
![]() |
![]() |
![]() |
|||
| 分岐形例 | MNC
名称 |
3DCV
三方調節弁 |
||||
| P1=端々長
P3=中枝端長 |
![]() |
|||||
| 止まり形例 | MNC
名称 |
PE,TE
圧力検出端,温度検出端 |
VENT
ベント |
|||
| P1=全長 | ![]() |
![]() |
溶接ルート間隔
PMSでのルート間隔長の設定機能追加により、この寸法列による設定方法は廃止となりました。
設定方法は、02-12-3-3 を参照してください。
配管 プロパティウィンドウ
- 3D編集操作画面にて1つの配管をClickしますと配管のプロパティウィンドウの中に、「10-01 3Dモデル入力 概要」の「各モデルプロパティ一覧」の一覧の仕様、属性項目が表示されます。
また、この一覧に示すように、各配管の各部の種類により2次選択で。適用される仕様、属性項目が変化、表示されます。
- 各部品の接続形式は「上流側接続形式」にて決定されます。
V9.10において、部品の1次、2次側の接続形式が変更可能(「入出の接続形式の異なる部品設定」などを参照)になりましたが、これはその接続変更機能を持った付属品をもう一つの部品として本体部品にSet部品として設定されます。それぞれが、「上流側接続形式」にて指定された接続形式を持ちます。
ゆえに「下流側接続形式」は現状自動的に、上流側の接続形式となり、別個に指定は不可で実質的には意味を持ちません。
- 接続形式はBG(J)ITEMにITEM Code=1601~1899の範囲で規定されています。
この部品(パイプ特有の接続以外)の接続形式が以下のPullDownMenuにて表示されますが、このITEM-Fileの「C1」の列(Category1)に「ED」の設定のあるものがMenu上に表記されます。(したがって各Projectで使用しない接続はあらかじめSpaceにしておくと選択が簡単になります)
- 接続形式の一覧はFLANGE(0)+その部品定義(ISPR)に現れる接続形式を一覧表示します。

以下の接続形式がある場合は優先で上位に現れます。
・FLANGE(0)
・SCRD(1621)
・TS(1626)
・SW(1631)
・BW(1632)
・WAFER(1800)
・CTJ(1887)
更にAG(J)ITEMを次の条件で絞り込んでCode順に現れます。
・Ends Codeが正数
・Ends Symbolが ** 以外
・Category1(ITEM-File「C1」の列)が「ED」
・オスメス判定Code(W#47、ITEM-File「MF」の列)が0
- 各部品の接続形式は「上流側接続形式」にて決定されます。
- V9.0x以降にオスの接続形状を持つ弁類が10種程度追加され、それに伴い以下のようにオスの接続形式が表記追加されました。
この、接続形式の記号の意味、使用範囲等は05-06-1-1~8-1の接続形式Code一覧を参照のこと。
また、A(B)JITEMの「C1」の"ED"を、このMenu上明らかに選択されない「C2」が"CP"や"PP"等の物を゛ "のSpaceに書き換えて表示させて表示した例を以下に示します。
この「C2」の欄の接続適用用途分類の内容は05-06-1-1を参照願います。

C2 V9.10 Menu追加、変更
意味 理由 Flange接続、無指定時Default AC 管用テーパめねじ端 AC テーパスリーブ AC さし込み溶接 AC 突合せ溶接 VL ウェハー接続 VL クランプ(接続) AL 追加 JIS管用テーパおねじ端 VL 追加 JIS管用平行おねじ端 PP 追加 拡管端 PF 追加 テーパ端 VL JIS管用平行めねじ端 AL JIS管用テーパおねじ端 AC JIS管用テーパめねじ端 VL カプラ接続 FG DV受口 AC くい込み接続(Tubing用) AC 記号変更(平端(部品用) (PE(1611)の管,ニップル類用と混同回避 SE 油圧用スタブエンド FG フランジヘルール - V6.92より配管部品選択時、「品目名称」プロパティを常に"名称+(Code)"で表示するようにしました。従来は継ぎ手部品のみ表示
- V6.90へJOBverupを行った場合の接続形式プロパティの注意点
V6.80.03以前に作成されたAJITEM.csvを使用している場合、接続形式Code1801~1899の接続形式の表示および設定が出来なくなります。
V6.84以前で設定済みのMroutのプロパティ欄の上流側接続形式、下流側接続形式の表示が消えてしまいます。
※配管内部Dataはそのまま保持されているため、材料集計等には問題はありません。

以下の例の様にAJITEM.csvのITEM Code1801~1899のC1列「VE」を「ED」に修正して下さい。
-1 -1
EYESPEC 接続形式
C1 C2 BG IT EM Engineering K_ENGINEERING_TERM
Term C_ENGINEERING_TERM_ORIGIN_EXPLAIN
1801 WAFER ED VL 0 ウェハー Wafer Type 1802 WAFER 5K FF ED VL 0 ウェハー 5K FF Wafer Type 5K Flat Face 1803 WAFER 5K RF ED VL 0 ウェハー 5K RF Wafer Type 5K Raised Face ・ ・ ・ ・ ・ ・ ・ ・ ・ ・ ・ ・ 1818 10K RF ED VL 0 10Kフランジ RF 10K FLG Raised Face ・ ・ ・ ・ ・ ・ ・ ・ ・ ・ ・ ・ 1897 70K CTJ ED VL 0 70K クランプ 70K Clamp Type Joint 1898 ** ED VL 0 ** : AJITEM.csvを変更後はCSV,XLS Data ⇔ Binary DataでBJITEMへの変換を行って下さい。正しく表示されるようになります。

- V6.70より配管一般弁選択時「バルブCode」と「バルブ記号」プロパティを追加しました。
- V6.52.02にて、配管プロパティで「スペック、JOB区分、接続形式の表示形式を“シンボル名(Code)”に変更しました。
(従来はシンボル名だけの表示)実際設定されているCodeを容易に確認できるようにしました。
- V6.51よりダイアログ、メニュー、プロパティに現れる「スプール図番」という文字列を「スプール連番」に変更しました。











