1102 機器付属品 ノズル、マンホール
ノズルとマンホール
参考
- 以下ノズルの説明は全てマンホールに当てはまるので、マンホールの記述は省略させていただきます。
ノズルの入力方法には以下の2つの方法があります。鏡板、動部に垂直につくノズルは「ノズルリスト方式」、半端な角度で取り付くノズルは「串方式」で入力すると便利です。ノズル毎に方式を選ぶことが可能です(混在可能です)。ただし「串方式」で入力したノズルは【プロパティ】ウィンドウや【ノズルリスト】ウィンドウでは「寸法・位置」ノズルとして扱われます。
「寸法・位置」ノズルに関しては「ノズル属性」を参照してください。
-
串方式

-
ノズルリスト方式
以下のリストの各ノズルのそれぞれの項目が修正可能です。

ノズルの入力(串方式)
操作
串を選択して[付属品(A)]→[ノズル]もしくは右Clickメニューの[ノズルの追加]を選択すると【ノズル】Dialogが表示されます。
【OK】でノズルが作成されます。ノズルは串と機器との交点に作成されます。


ノズルDialog
ノズルDialogでノズルのプロパティと位置を設定します。各項目は前回の設定が残ってますが、プログラムを終了すると初期状態となります。各プロパティについては後述します。
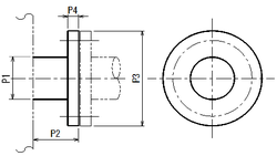
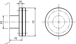
| No. | 名称 | 説明 | 備考 |
|---|---|---|---|
| 1. | ノズル/マンホール | ノズルもしくはマンホールを選択します。(初期状態はノズルです。) | |
| 2. | ノズルNo. | ノズルNo.を設定します。ここは常に空欄で表示されます。 | |
| 3. | ノズル名称 | ||
| 4. | 外径種 | パイプ外径種Codeを選択します。 | |
| 5. | ノズルサイズ |
ノズルサイズを選択します。 プラント属性定義の配管Size単位とパイプ外径種Codeにより配管同様サイズ呼称が切り替わります。 |
|
| 6. | 圧力レーティング | 圧力レーティングを選択します。 | |
| 7. | ボルト穴振りタイプ | ボルト穴振りタイプを選択します。 | |
| 8. | フランジ形状 | フランジ形状を選択します。 | |
| 9. | 接続タイプ | 接続タイプを選択します。 | |
| 10. | フランジ面形式 | フランジ面形式を選択します。 | V6.60 名称変更 |
| 11. | ガスケット材集 | ガスケット材集をする/しないを選択します。 | |
| 12. | ボルト・ナット材集 | ボルト・ナット材集をする/しないを選択します。 | |
| 13. | 備考 | フランジ面形式を選択します。 | V6.60 名称変更 |
| 14. | ノズル長さ |
ノズル長さを設定します。 【ノズル長さ】は【距離指定】チェックボックスがチェックされていると無効になります |
V6.60 名称変更 |
| 15. | 距離指定チェックボックス | 距離指定チェックボックスをチェックすると距離指定が可能です。 | |
| 16. | 距離 |
串のオリジンからの距離でノズルの位置を指定します。 チェックボックスがチェックされていないと無効になります。 |
|
| 17. | OK | Dialog内の各項目でノズルを決定します。 | |
| 18. | 適用 | Dialog内の各項目で一時的にノズルを作成します。付属品修正ウィンドウ内にノズルが表示されます。 | |
| 19. | キャンセル | ノズルの作成を取りやめます。 |

ノズルの入力(ノズルリスト方式)
ノズルリスト表示
- 〔表示(V)〕-〔ノズルリスト表示〕で【ノズルリストダイアログ】を表示します。このダイアログでノズルの新規追加、削除、修正が可能です。また、リストの行をClickすることでノズルの選択が可能です。
-
項目のヘッダをクリックすることで昇順、降順にリストをソートします。

-
リストを選択して【追加】すると、選択されたノズルのコピーを作成します。このとき選択したノズルのノズルNo.が数字で終わっている場合、1加えます。

参考
- ノズルNo.は数値順にソートするように変更しました。N-1,N-2,N-3,...N-9,N-10,N-11,... 従来はN-1,N-10,N-11,...
ノズルリスト、ANZLの項目
以下【ノズルリスト】ウィンドウ、及びANZLの各項目の説明です。
| 項目 | 形式 単位 |
内容 | File設定 | 設定可能最大値 | ノズルリスト有無 | ANZL Read only:R or Wirte OK:W |
上:JPTMST W# | |||||||||
|---|---|---|---|---|---|---|---|---|---|---|---|---|---|---|---|---|
| 下:JEQNZL W# | ||||||||||||||||
| Word数 | Word 位置 | |||||||||||||||
| Start | End | |||||||||||||||
| 0 | No. | 文字 | ノズル順 | 有 | - | |||||||||||
| 1 | 機番 | 文字 | 機番を表示します。 | a10 | ANK10文字 | 無 | R | 5 | 81 | 85 | ||||||
| 2 | ノズルNo. | 文字 | ノズルNo.を表示・設定します。 | a6 |
ANK6文字 漢字3文字 |
有 | W | 3 | 7 | 9 | ||||||
| 3 | ノズル名称 | 文字 | ノズル名称を表示・設定します。 | a24 |
ANK24文字 漢字12文字 |
有 | W | 12 | 12 | 23 | ||||||
| 4 | 外径種 | Code | 有 | R | 1 | 36 | 36 | |||||||||
| 5 6 |
サイズ | 呼び径 | 選択 | ノズルサイズの呼び径を選択 | Code | 有 | W | 1 | 27 | 27 | ||||||
|
実外径 mm |
数値(mm) | または、mm単位で設定 | f6.1 | 2900 | 有 | W | ||||||||||
| 7 | 呼び圧 | 選択 | ノズルの呼び圧を記号で表示、設定します。 | Code | 有 | W | 1 | 26 | 26 | |||||||
| 8 | フランジ厚さ | 数値(mm) |
フランジ厚さの設定が可能です。空白のままOKボタンをClickすると呼び圧で規定の厚さが設定されます。 User設定による厚さを入力するとその数値の前に*が表示されます |
f6.1 | 32700 | 有 | W | 2 | 17 | 18 | ||||||
| 9 | ノズル高さ | 数値(mm) |
ノズル高さの設定が可能です。詳細は「ノズル高さ」を参照。 ANZLでは取付方法が標準かタンジェントの場合にノズル高さを表示します。それ以外の以外の場合はANZLには何も表示しません。 |
f7.1 | 32700 | 有 | R | 2 | 43 | 44 | ||||||
| 10 | ノズル長さ | 数値(mm) |
ノズルの根元から先端までの長さの設定。 詳細は「ノズル長さ」を参照。 |
f | 有 | R | 2 | 13 | 14 | |||||||
| 11 | 取付位置 | 選択 | 上部/右部:親シンボルが縦型の場合「上部」に、横型の場合「右部」に「ノズル高さ」、「角度」、「PCR」でノズル位置を決めます | Code | 有 | R | 1 | 40 | 40 | |||||||
| 下部/左部:親シンボルが縦型の場合「下部」に、横型の場合「左部」に「ノズル高さ」、「角度」、「PCR」でノズル位置を決めます | ||||||||||||||||
| 胴部:親シンボルの胴部に「ノズル高さ(芯面長)」、「角度」、「レベル」でノズルの位置を決めます。 | ||||||||||||||||
| ANZLでは取付方法が標準かタンジェントの場合にノズル取付位置を表示します。それ以外の以外の場合はANZLには何も表示しません。 | ||||||||||||||||
| 12 | オリ | 数値(deg) |
ノズルのオリエンテーション角度の設定ができます。 機器座標系で縦型機器の場合、上(+Z軸)方向から見た角度、横型機器の場合,補助軸方向から見た角度を表示します。「オリ」を参照 |
i3 | 360 | 有 | R | 2 | 45 | 46 | ||||||
| 13 | PCR | 数値(mm) |
Pitch Circle Radiusの設定ができます。 ANZLでは取付方法が標準で、取付位置が上部(右部)/下部(左部)の時のPCRを表示します。「PCR(PitchCircleRadius)」を参照 |
f7.1 | 32700 | 有 | R | 2 | 41 | 42 | ||||||
| 14 | レベル | 数値(mm) |
取付け位置が「胴部」の場合有効で、「下部/左部」T.L.からの距離を設定できます。 ポンプノズルの場合レベル設定は出来ません。 変更したい場合は取付方法を「寸法、位置」で入力してください |
有 | R | 2 | 47 | 48 | ||||||||
| 15 | 接続ライン | 表示のみ | 配管と接続している場合その配管の「スプール連番」と「ラインマーク」を表示します。 | 有 | R | |||||||||||
| 16 | ボルト穴振り | 選択 |
0-180振り分け(「ボルト穴振り」を参照) 放射振り分け |
有 | R | 1 | 76 | 76 | ||||||||
| 17 | フランジ形状 | 選択 | 記号 | 名称 | 内部Code | 有 | 1 | 25 | 25 | |||||||
| FLG | 丸型フランジ | 00xx | W | |||||||||||||
| FLG WN | 丸型フランジ WN | 50xx | ||||||||||||||
| SqrFLG | 角型フランジ | 01xx | ||||||||||||||
| SqrFLG WN | 角型フランジ WN | 51xx | ||||||||||||||
| 18 | 接続タイプ | 選択 | 記号 | 名称 | 内部Code | 有 | 1 | 25 | 25 | |||||||
| FLG | フランジ | xx1 | ||||||||||||||
| B.FLG付 | 閉止フランジ付き | xx2 | W | |||||||||||||
| SCRD-M | ねじ込み オス | xx9 | 保存時、接続タイプが「SCRD-M」の時、接続配管端点の機能codeをネジノズル(IBC:910)、「SCRD-F」の時管用オスネジノズル(IBC:911)に自動変換します。 | |||||||||||||
| SCRD-F | ねじ込み メス | xx3 | ||||||||||||||
| BW | 突き合わせ溶接 | xx4 | ||||||||||||||
| SW | 差込み溶接 | xx5 | ||||||||||||||
| TS | テーパスリーブ | xx6 | ||||||||||||||
| FRLE | ヘルール | xx7 | 「接続タイプ」を参照 | |||||||||||||
| PAD | パッド | xx8 | ||||||||||||||
| ENDLAP | ラップジョイント | xx9 | ||||||||||||||
| 19 | フランジ面形式 | 選択 | Ends | Code | 1 | 72 | 72 | |||||||||
| Code | 記号 | 名称 | Name | 有 | R | 備考 | ||||||||||
| 1651 | FF | 全面座 | Flat Face | |||||||||||||
| 1652 | RF | 平面座 | Raised Face | |||||||||||||
| 1241 | MF-M | メール&フィメール / メール座 | Male&Female / Male Face | K系用 | ||||||||||||
| 1242 | MF-F | メール&フィメール / フィメール座 | Male&Female / Female Face | K系用 | ||||||||||||
| 1243 | TG-T | タング&グルーブ / タング座 | Tongue&Groove / Tongue Face | K系用 | ||||||||||||
| 1244 | TG-G | タング&グルーブ / グルーブ座 | Tongue&Groove / Groove Face | K系用 | ||||||||||||
| 1662 | SMF-M | スモールメール&フィメール / メール座 | Small Male&Female / Male Face | Pound系用 | ||||||||||||
| 1663 | SMF-F | スモールメール&フィメール / フィメール座 | Small Male&Female / Female Face | Pound系用 | ||||||||||||
| 1664 | LMF-M | ラージメール&フィメール / メール座 | Large Male&Female / Male Face | Pound系用 | ||||||||||||
| 1665 | LMF-F | ラージメール&フィメール / フィメール座 | Large Male&Female / Female Face | Pound系用 | ||||||||||||
| 1666 | STG-T | スモールタング&グルーブ / タング座 | Small Male&Female / Small Tongue | Pound系用 | ||||||||||||
| 1667 | STG-G | スモールタング&グルーブ / グルーブ座 | Small Male&Female / Small Groove | Pound系用 | ||||||||||||
| 1668 | LTG-T | ラージタング&グルーブ / タング座 | Large Male&Female / Large Tongue | Pound系用 | ||||||||||||
| 1669 | LTG-G | ラージタング&グルーブ / グルーブ座 | Large Male&Female / Large Groove | Pound系用 | ||||||||||||
| 1657 | RTJ | リング式ジョイント座 | Ring Type Joint Face | |||||||||||||
| 20 | ノズル部BNG材集制御 | 値 | 材集制御 | 備考 | ||||||||||||
|
Gasket 材集制御 |
数値 | 0 | 加算、削除しない |
値は基本的に付属品、計装品の属性のバッチ設定の:APADBSのGASKET/BOLT&NUT材集制御の万位と同じ。 Mroutノズルリストでは"する/しない"から選択 |
1 | 37 | 37 | |||||||||
| 1 | 削除 | W | ||||||||||||||
| 21 |
Bolt Nut 材集制御 |
数値 | 0 | 加算、削除しない |
値は基本的に付属品、計装品の属性のバッチ設定の:APADBSのGASKET/BOLT&NUT Mroutノズルリストでは"する/しない"から選択 |
1 | 38 | 38 | ||||||||
| 4000 | ボルト,ナット削除 | W | ||||||||||||||
| 22 | ネック形状 | 選択 | ネック形状を以下のいずれかで設定・表示 | 内部Code | Code | 有 | R | 1 | 25 | 25 | ||||||
| ストレート | ストレートノズル | x0x | ||||||||||||||
| 曲り | 曲りノズル | x1x | ||||||||||||||
| 23 | 取付方法 | 選択 | 取り付け方法を以下のいずれかで設定・表示 | Code | 有 | R | 1 | 39 | 39 | |||||||
| 標準 | 「取り付け方法」を参照 | |||||||||||||||
| タンジェント | ||||||||||||||||
| 寸法、位置 | ||||||||||||||||
| 24 | 曲がり長さ | 数値(mm) | 曲りノズルの曲がり部からノズル面までの長さを設定・表示 | f7.1 | 32700 | 有 | R | |||||||||
| 25 | ノズル方向 | 数値(deg) | ノズルの向きを角度で設定・表示 | f7.1 | ±32700 | 有 | R | 2 | 51 | 52 | ||||||
| 26 | オフセット距離 | 数値(mm) | オフセット距離を設定・表示 | 有 | R | 2 | 49 | 50 | ||||||||
| 27 | 備考 | 文字 | 備考を表示、設定します。 | a12 | ANK12文字
漢字6文字 |
有 | W | 6 | 77 | 82 | ||||||
| 28 | 配管取合点
Z座標値 |
無 | R | |||||||||||||
| 29 | 機器ID | ANZLBSからJEQMSTに書き戻す時、機器を特定するのに使用します。絶対に変更しないでください。 | i | 無 | R | |||||||||||
| 30 | 付属品ID | AZZLBSからJEQMSTに書き戻す時、付属品を特定するのに使用します。絶対に変更しないでください。 | i | 無 | R | |||||||||||
ノズル属性
ノズルダイアログやノズルリスト、プロパティウィンドウで設定できるノズル属性について説明します。
ノズルNo.
ノズルNo.最大6文字まで入力可能です。
サイズ
ノズルサイズのことです。設定によりA呼称、B呼称、またはインチで表示されます。リストより選択してください。
なおプロパティウィンドウではmmサイズでの設定も可能です。
| サイズ | mm |
|---|---|
| 50A | 60.5 |
| 65A | |
| 80A | |
| 90A | |
| 100A | |
| 125A | |
| 150A | |
| 175A |
呼び圧
フランジノズルタイプの場合の呼び圧設定をリストより選択します。リストはJISとJPIのK、#系呼び圧で表示されます。
| JIS | JPI |
|---|---|
| 10K | 150# |
| 16K | 300# |
| 20K | 400# |
| 30K | 600# |
| 40K | 900# |
| 63K | 1500# |
| 21Mpa | 2500# |
| : | : |
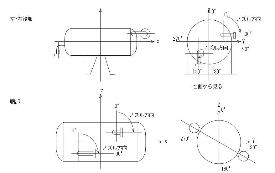
取り付け方法
ノズルの取り付け方法は3通りの方法があります。
-
標準
取り付け位置(上/右部、下/左部、胴部等の指定)、PCR、角度、ノズル高さによって指定する方法
記号 意味 d ノズル径 H ノズル高さ θ オリエンテーション角度 ZL T.L.レベル PCR ビッチサークル半径 
-
タンジェント
ノズル方向とオフセット距離で設定する方法です。このノズルは胴部にのみ有効です。本来のタンジェントノズルは円の接線方向に取り付くノズル(※1)のことですが、※2やポンプの吐き出しノズルのケースもこれに含みます。

-
寸法・位置
ノズルの位置、寸法、向きを座標値、数値、ベクトル等で直接指定する方法です。座標値、方向は機器座標系に対する指定となります。

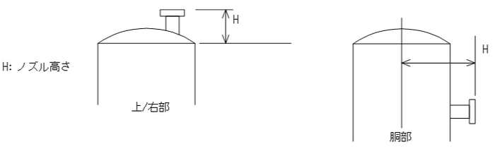
ノズル高さ
「位置」が「上部/右部」、「下部/左部」の場合T.L.からの距離、「胴部」の場合中心からの距離となります。

ノズル長さ
ノズルの正味高さです。

位置(取り付け位置)
ノズルの親シンボルへの取り付け位置で「上部/右部」、「下部/左部」、「胴部」から選択できます。ただし、親シンボルがポンプタイプの場合「上」、「右」、「下」、「左」、「正面」から選択可能となります。
プルダウンメニュー
| 位置 | |
|---|---|
| 上部 | 右部 |
| 胴部 | |
| 下部 | 左部 |

-
ポンプが横型の場合は、ポンプ正面から見た取付位置を指定します。
プルダウンメニュー
位置 正面 ポンプ 上 ポンプ 下 ポンプ 左 ポンプ 右 ポンプ 
-
ポンプが竪型の場合は、ポンプ上から見た取付位置を指定します。

注意
- ノズルの角度指定は出来ません。
- 角度指定する場合は串入力で対応してください。
-
ノズル高さについては、オリジンからの距離を指定します。

オリ (名称変更)
ノズルオリエンテーションのことです。0°~360°で指定します。

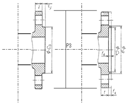
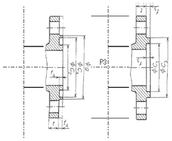
PCR(PitchCircleRadius)
下図を参照してください。
レベル
取り付け位置が「胴部」の場合有効で、「下部/左部」T.L.からの距離を設定できます。

ノズルの配管接続 / ボルト穴振り
配管接続
- ノズルリストでは、配管と接続のあるノズルはその接続ラインのスプール図番とラインマークが表示されます。変更はできません。
- プロパティウィンドウでは「配管接続」の「あり/なし」を確認できます。
- 「接続あり」の場合その接続ラインのスプール図番とラインマークが表示されます。接続ありのノズルは接続を解除(なしに)する事が可能です。
- 「接続なし」のノズルを「接続あり」へは変更できません。
- 「接続なし」にした場合、配管、機器の接続情報のみがクリアされ形状はそのままです。
- 「接続あり」のままノズルの位置を変更すると配管はそれに追従して替わります。変更分を配管が吸収しきれない場合、斜めの配管が発生する場合もあります。

ボルト穴振り
フランジタイプの場合のボルト穴の振り分けタイプを設定します。この設定は属性としての設定のみでノズルの形状には影響ありません。
フランジ面形式が水平かこれ以外(傾斜しているか垂直)かで各々のケースで振分けタイプが異なります。
| タイプ | 水平フランジ | 傾斜、垂直フランジ |
|---|---|---|
| 0°-180°振分け | 0°-180°振分け | 天地振り分け |
| 放射振分け | 放射振分け | 天地振り分け |
どちらのタイプでも傾斜か垂直のケースでは天地振分けとなります。デフォルト(初期値)設定は0°-180°振分けです。本区分は本来同一プラント内もしくは最低限一つの機器内では統一されるべきものであり、ノズル毎に区分されるものではありませんが、ノズル属性の一つとして管理するためここで設定しています。これらの機能は、スプール図には反映されません。
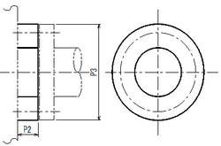
- 水平フランジ
A 0°-180°振分け B 放射振分け 
-
傾斜、垂直フランジ
天地振り分け

ノズルの接続タイプ
接続タイプ
-
ノズルに接続する配管との取り合いタイプを設定します。(プロパティウィンドウやノズルリストでは下記の「リスト」の項目が表示されます。)

-
パッドノズルのネック形状はストレートと設定されていて、曲りノズル設定はできません。
Menu
記号内部Code 形状 Menu
記号内部Code 形状 名称 名称 面形式 Ends Code 面形式 Ends Code FLG xx1 
FLG xx1 
フランジ フランジ RF 1652 RTJ 1657 B.FLG付 xx2 
FLG xx1 
閉止Flange付 フランジ RF 1652 MF-M
MF-F1241
1242PAD xx8 
FLG xx1 
パッドType フランジ RF 1652 TG-T
TG-G1243
1244
接続タイプ
-
ノズルに接続する配管との取り合いタイプを設定します。(プロパティウィンドウやノズルリストでは下記の「リスト」の項目が表示されます。)

-
パッドノズルのネック形状はストレートと設定されていて、曲りノズル設定はできません。
Menu
記号名称
接続形状 Mroutシェーディング表示 内部Code SCRD-M ねじ込み
(オス)
JIS
ANSI

xx9 SCRD-F ねじ込み
(メス)
JIS
ANSI

xx3 BW 付き合わせ
溶接
JIS
ANSI

xx4 FRLE ヘルール
JIS

配管接続で部品間クランプが自動発生しますxx7 SW 差込み溶接
(メス)
JIS
ANSI

xx5 TS テーパスリーブ
(メス)
JIS

xx6 V6.93からSCRD-F,SW,TS接続のノズル径はパイプ外径x1.2の径で表示します。
V6.93以前で保存したDataはそのままの外径で表示されます。
付属品修正で変更すると上記ノズルの径は1.2倍となります。
フランジ形状
フランジ形状は以下から選択可能です。(プロパティウィンドウやノズルリストでは下記の「リスト」の項目が表示されます。)
| リスト | 名称 | 形状 |
|---|---|---|
| FLG | 丸型フランジ | ![]() |
| FLG WN | 丸型フランジ WN | ![]() |
| SqrFLG | 角型フランジ | ![]() |
| SqrFLG WN | 角型フランジ WN | ![]() |
プルダウンメニュー
| フランジ形状 | |
|---|---|
| FLG | |
| FLG | WN |
| SqrFLG | |
| SqrFLG | WN |
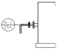
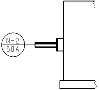
ノズル事例
| No. | 3D Model画面 | 組図 側面図 | |
|---|---|---|---|
| 1. | インターナルパイプの付くノズル | ![]() |
![]() |
| 2. | 2重管の接続するジャケット付槽からのパッドノズル | ![]() |
![]() |
組図 側面図
※画像を選択すると拡大表示します。
3D Model画面
V6.93からSCRD-F,SW,TS接続のノズル径はパイプ外径x1.2の径で表示します。
V6.93以前で保存したDataはそのままの外径で表示されます。
付属品修正で変更すると上記ノズルの径は1.2倍となります。


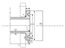
ノズルのフランジ面形式、ネック、曲がり長、ノズル方向
フランジ面形式 (名称変更)
フランジの場合のフランジ面形式を設定します。フランジ面形式は属性のみの設定でシンボル形状は変わりません
| リスト Menu |
名称 | |
|---|---|---|
| English | 日本語 | |
| FF | Flat Face | 全面座 |
| RF | Raised Face | 平面座 |
| MF-M | Male&Female / Male Face | メール&フィメール / メール座 |
| MF-F | Male&Female / Female Face | メール&フィメール / フィメール座 |
| TG-T | Tongue&Groove / Tongue Face | タング&グルーブ / タング座 |
| TG-G | Tongue&Groove / Groove Face | タング&グルーブ / グルーブ座 |
| RJT | Ring Joint Face | リングジョイント座 |
| SMF-M | スモールメール&フィメール / メール座 | Small Male&Female / Male Face |
| SMF-F | スモールメール&フィメール / フィメール座 | Small Male&Female / Female Face |
| LMF-M | ラージメール&フィメール / メール座 | Large Male&Female / Male Face |
| LMF-F | ラージメール&フィメール / フィメール座 | Large Male&Female / Female Face |
| STG-T | スモールタング&グルーブ / タング座 | Small Male&Female / Small Tongue |
| STG-G | スモールタング&グルーブ / グルーブ座 | Small Male&Female / Small Groove |
| LTG-T | ラージタング&グルーブ / タング座 | Large Male&Female / Large Tongue |
| LTG-G | ラージタング&グルーブ / グルーブ座 | Large Male&Female / Large Groove |
ネック
ネックは「ストレート」と「ベント」の設定ができます。
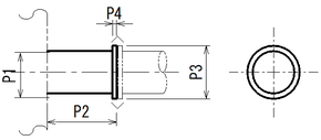
曲がり長
曲がり長は下図に示す曲がり部センター(ノズル芯)からノズル端面までの長さです

ノズル方向 (deg)
曲がり部のノズルの角度(ノズルフェースの方向)を設定します。
これは、曲りノズルとタンジェントノズルにのみ存在します。
-
縦型の場合

-
横型の場合

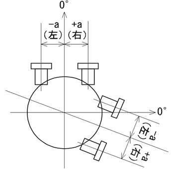
オフセット
オフセットは下図に示す距離(a)のことで、タンジェントノズル、ポンプノズルで設定します。
ノズル方向にむかって、中心線に対し右を正、左を負とします。
「取り付け位置」がタンジェントノズルの場合にノズル方向と組み合わせて、ポンプノズルの場合オフセットのみで、ノズルの位置と向きを設定します。

-
タンジェントノズルのノズル方向とオフセット
オフセットの設定には0の場合と≠0の場合で異なります。
記号 意味 単位 a オフセット mm θ1 オリエンテーション deg (名称変更) θ2 ノズル方向 deg H ノズル高さ mm L ノズル長さ mm -
オフセット≠0の場合 (θ1は自動で計算されます)

オフセット≠0の場合のノズル長さ(L)とノズル高さ(H)は以下の通りです。

-
オフセット=0の場合

オフセット=0の場合のノズル長さ(L)とノズル高さ(H)は以下の通りです。

-
ポンプノズルのオフセット
ポンプノズルはタンジェンシャルノズルとして扱い、オフセットの指定が可能です。(ノズル方向は無視されます)
ただし、「正面」に取り付けた場合と曲りノズルの場合オフセットの指定ができません。
「寸法・位置」ノズルで配置してください。









