1214 配管スタイルカタログ
スタイルカタログラインの挿入
スタイルカタログとは
- PI,TI,ドレン,ベント等、標準的な形状で、主配管から分岐し、どこにもつながらないラインを指します。
- スタイルカタログラインのラインNo.は、-1、-2、-3…とマイナスのライン番号で、自動的に付番されます。
参考
- 組図寸法発生機能の「小発生」では、カタログNo.が0のとき寸法を発生し、1以上の時寸法を発生しない様にしています。
従って、カタログNo.に0を入力するか、1以上の数字を入力するかによって、組図の寸法発生を制御できます。
操作方法
-
スタイルカタログラインを挿入する配管部分を二次選択状態にします。

- 配管ラインを左クリックするか、一覧ウインドウから挿入したい配管ラインを選択し、一次選択状態にします。
- 一次選択した配管ラインの中で、スタイルカタログラインを挿入したい場所にマウスを合わせ、左クリックします。
クリックした配管部が、一次選択状態から二次選択状態になります。
-
[カタログラインの挿入]モードに入ります。
入り方は2通りの方法があります。
- メニューバーより〔配管(L)〕-〔カタログラインの挿入(L)〕を選択します。
- マウスの右クリックでメニューを呼び出し、〔カタログラインの挿入〕を選択します。
-
挿入するタイプを選択し、属性を設定します。
- [カタログラインの挿入]モードに入ると、【スタイルカタログ】ダイアログが表示されます。
- 入力したいパターンを選び、属性を設定します。
- [OK]ボタンをクリックすると、設定した条件で二次選択状態の配管に、選択したパターンの配管ラインが挿入されます。

-
挿入したスタイルカタログラインの位置を調整します。
- 【スタイルカタログ】ダイアログが消えると、スタイルカタログラインが挿入されるとともに、【モデルの移動】ダイアログが表示されます。

- 挿入したい場所を指定してください。
- 【スタイルカタログ】ダイアログが消えると、スタイルカタログラインが挿入されるとともに、【モデルの移動】ダイアログが表示されます。
-
[カタログラインの挿入]モードを終了します。
[カタログラインの挿入]モードを終了するには、3通りの方法があります。
- 【モデルの移動】ダイアログで[決定]または[キャンセル]を実行します。
(【モデルの移動】ダイアログが閉じ、次の作業ができるようになります。)
- キーボードのEscキーを押します。
- 【スタイルカタログ】ダイアログで[閉じる]をクリックします。
- 【モデルの移動】ダイアログで[決定]または[キャンセル]を実行します。
スタイルカタログの種類
-
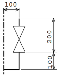
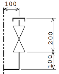
ドレン・ベント1

-
ドレン・ベント2

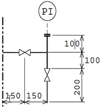
- 圧力計ノズルは「操作方法」を参照
-
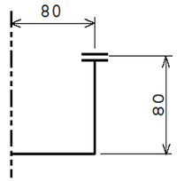
温度計ノズル

-
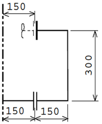
ジャケット連結管

スタイルカタログ入力ダイアログ
【スタイルカタログ】ダイアログの説明
【スタイルカタログ】ダイアログでは、以下の項目を設定します。

-
挿入する配管ラインの種類
“ドレン・ベント”,“圧力計”,“温度計”,“ジャケット連結管”の各パターンがあります。
-
サイズ
挿入するラインのサイズを設定します。
-
タグNo.
挿入する機器にタグNo.がある場合は設定します。
-
分岐部
分岐タイプを選択します。
No. 分岐タイプ 機能記号 1 母管から垂直分岐 機能記号は分岐表による 
2 曲り部から分岐 CTBまたはCBT(母管と同径)
45BC(母管より小口径)
3 入力方向60度前向き 60TF 
4 入力方向60度後向き 60TB 
5 入力方向45度前向き 45BF 
6 入力方向45度後向き 45BB 
-
折れ曲がり方向
スタイルカタログに曲がりのある場合に設定します。デフォルトは0度です。
-
母管が垂直配管の時
スタイルカタログ分岐方向に見て、鉛直上向きを0度とした反時計廻りの角度(deg)です。
-
母管が垂直配管以外(水平、勾配付き)の時
北方向を0度とした反時計廻りの角度(deg)です。

-
-
接続形式
スタイルカタログに配管付属品や計装品が含まれている場合に設定します。
-
弁種類
スタイルカタログで使う弁の種類を設定します。
-
分岐方向
母管から分岐される方向を選択します。
分岐方向が半端な角度のときは角度数値より、分岐角度を入力してください。
No. 分岐方向 分岐角度 1 水平または傾斜配管のとき ライン入力方向を親指とし、上を基準として、右ネジ時計廻りの角度 2 垂直配管のとき 北を基準として、右ネジ時計廻りの角度 -
ハンドル方向
ハンドル方向の角度数値について
No. ハンドル方向 角度数値 1 水平または傾斜配管のとき ライン入力方向を親指とし、上を基準として、右ネジ時計廻りの角度 2 垂直配管のとき 北を基準として、右ネジ時計廻りの角度 -
寸法
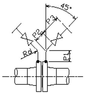
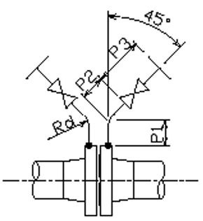
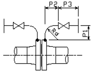
スタイルカタログのパラメータ(P1からP5)を修正します。
各パラメータは、【スタイルカタログ】ダイアログの各タイプの図に1,2,・・,5と表示しています。
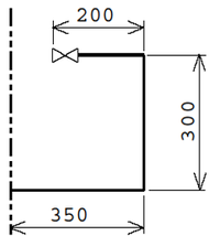
P1はパイプ表面からの距離を表します。
パイプ表面とは、TI,TE以外は断熱を含んだ表面です。
スタイルカタログラインの挿入での注意事項
以下にスタイルカタログラインの挿入時における注意事項を記します。

スタイルカタログのライン仕様
- 流体、ラインNo.、スペッククラス、スプール図番は自動的に決定します。
- ラインNo.は、自動付番(カタログのラインNo.は-(マイナス)とします)ですが、それ以外の情報は母管と同じになります。
スタイルカタログの弁種類、寸法(パラメータ)について
【スタイルカタログ】ダイアログで設定した値が、次に同じスタイルカタログシンボルを選んだ場合の初期値となります。
スタイルカタログの接続形式
スタイルカタログに、PI等の計装品や配管付属品が含まれていて、バルブに直付されている場合はその計装品、配管付属品の接続形式はバルブと同じ接続形式にセットされます。
ただし、TI、TEはデフォルトでフランジタイプをセットします。
入力後の修正
- スタイルカタログを母管に付けた後は、通常のラインと同様に修正可能です。
- 分岐方向、折曲がり方向が誤っていた場合もライン回転、グルーピングしてのライン回転を使って修正可能です。
曲り、分岐部のスタイルカタログ入力
- 配管のDataは全て入力点の点列で記録されます。
-
同一点に2つの入力点は設定できません。
また、その入力点列が往復する形はエラーとなります。
-
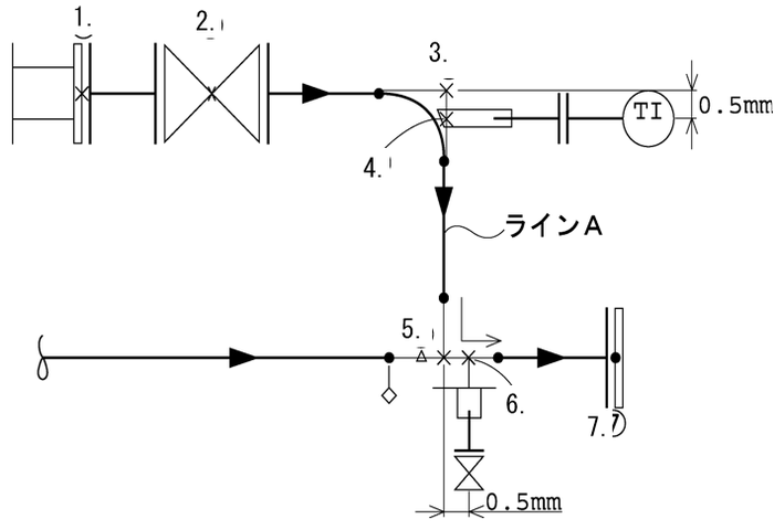
曲がりや分岐部にTIノズルやドレンを分岐入力する場合は、必ず曲りや分岐入力オリジン(×部)の上流、または下流側に0.5mmの距離で入力してください。
(0.5mmの寸法値はスプール図上表示されません)
- ラインAにおいて△の位置に入力することは禁止です。(角度エラーとなります。)
No.28 Write "ACATBS" → JISCAT mrad スタイルカタログ修正 ACAT(BS)
mrad スタイルカタログ修正 ACAT(BS)
EYECADシステムの配管入力効率を向上させ、標準化を図るための各種ノズル標準です。
以下に、配管入力における使用法を示します。
- 各スタイルカタログ図における は、母管表面を示します。
- 各図の寸法は、分岐サイズが3/4B(20A)とした場合の標準的値をbg\GPCに設定してあります。
- 3Dモデル入力にて母管にスタイルカタログを分岐させる時、そのスタイルカタログの方向、スペッククラス、サイズは母管側の分岐用部品(ティー、ボス、アウトレット、直付等)の属性により自動的に決定されます。
-
スタイルカタログの定義にて、経路途中でのサイズ、スペックチェンジの設定は不可です。
これは一度入力した後に、その個々のスタイルカタログ配管にこれらを設定します。
- ACATBS(JISCAT)内に登録できる最大スタイルカタログ数は50種です。
-
PI,TIについてネジ込みのタイプを使用する場合は、APADBSにて予めそのタグNo.とネジ込みの接続Code(1621)を設定してJISCATに書き込んでおきます。
フランジタイプの場合は、計装品シンボルのデフォルトの接続形式がフランジタイプのシンボルですので、特に必要ありません。
-
スタイルカタログの経路形状は、2次元平面の形に限ります。
ポイント座標はX,Yのみ使用可能です。
-
スタート点は、母管平面上のポイントで、常に「EPPE」(分岐接続パイプ端)です。
そこのポイントはX,Y共に0ですので、座標欄は空欄としています。
No.28 Write "ACATBS" → JISCAT
機能
以下のようなText Fileを書き込み起動させることにより、カタログのスタイルの属性が入力設定されます。
書込まれるFileは"JISCAT" です。

操作および処理
Work No. Select --> 28
注意
- JISCATはそのJob Lu#で使用できるスタイルカタログの経路形状を登録してあるものです。
- ACATはそのJISCATのDataをText Fileに書き出し、ACATBSはスタイルカタログの属性(カタログ名称、部品名、X・Y座標等)を変更し、修正登録するためのものです。
- スタイルカタログラインの入力は3Dモデル入力で行い、その入力された配管形状Dataはそれぞれ個有の形状でJPIPELに記録されます。
- また、3Dモデル入力時に、そのスタイルカタログのバルブ形状をゲートからボールに変更するとその時、そのスタイルカタログのJISCATのバルブもボールに変更され、次にそのスタイルカタログを入力するとボールになります(モーダル情報となります)。
- ACATBSで設定したJISCATのスタイルで、そのままカタログラインを入力したい場合は、一度3Dモデル入力プログラムを立ち下げ、ACATBSをJISCATへ再定義し、もう一度3Dモデル入力プログラムを立ち上げ、入力しなければなりません。
No.29 Make "ACAT" ← JISCAT Job用タップカタログDataのText Fileへの展開、内容
- JISCATからスタイルカタログラインの属性を記述した"ACAT"を作成します。
-
Fileフォーマットは以下の通りです。数字はその項目番号です。

-
第2行目が見出し部、第4行目からが入力ポイント列となります。
-
入力ポイントを増やす時には 第4行目以降をコピー、修正してください。
最大5ポイントの定義が可能です。
-
下図の5ポイントで構成されているタップカタログのData例


| 項目No. | 項目名 | ITEM記号 記号 |
カラムNo. | 内容・要領 | ||||||||||||||
|---|---|---|---|---|---|---|---|---|---|---|---|---|---|---|---|---|---|---|
| from | To | |||||||||||||||||
| ヘッダ列部 | 1-2-3 | カタログマーク | cm | 4 | 12 | 1 | 2 | 3 | ||||||||||
| カタログCode | カタログ記号 | パート数 | ||||||||||||||||
| 1 | カタログCode | 4 | 7 | 変更不可(3Dモデル入力のメニューと対応しているため) | ||||||||||||||
| 2 | カタログ記号 | 9 | 12 | (最大 AN4文字) | ||||||||||||||
| 3 | パート数 | 14 | 14 | (最大2パート)
![]() カタログシンボルが途中で分岐しているときは、パート数が2となります。 この場合、2つのパートは同じカタログマークを持ちます。 |
||||||||||||||
| 4 | (不使用) | nlbf | 22 | 22 | ||||||||||||||
| 5 | 二重管フラグ | io | 28 | 28 |
|
|||||||||||||
| ポイント列部 | 6 | 機能記号 | mnc | 4 | 7 | 別表の配管機能名称(最大4文字)から該当するものを選びます
|
||||||||||||
| 7 | 位置指定記号 | n | 9 | 9 |
注) 曲がり形状のシンボルは常に曲がりの交点が指定位置となり、NとFは使用できません。 |
|||||||||||||
| 8 | 座標 | coordinate | 11 | 30 | 座標軸またはX・Y平面上で母管表面を0,0 とし、mm単位で設定します。
|
|||||||||||||
| 9 | カタログハンドル 方向指定 |
chd | 32 | 34 | その部品のついているパイプの流れ方向を右手親指の上または北が0の右周り角度 0~360 |
|||||||||||||
ACATBS スタイルカタログ標準 バルブ付 ドレン、ベント
| 仕切弁(GATE)の場合 | 形状 | Text File | 上:玉形弁(GLOB) 下:ボール弁(BALL) |
|---|---|---|---|
| DG00 | ![]() |
![]() |
DS00 (1200) |
| DB00 (1300) |
|||
| DG10 | ![]() |
![]() |
DS10 (1210) |
| DB10 (1310) |
|||
| DG20 | ![]() |
![]() |
DS20 (1220) |
| DB20 (1320) |
|||
| DG30 | ![]() |
![]() |
DS30 (1230) |
| DB30 (1330) |
|||
| DG40 | ![]() |
![]() |
DS40 (1240) |
| DB40 (1340) |
|||
| DG50 | ![]() |
![]() |
DS50 (1250) |
| DB50 (1350) |
|||
| DG60 | ![]() |
![]() |
DS60 (1260) |
| DB60 (1360) |
|||
| DG70 | ![]() |
![]() |
DS70 (1270) |
| DB70 (1370) |
ACATBS スタイルカタログ標準 バルブ付 ドレン、ベント・連結管
| 仕切弁(GATE)の場合 | 形状 | Text File | 上:玉形弁(GLOB) 下:ボール弁(BALL) |
|---|---|---|---|
| DG80 | ![]() |
![]() |
DS80 (1280) |
| DB80 (1380) |
|||
| DF00 | ![]() |
![]() |
|
| DF10 | ![]() |
![]() |
|
| DF20 | ![]() |
![]() |
|
| DF30 | ![]() |
![]() |
|
| DG90 | ![]() |
![]() |
DS90 (1290) |
| DB90 (1390) |
|||
| JF00 | ![]() |
![]() |
|
| JF10 | ![]() |
![]() |
ACATBS スタイルカタログ標準 連結管・温度計ノズル・圧力計ノズル
| 仕切弁(GATE)の場合 | 形状 | Text File | 上:玉形弁(GLOB) 下:ボール弁(BALL) |
|---|---|---|---|
| JS10 | ![]() |
![]() |
|
| TI00 | ![]() |
![]() |
|
| PE00 | ![]() |
![]() |
|
| TE00 | ![]() |
![]() |
|
| PG00 | ![]() |
![]() |
PS00 (1500) |
| PB00 (1600) |
|||
| PG10 | ![]() |
![]() |
PS10 (1510) |
| PB10 (1610) |
|||
| PG20 | ![]() |
![]() |
PS20 (1520) |
| PB20 (1620) |
ACATBS スタイルカタログ標準 圧力計ノズル
| 仕切弁(GATE)の場合 | 形状 | Text File | 上:玉形弁(GLOB) 下:ボール弁(BALL) |
|---|---|---|---|
| PG30 | ![]() |
![]() |
PS30 (1530) |
| PB30 (1630) |
|||
| PG40 | ![]() |
![]() |
PS40 (1540) |
| PB40 (1640) |
オリフィスタップ入力
オリフィスタップ機能
概要
オリフィスタップとは流量計測のため設けた圧力取り出し管のことを指します。
フランジ部分から取り出すプレートタイプとオリフィスリングから取り出すリングタイプがあります。

機能概要
- オリフィスタップをオリフィス一覧リストから選択するだけで簡単に入力できます。
- 一覧リストにはプレビュービットマップが表示されるので形状の確認が容易にできます。
- オリフィスはプレートタイプ、リングタイプがあります。
- オリフィス形状は前後直管振り分け、ベンド対向、折り返し対向(30°45°60°…)が標準スタイルとして用意されています。
- スプール図へコマ図が自動割り当てされます。(断面矢視付き)
- オリフィスタップスタイル形状やコマ図等はオリフィス定義File:AG(J)ORTP.csvと配管経路定義File:BG(J)PPGRにてカスタマイズが可能です。BG(J)PPGRはMrout内で編集可能です。

オリフィスタップ記号の表示方式
標準データベースに登録してあるオリフィスタップは以下のルールに基づいて記号を定義してあります。
- 直管振分けタイプ
A B C D E 例1 OR F S U 30 例2 OR R S D 60 例3 OR R S HRZ 例4 OR R PPT A OR ORIFICE B F Flange (Plate) type R Ring type C S Straight 直管振分け D U Up 上側引き出し D Down 下側引き出し E xx 振分け断面角度 HRZ Horizontal PPT Pipe Tap - ベンド対向タイプ
A B C D E 例1 OR F 30 B -U 例2 OR F 45 B -R A OR ORIFICE B F Flange (Plate) type C xx 曲げ角度 D B Bend E -U 母管上流からみて上方向振出し -R 母管上流からみて右方向振出し -D 母管上流からみて下方向振出し -L 母管上流からみて左方向振出し
入力手順
-
配管のパイプ部分を2次選択して配管部品挿入-計装品からオリフィスを入力します。
接続形式がウエハの場合はリングタイプ、フランジ、BW、その他の場合はプレートタイプとなります。

- 接続形式Code No.によるオリフィスタップタイプ区分
タイプ 接続形式 ied code From To リング ウエハ 1801 1810 1869 1872 プレート フランジ
BW
その他上記以外
- 接続形式Code No.によるオリフィスタップタイプ区分
-
入力したオリフィスを2次選択して“配管”→“オリフィスタップ”を選択するとオリフィスタップダイアログが表示され、入力可能なオリフィスタップ記号一覧が表示されます。
ダイアログ左側のタップ記号リストを選択すると右側にプレビュー画面とデフォルトパラメータが表示されます。

-
ダイアログの“OK”でタップ配管が入力されます。

注意
- 配管スプール図に表示されるコマ図にはオリフィスタップから引き出されたラインの寸法はデフォルトでは非表示になっています。
寸法を表示するにはBG(J)CNST S094での設定が必要となります。
詳細はヘルプマニュアル15-04-5-2「オリフィスタップスタイルカタログの設定」を参照してください。
標準オリフィスタップ形状
- プレートタイプ前後直管振分け
No. 方向/記号/Code タイプ 1 振り分け30° 
ORFSU60 2030 2 振り分け45° 
ORFSU45 2045 3 振り分け60° 
ORFSU30 2060 4 振り分け90° 
ORFSHRZ 2090 5 振り分け120° 
ORSFD30 2220 6 振り分け135° 
ORFSD45 2235 7 振り分け150° 
ORFSD60 2250 - プレートタイプベンド対向
No. 方向/記号/Code タイプ 8 30°対向曲げ
母管上流からみて上方向振り出し
ORF30B-U 2230 9 30°対向曲げ
母管上流からみて右方向振り出し
ORF30B-R 2231 10 30°対向曲げ
母管上流からみて下方向振り出し
ORF30B-D 2232 11 30°対向曲げ
母管上流からみて左方向振り出し
ORF30B-L 2233 12 45°対向曲げ
母管上流からみて上方向振り出し
ORF45B-U 2245 13 45°対向曲げ
母管上流からみて右方向振り出し
ORF45B-R 2246 14 45°対向曲げ
母管上流からみて下方向振り出し
ORF45B-D 2247 15 45°対向曲げ
母管上流からみて左方向振り出し
ORF45B-L 2248 16 90°対向曲げ
母管上流からみて上方向振り出し
ORF90B-U 2290 17 90°対向曲げ
母管上流からみて
右方向振り出し
ORF90B-R 2291 18 90°対向曲げ
母管上流からみて
下方向振り出し
ORF90B-D 2292 19 90°対向曲げ
母管上流からみて
左方向振り出し
ORF90B-L 2293 - リングタイプ前後直管振り分け
No. 方向/記号/Code タイプ 20 振り分け30° 
ORRSU60 2330 21 振り分け45° 
ORRSU45 2345 22 振り分け60° 
ORRSU30 2360 23 振り分け90° 
ORRSHRZ 2390 24 振り分け120° 
ORRSD30 2420 25 振り分け135° 
ORRSD45 2435 26 振り分け150° 
ORRSD60 2450 - 前後90°曲管振り分け
No. 方向/記号/Code タイプ 27 前後90°振り分け 
OTCD30 2700 - パイプタップ
No. 方向/記号/Code タイプ 28 天または北 
ORRPPT 2620
オリフィスタップ定義
オリフィスタップ振り分けタイプ、パターン、角度等詳細はAG(J)ORTP.csvで定義します。
定義項目は以下の通りです。
| 項目 | 内容 | |||
|---|---|---|---|---|
| オリフィスタップCode |
オリフィスタップを示すユニークな番号 |
|||
|
配管スタイルカタログCode(icat)と重複してはいけません。 |
||||
| オリフィスCode | P | プレートタイプ | ||
| R | リングタイプ | |||
| オリフィスタップ記号 |
オリフィスタップを示す記号 オリフィスタップダイアログの一覧に表示される記号です。 |
|||
| プレビュービットマップ |
オリフィスタップダイアログに表示されるプレビュービットマップFile名 FileはEYECAD\symbol_bitmap\3d_style以下に置きます。 |
|||
| コマ図File |
スプール図出力時のコマ図File名 Fileはbg/Gstyle以下に置きます。 |
|||
| サイズ | オリフィスタップのサイズ(サイズCode) | |||
| 配管経路パターン記号 |
AG(J)PPGR.xml内で定義するオリフィスタップ配管経路パターン記号 下流側の形状を定義します。 |
|||
| 母管軸廻り角度 | 母管からの分岐、上もしくは北を基準(0°)に流れ方向右ネジ回転角度 | |||
| 振り分けタイプ | S | 直管振り分けタイプ(オリフィス中心点対象) | ||
| B | ベンド対向タイプ(オリフィス中心面に対象) | |||
| C | 曲管振り分けタイプ | |||
| P | パイプタップタイプ | |||
| 中心振り分け距離計算記号 | QFTF | 面間x0.25 用途:RingTap | ||
| HFTF | 2mm+ガスケット厚+25.4(固定長) 用途:FlangeTap | |||
| PPOD | 上流側、母管外径x0.5, 下流側、母管外径 | |||
| 母管側分岐タイプ | SPEC | スペックに従う | ||
| BSRF | Flange外周SR分岐 | 母管側機能Code | BRF(381) | |
| BSFD | Flange外周SW分岐 | BWF(382) | ||
| BFPH | ウェハー外周SW分岐 | BPH(383) | ||
| BPPT | ロングOLET分岐 | BLOL(385) | ||
|
この分岐部品は初期設定では材料集計される仕様になっています。 AG(J)ISPR.csvの機能Code 381、382、383、385の行のCB列(Word#97)に材料集計Flagがありますので、「1」->「0」に変更してバイナリ変換することで材料集計されなくなります。 材料集計Flagの説明は、ISPRのマニュアル 06-10-7-1 を参照願います。 |
||||
| 訂番 | 訂正番号 | |||
| 訂正内容 | 変更内容 | |||
| 年月日 | YYYY/MM/DD形式の年月日 | |||
例)

AG(J)ORTP.csv (実際のFileはカンマ区切りのText Fileですが、見易いように帳票形式で表現しています)
| オリフィスタップCode | オリフィスCode | オリフィスタップ 記号 |
プレビュー ビットマップ |
コマ図File | サイズ | 配管経路 パターン 記号 |
母管軸廻り 角度 |
|
|---|---|---|---|---|---|---|---|---|
| 2230 | P | P | ORF30B-U | ORF30B-U.bmp | ORF30B-U.dxf | 137 | ORF30B | 0 |
| 振分け タイプ |
中心振り 分け距離 計算記号 |
母管側 分岐 タイプ |
訂番 | 訂正内容 | 年月日 |
|---|---|---|---|---|---|
| B | HFTF | BSFD | 1 | AD | 2009/7/1 |
管経路パターン定義(BG(J)PPGR)
1つの配管経路パターンは以下で構成されます。
| 1 | パターン記号 | ANK256文字以内の文字列で定義します。AG(J)ORTP.csv内の配管経路パターン記号と同じものです。 | |||||||||||||||||||||||||||||||||||||||||||||||||||||||||||||||||||||||||||||||||||||||||||||||||||||||||||||||||||||||||||||||||||||||||||||||
| 2 | パラメータ |
パラメータはポイント座標や曲率半径内で使用する変数を定義します。ここで定義した変数とデフォルト値がオリフィスタップダイアログに表示されます。パラメータにはシステムパラメータがあり、自動的にシステムがその値を設定します。 |
|||||||||||||||||||||||||||||||||||||||||||||||||||||||||||||||||||||||||||||||||||||||||||||||||||||||||||||||||||||||||||||||||||||||||||||||
| 3 | 配管経路 ポイント |
配管経路ポイントDataは各ポイントに以下のプロパティを持ちます。 ポイント数は30ポイント以内です。セグ数がNの場合、合計ポイント数にN-1を加算する必要があります。
|
|||||||||||||||||||||||||||||||||||||||||||||||||||||||||||||||||||||||||||||||||||||||||||||||||||||||||||||||||||||||||||||||||||||||||||||||
BG(J)PPGR(実際のFileはバイナリ形式ですが、見易いように帳票形式で表現しています)
例)ORF30B


直付け、最小距離押さえを指定する場合も仮の座標式定義が必要です
例えば上記のポイント5を最小距離もしくは直付けにする場合最小距離(直付け)指定が可能なポイント5の座標式の定義が必要です
最小距離(直付け)指定が可能なポイントとはmroutの移動コマンドで最小距離指定可能なポイントです。
配管経路パターンポイント式(曲率半径、座標)に使用できる記号は以下の通りです。
| 数値、括弧 | (,),1,2,3,4,5,… |
|---|---|
| 四則演算 | +-*/(左から加減剰余) |
| 数学関数 | 平方根:SQRT(…), 三角関数:SIN(…),COS(…),TAN(…) |
| パラメータ | +-/*()空白以外のアルファベット文字と数字 |
| システムパラメータ | @PS システムが母管のオリフィス半径に置き換えます。 |
配管経路パターン編集操作
配管経路パターン編集操作方法
- "ツール"→"配管経路パターン定義"で以下の配管経路パターン定義ダイアログが表示されます。
- パターン名リストでパターンを選択するとそのパターンの"パラメータ定義"と"経路パターンポイント定義"がリストに表示されます。

パターン記号リスト
- 新しく配管経路パターンを追加する場合パターン記号リストの右の追加ボタンを押します。
- 以下のパターン記号追加ダイアログが表示されるのでパターン記号を入力してOKボタンを押します。

- リストに新しいパターン記号が追加されます。
- リストを選択して削除ボタンを押すとそのパターン記号が削除されます。
- リストを選択して変更ボタンを押すとそのパターン記号名を変更できます。
-
リストを選択してコピーボタンを押すと記号入力ダイアログが現れます。
コピー後の名前を入力してOKで選択したパターン記号のコピーが追加されます。
パラメータ定義リスト
- パラメータ定義リストにはパターン記号リストで選択したパターンのパラメータ定義がリスト一覧表示されます。
- パラメータを編集する場合、セルをクリックするとその行が反転、セルが編集可能となります。

-
変数を追加する場合、追加ボタンを押すと選択行の下に行が挿入されます。
各セルはクリックで編集可能となります。

経路パターンポイント定義
- 経路パターンポイント定義リストにはパターン記号リストで選択したパターンの経路パターンポイント定義がリスト一覧表示されます。
- パラメータ定義リスト同様、各セルをクリックしてポイントの編集、追加ボタンでパターンポイントの追加が可能です。
保存
保存ボタンを押すと右のダイアログが表示されます。
編集した配管経路パターン定義をジェネラルBGPPGRもしくはBJPPGRに保存します。

閉じる
- 編集を終了するには閉じるボタンを押します。
- 内容が変更された場合、保存確認ダイアログが表示されます。保存する場合上記の保存先選択ダイアログが表示されるので保存先を選び[OK]ボタンを押してください。
配管経路パターン編集操作
配管経路パターン一覧
ORFS
- パラメータ定義部
パラメータ変数名 デフォルトパラメータ パラメータタイプ パラメータ補助データ P1 100 0 0 P2 150 0 0 @PS 0 2 0 
- 配管経路パターンポイント定義部
機能Code ポイントタイプ ベンド接続タイプ 曲率半径(式) セグ数 ポイント
X座標(式)ポイント
Y座標(式)ポイント
Z座標(式)配管高さ押え位置 部品押さえ位置 Tag No. 1 830 0 0 0 0 0 0 0 0 0 2 2101 0 0 0 0 0 0 @PS+P1 0 1 3 430 0 0 0 0 0 0 @PS+P1+P2 0 0 4 5
ORF30B
- パラメータ定義部
パラメータ変数名 デフォルトパラメータ パラメータタイプ パラメータ補助データ P1 60 0 0 P2 87 0 0 P3 60 0 0 P4 150 0 0 Rd 65 1 0 @PS 0 2 0

- 配管経路パターンポイント定義部
機能Code ポイントタイプ ベンド接続タイプ 曲率半径(式) セグ数 ポイント
X座標(式)ポイント
Y座標(式)ポイント
Z座標(式)配管高さ押え位置 部品押さえ位置 Tag No. 1 830 0 0 0 0 0 0 0 0 0 2 160 2 1 Rd 0 0 0 @PS+P1 0 0 3 160 2 1 Rd 0 P2/SQRT(3) 0 @PS+P1+P2 0 0 4 2101 0 0 0 0 P2/SQRT(3) 0 @PS+P1+P2+P3 0 1 5 430 0 0 0 0 P2/SQRT(3) 0 @PS+P1+P2+P3+P4 0 0
ORF45B
- パラメータ定義部
パラメータ変数名 デフォルトパラメータ パラメータタイプ パラメータ補助データ P1 75 0 0 P2 75 0 0 P3 150 0 0 Rd 65 1 0 @PS 0 2 0 
- 配管経路パターンポイント定義部
機能Code ポイントタイプ ベンド接続タイプ 曲率半径(式) セグ数 ポイント
X座標(式)ポイント
Y座標(式)ポイント
Z座標(式)配管高さ押え位置 部品押さえ位置 Tag No. 1 830 0 0 0 0 0 0 0 0 0 2 160 2 1 Rd 0 0 0 @PS+P1 0 0 3 2101 0 0 0 0 P2/SQRT(2) 0 @PS+P1+P2/SQRT(2) 0 1 4 430 0 0 0 0 (P2+P3)/SQRT(2) 0 @PS+P1+(P2+P3)/SQRT(2) 0 0 5
ORF90B
- パラメータ定義部
パラメータ変数名 デフォルトパラメータ パラメータタイプ パラメータ補助データ P1 100 0 0 P2 100 0 0 P3 150 0 0 Rd 65 1 0 @PS 0 2 0 
- 配管経路パターンポイント定義部
機能Code ポイントタイプ ベンド接続タイプ 曲率半径(式) セグ数 ポイント
X座標(式)ポイント
Y座標(式)ポイント
Z座標(式)配管高さ押え位置 部品押さえ位置 Tag No. 1 830 0 0 0 0 0 0 0 0 0 2 160 2 1 Rd 0 0 0 @PS+P1 0 0 3 2101 0 0 0 0 P2 0 @PS+P1 0 1 4 430 0 0 0 0 P2+P3 0 @PS+P1 0 0
ORRS
- パラメータ定義部
パラメータ変数名 デフォルトパラメータ パラメータタイプ パラメータ補助データ P1 135 0 0 P2 150 0 0 @PS 0 2 0 
- 配管経路パターンポイント定義部
機能Code ポイントタイプ ベンド接続タイプ 曲率半径(式) セグ数 ポイント
X座標(式)ポイント
Y座標(式)ポイント
Z座標(式)配管高さ押え位置 部品押さえ位置 Tag No. 1 830 0 0 0 0 0 0 0 0 0 2 2101 0 0 0 0 0 0 @PS+P1 0 1 3 430 0 0 0 0 0 0 @PS+P1+P2 0 0
OTCD
- パラメータ定義部
パラメータ変数名 デフォルトパラメータ パラメータタイプ パラメータ補助データ P1 100 0 0 P2 100 0 0 P3 150 0 0 Rd 65 1 0 @PS 0 2 0 
- 配管経路パターンポイント定義部
機能Code ポイントタイプ ベンド接続タイプ 曲率半径(式) セグ数 ポイント
X座標(式)ポイント
Y座標(式)ポイント
Z座標(式)配管高さ押え位置 部品押さえ位置 Tag No. 1 830 0 0 0 0 0 0 0 0 0 2 160 2 1 Rd 0 0 -(@PS+P1)*SQRT(3)/2 -(@PS+P1)/2 0 0 3 2101 0 0 0 0 -P2 -(@PS+P1)*SQRT(3)/2 -(@PS+P1)/2 0 1 4 430 0 0 0 0 -P2-P3 -(@PS+P1)*SQRT(3)/2 -(@PS+P1)/2 0 0
ORFP
- パラメータ定義部
パラメータ変数名 デフォルトパラメータ パラメータタイプ パラメータ補助データ P1 100 0 0 P2 200 0 0 @PS 0 2 0 
- 配管経路パターンポイント定義部
機能Code ポイントタイプ ベンド接続タイプ 曲率半径(式) セグ数 ポイント
X座標(式)ポイント
Y座標(式)ポイント
Z座標(式)配管高さ押え位置 部品押さえ位置 Tag No. 1 830 0 0 0 0 0 0 0 0 0 2 2101 0 0 0 0 0 0 @PS+P1 0 11 3 430 0 0 0 0 0 0 @PS+P1+P2 0 0
パラメトリック配管経路入力
概要
本機能は配管経路パターン定義(BG(J)PPGR)を使用して分岐配管を作成します。
配管経路パターンの定義は「配管経路パターン編集操作方法」を参照してください。
入力操作
- 分岐母管のパイプを選択します。(2次選択)
-
"配管"メニューの"パラメトリック配管入力"を選択すると、座標指定ダイアログが現れます。
母管の分岐位置を決定すると、配管仕様設定ダイアログが現れるので、分岐配管の仕様を入力します。

-
"OK"ボタンを押すと"パラメトリック配管経路入力"ダイアログが表示されます。
左側のリストにBG(J)PPGRで定義した経路一覧リストが表示され、右側に現在選択している記号のパラメータがデフォルトの値で表示されます。
分岐方向を選択、パラメータを設定して"OK"ボタンを押すと設定したパラメータで分岐配管が作成されます。
"適用"ボタンで確認も可能です。

以下にパラメトリック配管経路入力用に追加したパターン、JUMPER,JUMPER2,DRAINの定義内容を示します。
配管経路パターン
JUMPER
- パラメータ定義部
パラメータ変数名 デフォルトパラメータ パラメータタイプ パラメータ補助データ P1 150 0 0 P2 200 0 0 P3 200 0 0 P4 150 0 0 L 500 0 0 @PS 0 2 0 
- 配管経路パターンポイント定義部
機能Code ポイントタイプ ベンド接続タイプ 曲率半径(式) セグ数 ポイントX座標(式) ポイントY座標(式) ポイントZ座標(式) 配管高さ押え位置 部品押さえ位置 Tag No. 1 830 0 0 0 0 0 0 0 0 0 2 120 0 0 0 0 0 0 @PS+P1 0 0 3 160 0 0 0 0 0 0 @PS+P1+P2 0 0 4 160 0 0 0 0 L @PS+P4+P3 @PS+P1+p2 0 0 5 160 0 0 0 0 L @PS+P4+P3 0 0 0 6 120 0 0 0 0 L @PS+P4 0 0 0 7 810 0 0 0 L @PS 0 0 0
JUMPER2
- パラメータ定義部
パラメータ変数名 デフォルトパラメータ パラメータタイプ パラメータ補助データ P1 150 0 0 P2 200 0 0 L 360 0 0 Rd 180 0 0 @PS 0 2 0 
- 配管経路パターンポイント定義部
機能Code ポイントタイプ ベンド接続タイプ 曲率半径(式) セグ数 ポイントX座標(式) ポイントY座標(式) ポイントZ座標(式) 配管高さ押え位置 部品押さえ位置 Tag No. 1 830 0 0 0 0 0 0 0 0 0 2 120 0 0 0 0 0 0 @PS+P1 0 0 3 160 2 1 Rd 0 0 0 @PS+P1+P2 0 0 4 160 2 1 Rd 0 L 0 @PS+P1+P2 0 0 5 120 0 0 0 0 L 0 @PS+P1 0 0 6 810 0 0 0 0 L 0 @PS 0 0
DRAIN
- パラメータ定義部
パラメータ変数名 デフォルトパラメータ パラメータタイプ パラメータ補助データ P1 140 0 0 P2 140 0 0 @PS 0 2 0 
押さえ位置を直付指定(11)した場合、定義した位置から"直付け"処理を行います。
パラメータの値が小さすぎると正しく直付け処理が行われません。
本パターンではP1,P2を定義し母管表面からP1の位置に仕切弁、P1+P2の位置にキャップを定義して、それらの中間にパイプニップルを定義します。各部品の押さえ位置は直付け(11)指定とします。P1,P2はあくまでも直付け部品をおく目安として定義します。
直付け処理が実行されるので、例えば仕切弁が母管表面+P1の位置に配置されるとは限りません。
- 配管経路パターンポイント定義部
機能Code ポイントタイプ ベンド接続タイプ 曲率半径(式) セグ数 ポイントX座標(式) ポイントY座標(式) ポイントZ座標(式) 配管高さ押え位置 部品押さえ位置 Tag No. 1 830 0 0 0 0 0 0 0 0 0 2 57 0 0 0 0 0 0 @PS+P1/2 0 11 3 2101 0 0 0 0 0 0 @PS+P1 0 11 4 57 0 0 0 0 0 0 @PS+P1+P2/2 0 11 5 430 0 0 0 0 0 0 @PS+P1+P2 0 11



















































