1313 詳細マーク タグ
クラス変更マーク
クラス変更マーク表示
クラス変更マークに発生機能はありません。
文字レイヤNo.7の形式により、自動表示します。
| 説明 | |
|---|---|
| 非表示 | クラス変更マークを表示しません。 |
| 表示 | クラス変更マークを表示します。 |

表示条件
-
画面に垂直な配管のクラス変更マークは表示しません。
-
クラスの文字列の表示形式はラインマークと同様です。
-
ステップタイプのクラス変更の場合は、下表に示す2種の表記方法を選択することが可能です。
下表を参考に、組図レイヤ外制御(AG(J)CNST S093)のW#60(StepType Class変更Mark表示方式Flag)の値を設定してください。
組図レイヤ外制御については、「組図レイヤ外制御」を参照してください。
ステップタイプのクラス変更マークの設定と表記例
S093 W#60の設定値 692(初期値) 0 ステップタイプの表記様式 上流側、下流側を一つのマークで表記
スプール図と同等の表記様式
上流側、下流側で別々のマークで表記
V6.91以前の表記様式
ステップタイプの例 

注意事項
-
Ver.6.00よりバルブの両端のクラス変更マークを表示するように変更しました。
よって、前バージョンで編集済みの図面のクラス変更マークの編集位置を保持できない場合があります。クラス変更マークを再編集して下さい。
-
1本の配管に表示できるクラス変更マークは5個までです。
よって、1本の配管に6個以上のクラス変更がある場合は、最初から5番目までのクラス変更マークは表示しますが、6番目以降のクラス変更マークは表示しません。
-
下図のように、ノズルフランジ部でスペックチェンジを行ってもスペックチェンジマークは表示されません。

-
StepType Class変更Mark表示方式Flagを変更した場合、編集済みの図面の表記も変わるため、クラス変更マークの再編集が必要な場合があります。
編集後に、Flagを変更した場合は、必ず図面の内容をチェックしてください。
基準クラス-ダミークラス間のクラス変更マーク
プラント属性定義の「基準-ダミークラス変更マーク」Flagが『非表示』になっている場合、基準クラス-ダミークラス間のクラス変更マークは表示されません。


流れ矢印発生 / 概要、方法、注意点
流れ矢印発生
流れ矢印発生の概要
配管の流れ矢印を発生させます。
流れ矢印発生の方法
-
[流れ矢印発生]モードに入ります。
[流れ矢印発生]モードに入るには、2通りの方法があります。
-
メニューの〔発生(C)〕-〔流れ矢印(F)〕をクリックします。
-
アイコン
をクリックします。

-
-
流れ矢印発生対象の配管を指定します。
-
流れ矢印を発生させる配管ラインを切断する様に直線を描きます。
-
開始点でマウスを左クリックし、マウスボタンを押したまま、マウスを動かしてください。
-
流れ矢印を発生させる配管を全て切断する直線になったらマウスのボタンを離してください。
-
直線と配管の交点に流れ矢印が発生します。

-
流れ矢印発生時の注意点
-
流れ矢印は、最大3つまで1ライン上に表示することができます。
-
カット面に交差していても、すでに3つ流れ矢印が表示されている場合には、そのラインには流れ矢印は発生しません。
サイズ変更マーク
サイズ変更マーク表示
サイズ変更マークに発生機能はありません。
文字レイヤNo.17の形式により、自動表示します。
表示形式は次ページ参照
表示条件
画面に垂直な配管は、サイズ変更マークが重なって表示されることがあります。

サイズ変更マークの形式
| 口径表示対象 | レイヤフラグ | |||||||
|---|---|---|---|---|---|---|---|---|
| 表示○ 非表示× | 文字列種 | |||||||
| 1,4 | 2,5 | 3,6 | 1,2,3 | 4,5,6 | ||||
|
直進サイズ変化の継手類 ![]() |
○ | ○ | ○ | ![]() |
![]() |
|||
|
レジューシングエルボ ![]() |
○ | ○ | ○ | ![]() |
||||
|
ティー分岐 ![]() |
× | ○ | ○ | ![]() |
![]() |
|||
|
クロス分岐 ![]() |
○ | ○ | ○ | ![]() |
||||
|
バルブニップル ![]() |
○ | ○ | ○ | ![]() |
||||
|
補強板付分岐、直付分岐 ![]() |
○ | ○ | ○ | ![]() |
||||
|
ボス分岐、0.let分岐 ![]() |
○ | ○ | ○ | ![]() |
||||
|
異径フランジ ![]() |
○ | ○ | ○ | ![]() |
![]() |
|||
|
ショートエルボ ![]() |
× | × | ○ | ![]() |
||||
|
調節弁類 ![]() IBMC:3019,3029,3030,3032,3069,3114,3119 |
× | ○ | × | ○ | × | ○ | ||
|
サイズ変化弁類(安全弁等) ![]() |
○ | ○ | ○ | ![]() |
||||
![]() IBMC:2219,2220,2265,2266,3097,3098 |
||||||||
※サイズ変更マークの表示は上記記載の部品のみ対応しています。
計装品タグの形式
計装品タグ
-
計装品タグは自動的に発生したTagの位置を変更するか、表示消去するのみで画面をピックして発生する機能はありません。
-
文字レイヤNo.25のフラグを変えることにより、計装品タグの形式を変更できます。
-
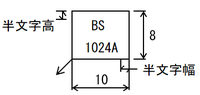
文字の大きさの標準はA3ベースで、縦:2.3 横:1.7mm〔A2ベースで、縦:3.25 横:2.4mm〕
-
Tag No.の文字の種類は英数字、カタカナおよび全角ローマ数字を含む漢字です。
-
入力時は全角、半角の区別がありますが、画面、図面への出力時は全ての文字種が単線ベクトルの文字Fontで出力されます。
-
Tag No.の文字の数は半角で最大12文字、全角で6文字です。全角1文字を入れるととあと半角は10文字となります。
ただし、半角の"-":ハイフンで、入力された文字が上下に分割されるので、表示される文字数は最大半角11文字となり、全角の文字が入るとその文字数の2倍の半角文字数が減ることになります。
注記について
-
注記は最大14漢字、28ANK文字、";"の文字で上下段分割表示されます。(ANKの時は半角の;、漢字の時は全角の;)
-
設定は[EYEPIPE-配管]のAPAD(BS)にて設定されます。
APAD(BS)の注記の欄の第1、2カラムが、0やスペースのときは表示されません。
-
フラグ2で、PE,TEの時は、パネル室行きを示す横線入り円になります。
| 文字レイヤ No.25 |
形式 | 出力例 | 備考 |
|---|---|---|---|
| 0 | 非表示 | ||
| 1 | 円 | ![]() |
枠内上下各5文字分 |
| 2 | 円(横線入り円) | PE,TEの場合のみ横線が入ります。 | |
| 3 | 長方形 | 枠内上下各5文字分 | |
| 4 | 円 | ![]() |
枠内上下各6文字分 |
| 5 | 長方形 | 枠内上下各6文字分 |
計装品タグのスタイル
-
スタイルフラグを設定すると下記の図記号を表示します。
-
3D配管バッチ処理のAPAD(BS)にて各計装品一品ごとにAPAD(BS)にスタイルフラグを設定して下さい。
-
スタイルフラグが設定されているタグは、下記の図記号で表示します。
スタイルフラグが設定されていないタグは、文字レイヤに合わせて図記号を表示します。
-
スタイルフラグ=-1に設定されているタグは表示しません。
| 使用区分 | Tagスタイルフラグ 図記号 |
||||
|---|---|---|---|---|---|
| 現場で提供される場合、または全く提供されない(ブラインド)場合 | 一般計器 | CPU直結 | デジタル 計装制御 |
デジタル | プログラマブル ロジック |
| 10 | 11 | 12 | 13 | 14 | |
![]() |
(なし) | ![]() |
![]() |
(なし) | |
| 計器室で提供される場合 | 20 | 21 | 22 | 23 | 24 |
![]() |
(なし) | ![]() |
![]() |
(なし) | |
| 現場盤で提供される場合 | 30 | 31 | 32 | 33 | 34 |
![]() |
(なし) | ![]() |
![]() |
(なし) | |
| Tagを表示しない場合 | -1 | -1 | -1 | -1 | -1 |
| 非表示 | 非表示 | 非表示 | 非表示 | 非表示 | |
配管付属品タグの形式
配管付属品タグ
-
付属品タグは自動的に発生したTagの位置を変更するか、表示消去するのみで画面をピックして発生する機能はありません。
-
文字レイヤNo.26のフラグを変えることにより、配管付属品タグの形式を変更できます。
-
文字の大きさの標準はA3ベースで、縦:2.3 横:1.7mm〔A2ベースで、縦:3.25 横:2.4mm〕
-
Tag No.の文字の種類は英数字、カタカナおよび全角ローマ数字を含む漢字です。
-
入力時は全角、半角の区別がありますが、画面、図面への出力時は全ての文字種が単線ベクトルの文字Fontで出力されます。
-
Tag No.の文字の数は半角で最大12文字、全角で6文字です。全角1文字を入れるととあと半角は10文字となります。
ただし、レイヤフラグ:1以外は半角の"-":ハイフンで、入力された文字が上下に分割されるので、表示される文字数は最大半角11文字となり、全角の文字が入るとその文字数の2倍の半角文字数が減ることになります。
| 文字レイヤ No.26 |
形式 | 出力例 | 備考 |
|---|---|---|---|
| 0 | 非表示 | ||
| 1 | 長円枠 | ![]() |
枠長は最低5文字分で、文字数に応じて長くなる。 |
| 2 | 丸 | ![]() |
枠内上下各5文字分 |
| 3 | 四角 | ![]() |
枠内上下各5文字分 |
| 4 | 丸 | ![]() |
枠内上下各6文字分 |
| 5 | 四角 | ![]() |
枠内上下各6文字分 |
バルブタグの形式
バルブタグ
バルブタグには発生機能がありません。
文字レイヤNo.27により、自動表示や形式を変更します。
-
バルブ記号は、プラント属性定義で各バルブの種類ごとにセットしておく必要があります。
-
バルブ品番は、3Dモデル入力で各一品ごとに入力しておく必要があります。
-
User定義パターンはプラント属性定義で設定する必要があります。
| 文字レイヤ No.27 |
形式 | 出力例 |
|---|---|---|
| 0 | 非表示 | ![]() |
| 1 | サイズ-バルブ記号 | ![]() |
| 2 | バルブ品番 | ![]() |
| 3 | サイズ-バルブ品番 | ![]() |
| 4 | バルブ記号-バルブ品番 | ![]() |
| 5 | 流体記号-バルブ品番 | ![]() |
| 6 | 未設定 | |
| 7 | 未設定 | |
| 8 |
流体記号の2文字目-バルブ品番- バルブ記号-サイズ |
![]() |
| 9 | User定義パターン | ![]() |
ノズルタグの形式
ノズルタグ
ノズルタグに発生機能はありません。
文字レイヤNo.28により、自動表示や形式を変更します。
| 文字レイヤNo.28 のフラグ |
形式 | 出力例 | |
|---|---|---|---|
| 閉止フランジ止め以外 | 閉止フランジ止め | ||
| 0 | 非表示 | ![]() |
|
| 1 | 閉止フランジ止めのノズル以外のノズルNo.とサイズ | ![]() |
![]() |
| 2 | 全てのノズルNo.とサイズ | ![]() |
![]() |
| 3 | (フラグ1の表示)+角度表示 | ![]() |
![]() |
| 4 | (フラグ2の表示)+角度表示 | ![]() |
![]() |
注意事項
編集済みの図面でモデル入力によるモデルDataまたは文字レイヤNo.28の形式を変更すると、ノズルタグ編集位置が保持されない、または表示されないノズルタグが生じる場合があります。
その場合は、ノズルタグを再編集して下さい。
組図のノズルタグの自動配置
V6.70より自動的にノズルタグが高さ順、角度順でグループ配置されます。

ノズルタグの角度表示
ノズルタグのレイヤ設定を、3または3に設定すると、ノズルの角度を表示する事ができます。
-
立面、平面、斜視のずれでも表示可能です。
-
タグの風船側の引出線上に表示します。
-
C.N.方向を「0°」として、上から見て、時計回り方向の角度で表示します。
-
タグが表示される全てのノズルの角度を表示しますが、個別に非表示には出来ません。
-
角度の値は、下表の規則に従い、整数または、小数点第一位までの角度で表示します。
なお、小数点以下の値が「.0」(例:45.0など)となるような場合は、整数で表示します。
条件 表示規則 例 a) 小数点以下が、0.9を超える場合 少数以下第一位を切り上げて、整数表示 45.95°→ 46° b) 小数点以下が、0.1未満の場合 少数以下第一位を切捨てて、整数表示 45.09°→ 45° c) a,b以外 小数以下第二位を四捨五入して、小数点第一位まで表示 45.55°→ 45.6°
角度表示位置の調整
組図レイヤ外制御(AG(J)CNST S093ページ)の第92~93ワード目に、オフセット値を設定する事で、角度表示の位置を調整する事が可能です。
オフセット値は、0.1mm単位の整数値で設定します。
組図レイヤ外制御の詳細については「EYEPIPE 3D図面編集出力」『m3dv 文字編集レイヤ構成』【組図レイヤ外制御】を参照してください。

機器付属品タグ
機器付属品タグは、特定の機器付属品に対して、タグを出力する機能です。
ノズルタグの一部として機能するため、表示非表示の設定は、レイヤNo.28で行います。
タグを表示する機器付属品の登録は、AG(J)CNST S015ページに、シンボルNo.(I3DC)と、タグの風船内に表示するアイテムNo.を設定することで行います。
タグを出力したい機器付属品のシンボルNo.(I3DC)を、AG(J)CNST S015のW#11~20に、シンボルNo.に対応するアイテムNo.を、W#21~30にそれぞれ設定します。
なお、機能を有効とするために、W#1に「670」を必ず設定してください。
ノズルタグとの違いについて
機器付属品タグは、ノズルタグと比較して以下の違いがあります。
-
機器付属品タグには、角度表示はありません
-
機器付属品タグの風船は、円のみで、内部に直線は引かれません
特記事項
ノズルタグの自動配置機能は、機器付属品タグにも有効となります。
自動配置が行われた場合、ノズルオリエンテーションが機器付属品と同一方向にあり、重なる場合には、機器付属品タグが機器芯に一番近いタグとみなされ配置されます。
設定サンプル
以下の設定サンプルでは、機器付属品の銘板(No.11435)のタグを出力する設定となっており、風船内には、アイテムNo.557「銘板」が出力されます。

上図が以下の設定で出力した場合の出力例です。
| AGCNST Page S015 | |||||||||||
|---|---|---|---|---|---|---|---|---|---|---|---|
| W# | x1 | x2 | x3 | x4 | x5 | x6 | x7 | x8 | x9 | x0 | |
| 0x |
機器付属品 タグ表示 有効フラグ |
機器付属品 タグ表示対象 シンボル数 |
0x | ||||||||
| 670 | 1 | ||||||||||
| 1x | タグ表示対象機器付属品のシンボルNo. (I3DC) | 1x | |||||||||
| %1 | %2 | %3 | %4 | %5 | %6 | %7 | %8 | %9 | %10 | ||
| 11435 | 0 | 0 | 0 | 0 | 0 | 0 | 0 | 0 | 0 | ||
| 2x | タグ内表示名称設定 (AG(J)ITEMのアイテムNo.) | 2x | |||||||||
| %1 | %2 | %3 | %4 | %5 | %6 | %7 | %8 | %9 | %10 | ||
| 557 | 0 | 0 | 0 | 0 | 0 | 0 | 0 | 0 | 0 | ||
| 3x | 3x | ||||||||||
| 4x | 4x | ||||||||||
| 5x | 5x | ||||||||||
| 6x | 6x | ||||||||||
| 7x | 7x | ||||||||||
| 8x | 8x | ||||||||||
| 9x | 9x | ||||||||||
フロアサポートタグの形式
フロアサポートタグ
フロアサポートタグには発生機能がありません。
文字レイヤNo.29により、自動表示や形式を変更します。
| 文字レイヤ No.29 |
形式 | 出力例 |
|---|---|---|
| 0 | 非表示 | ![]() |
| 1 | 長円枠 | ![]() |
部材記号 形式
部材記号は、mroutで入力したデータタイプを参照し、以下の記号にデータ順を付加した文字列を自動表示します。
| タイプNo. | データタイプ | 記号 |
|---|---|---|
| 1 | 柱 | C |
| 2 | 大梁 | G |
| 3 | 小梁 | B |
| 5 | 垂直ブレース | V |
| 6 | 水平ブレース | H |
| 8 | 間柱 | P |
| 9 | 片持梁 | CG |
| 文字レイヤ No.30 |
形式 | 出力例 |
|---|---|---|
| 0 | 非表示 | |
| 1 | 部材記号表示 | ![]() |
| 2 | 部材記号表示(回転角0°に固定) | ![]() |
| 3 | 部材記号および部材リスト表示 | ![]() |
部材リスト表示 / 出図
AJCNSTで設定した位置に、図面単位(DWG#毎)に部材リストを表示します。
部材リストのフォーマット
-
罫線は下記部材リスト表示例の様に表示します。
-
部材記号と部材寸法のみを表示します。
-
部材リストは基本的に1列で表示します。
1列で表示できない場合は、2列で表示します。
-
文字サイズは部材記号に合わせます。
文字レイヤ(No.=30)十位で部材記号の文字サイズを変更した場合は、部材リストの文字サイズも変更します。
-
部材リストの表示例

-
記号欄の大きさは常に4文字分です。
最大4文字まで表示します。
-
部材寸法欄の大きさは、常に20文字分です。
20文字を超える場合には、全ての文字が入るように文字サイズを小さくして表示します。
-
-
部材リスト内に表示する部材記号、部材寸法は、構造物の物体レイヤがON、かつキープラン以外のSEC#から設定します。
AG(J)CNSTに右下原点等を設定した場合の部材リストの表示/出図位置
AG(J)CNSTのData設定は次ページ(「部材リスト表示」)を参照して下さい。
-
AG(J)CNSTにVer.No.未設定または原点が図面枠外等の不正Dataが設定されている場合は、これらのDataを参照しません。
デフォルトの表示位置に部材リストを表示します。
-
設定した右下原点、幅、縦長さによる部材リスト欄に部材リストを表示/出図します。
図1破線部参照(部材リスト欄)
-
破線部の右上点から部材記号+部材寸法の文字列を表示/出図します。
-
文字列の数により設定した縦長さのエリアに部材リストを1列で表示/出図出来ない場合は、2列で表示します。
-
文字列の長さや部材リストの列数により部材リストの実幅とAG(J)CNSTに設定した幅が一致しない場合は、部材リストの実幅を優先します。

-
-
表題欄やキープラン等の位置に関係なく、AG(J)CNSTに設定したDataを最優先して、部材リストを表示します。
図面枠、表題欄の座標、パターンNo.等が設定されてない場合は、部材リストを表示しません。
AG(J)CNSTに右下原点等を設定していない場合
-
表題欄とキープラン枠の間に部材リストを表示/出図します。
図2破線部参照(部材リスト欄)。
-
部材リストの右下原点は、表題欄の右上点とします。
-
破線部の右上点から部材記号+サイズ文字列を表示/出図します。
-
文字列の数により表題欄とキープラン枠の間に部材リストを1列で表示/出図出来ない場合は、2列で表示/出図します。
-
部材リストの幅は、文字列の長さや部材リストの列数により決定します。
- ※1. キープラン・フラグ=1に設定してあるSEC#をキープランとします。
-
※2. キープラン枠はキープランSEC#の図化エリアの枠とします。
キープランのSEC#が未編集の場合は、4.と同様に表示/出図します。
- ※3. 1つのDWG#中に複数のキープランが存在した場合は、最初のキープランに合わせて部材リストを表示/出図します。
- ※4. キープランが登録されていない場合は、表題欄と図面枠右上点の間に部材リストを表示/出図します。

-
部材リスト表示
部材リストの表示エリア設定テーブルについて
AG(J)CNST Page S100へ下記Data設定後、mab(j)を起動してください。
下記Data5項目が全て設定されていない場合はデフォルト位置に部材リストを表示します。
| 1 | 2 | 3 | 4 | 5 | 7 | 8 | 9 | 10 | ||
|---|---|---|---|---|---|---|---|---|---|---|
| 部材リスト | 部材リスト | 部材リスト | 部材リスト | 0X | ||||||
| 右下X | 右下Y | 幅 | 縦長さ | |||||||
| デフォルト部材記号(区点Code 漢字不可) | 1X | |||||||||
| 柱 | 大梁 | 小梁 | 垂直ブレース | 水平ブレース | ||||||
| C | G | B | V | H | ||||||
| 0335 | 0101 | 0339 | 0101 | 0334 | 0101 | 0354 | 0101 | 0340 | 0101 | |
| デフォルト部材記号(区点Code 漢字不可) | 2X | |||||||||
| 間柱 | 片持梁 | |||||||||
| P | C | G | ||||||||
| 0348 | 0101 | 0335 | 0339 | |||||||
| ソート条件 | 3X | |||||||||
| 1 | ||||||||||
| 4X | ||||||||||
| 5X | ||||||||||
| 6X | ||||||||||
| 7X | ||||||||||
| 8X | ||||||||||
| バージョンフラグ | 9X | |||||||||
| 510 | ||||||||||
※1 ソート条件
0 : 部材長を考慮してソート(部材リストが多量になるため推奨しません)
1 : 部材長を無視してソート(デフォルト部材長さ不一致でも同一部材とします)
部材リスト表示 注意事項
-
図面枠、表題欄の座標、パターンNo.等が設定されてない場合は、部材リストを表示しません。
-
部材記号文字レイヤについて
-
複数のセクションが存在する図面で部材リストを表示する場合は、その中の1つのセクションのみ、文字レイヤNo.30(部材記号)の形式を部材記号+部材リストに設定して下さい。
-
複数のセクションで、文字レイヤNo.30(部材記号)の形式を部材記号+部材リストに設定し、セクション再読込すると、正確な部材リストを表示しません。
-
-
必ず、JPTMST(構造物File)に部材記号を設定して下さい。
部材記号は、3Dモデル入力のプロパティ画面にて入力可能です。
「図面/リスト出力」→機器/構造物/フロアData参照(mbptt)にて一括で設定することが出来ます。
設定方法は下記になります。
mbptt →
メニューNo.1:Equip.Structure Data Output/Modifyを選択
メニューNo.4:Default Setを選択
メニューNo.1:Structure Member Default Setを選択
-
このLu#内にJSTEEL(構造物応力解析用Data)が存在しているとこの部材リストが出てきません。
EYESTEELにて、構造物応力解析のためのJSTEELの作成は、Lu#を別Lu#にコピーして行って下さい。
※JSTEELはMroutメニューの構造物(S)、JSTEELへの出力を実行することにより作成されます。
-
部材リスト設定のフロー

-
Ver.6.00より部材記号とその記号-部材種のリストを図面上に表示、出力する機能はEYEPIPEの標準となりました。
部材のリストを1図面上の中で、いくつか分割し、それぞれの列を指定して任意に配置する機能はなくなり、常にたてに1列となるリストをいくつかに分割して配置できるスタイルとなりました。
ただし、Ver.5.20以前に指定作図した図面は、Ver.6.00以後も出力のみ可能です。
EYESUPT サポート配置No.の形式
EYESUPT サポート配置No.
サポート配置No.には発生機能がありません。
文字レイヤNo.31により、自動表示や形式を変更します。
長円枠表示のみです。
| 文字レイヤ No.31 |
形式 | 出力例(固定部にEYECAD、エリア部にPIPERACK、連番部に1000を定義) |
|---|---|---|
| 0 | 非表示 | |
| 1 | 固定部-エリア部-連番部 | ![]() |
| 2 | 固定部-連番部 | ![]() |
| 3 | エリア部-連番部 | ![]() |
| 4 | 固定部-エリア部 | ![]() |
| 5 | 固定部 | ![]() |
| 6 | エリア部 | ![]() |
| 7 | 連番部 | ![]() |
| 8 | ||
| 9 | User定義パターン |
サポートNo.の文字列について
3Dモデルで入力された文字列を表示しますが、User定義パターンの設定により変更可能です。
User定義パターンについて
User定義パターンを設定している場合はそのパターンに合わせた文字列を表示します。
User定義パターンが設定されていれば自動的にそのパターンの文字列を表示します。
サポートファスナマーク
サポートファスナマーク(以下マークと記します)を表示します。
マークの編集機能
移動、回転、消去等の編集機能はありません。
マークの表示位置
EYESUPTのサポートDataのファスナの位置
マークを表示する条件
-
平面図(キープランを除く)である。
-
マークの文字レイヤNo.32がONである。
-
サポートの物体レイヤがONである。
マークのパターン
-
AG(J)CNSTのS211~S215 Tableを参照してBG(J)IPTNに登録されたマークを表示します。
S211~S215の内容の詳細は22-06-5-1 ~ 22-06-5-4に統合移管しました。そちらを参照してください。
-
ダミーサポートはサポートしていません。
必要な場合はサポートを、
表示して下さい。
-
AG(J)CNSTのS211~S215 TableをUser定義していない場合は、デフォルトパターンのマーク(機能Code:2389
)を表示します。
マークの文字レイヤ制御
-
マークは外長をデフォルト2.0mmで表示します。
-
他文字種と同様に文字レイヤの十位によって±0.3mmずつマークのサイズを変更可能です。(0.8~3.2mm)
-
マークを3.2mm以上にする場合はAG(J)CNST Page S211のx9ワード目に数値を入れることにより可能です。
(3.3mm~6.0mmまで0.1mm単位で設定可能、S211へのフラグは33~60まで10単位で入力します。)
-
マークの線の幅を太くする場合は、AG(J)CNST Page S211の9ワード目に数値を入れることにより可能です。
設定可能な数値は、次の通りです。
-
0:極細線(デフォルトの線幅。従来の線幅は「0」設定時と同等です)
-
1:細線
-
2:中太線
-
注意事項
-
マークを外長2.0mmで表示するために、パターンのX、Y座標のMin、Maxを参照してマークをスケーリングしています。
よって、マークのパターンによっては正方形が長方形になるような場合があります。
-
AG(J)CNSTへ存在しないファスナCodeや品目名称等を設定した場合は、サポートファスナマークを表示しません。
-
メモリ上の制約に付き、表示できるサポートファスナマークは1セクションあたり8,000個です。






































































