1108 構造物
概要
- 工場配置やプラントにおける、架構やラック等の構造物の三次元Dataを、グラフィックディスプレイ対話で作成します。
- 構造物の柱や梁などの一品一品の入力もできますが、架構やパイプラックのように単品を組み合わせて入力する場合は単品毎の寸法・位置などを指定するため操作が非常に複雑となります。この様な組合された構造物Dataを簡単に作成できるのが構造物モデル入力です。
- Dataは全て「構造物モデル」なる構造をしており、各部材の接続関係、部材Code等で表現されています。
-
標準部材種として、次の8種類が取り扱えます。
No. 部材種名 記号 1. 等辺山形 L 2. 不等辺山形 L 3. I形 I 4. みぞ形 [ 5. H形 H 6. パイプ ○ 7. 角形管 □ 8. CT形 T 9. RC □ それぞれ市場でよく使われる寸法(雑誌「積算資料」に記載のものの他JIS規格品も)は、Dataとして内蔵されています。
メニューピックで選定します。任意寸法入力された部材はビルドアップ材として設定されます。
形状(3Dシンボル)は“形鋼3Dシンボル”のPageを参照して下さい。
-
補助線/通り芯上に配置することができます。芯ズレ設定も可能です。
V7より芯ズレ値は実数値で保存するようになり精度があがりました。V6.Xまでは整数値で保存していました。
- グループコピー・グループ移動・パイプラック用リピート機能など、入力簡便化がはかれます。
-
取り扱えるビルドアップ材について
No. 部材種名 記号 1. I形 B.U 2. CT形 B.U 3. カバー補強H形 ※ 4. 十字柱 ※ 5. 山形 B.U 6. 2丁山形 ※ 7. みぞ形 B.U 8. 2丁みぞ形 ※ 9. 平鋼 10. 丸鋼 11. パイプ B.U 12. 角形管 B.U 13. つづり合わせCT形 B.U 14. H形 B.U ※これらの立体表示は角柱表示となります。
そのため立体表示用とEYESTEEL(オプション)対応の応力解析、材集用の断面Dataの2種類の寸法入力を行います。
以下に2丁山形での例を示します。

- 立体表示用のみ(EYESTEELを使わない場合)であればシンボルパラメータ(P1:高さ,P2:幅)の入力だけして下さい。
- ※マーク以外のビルドアップ材は各々標準部材の場合と同一の3次元シンボルが対応します。対応関係は“形鋼3Dシンボル”のPageを参照して下さい。
Ver.6.51より構造物モデル新規作成時に「刃の位置」の指定が可能となりました。「刃の位置」は以下の部材を選択したとき指定可能です。
- 等辺山形
- 不等辺山形
- CT形
- CT形(B.U)

Ver.6.51より「刃の位置」のプロパティ表示は「+Z or +X or +Y/-Z or –X or -Y」から「+/-」と変更しました。

柱・梁一括入力
基礎・柱・梁等の構図物データを一括で入力します。
操作手順
-
柱・梁一括入力メニュー選択
メニューバーより、〔構造物(S)〕-〔新規作成(N)〕-〔柱・梁一括(A)〕を選択します。

または、マウス右クリックのポップアップメニューから〔構造物新規作成〕-〔柱・梁一括〕を選択します。

-
柱・梁入力用の補助線の交点選択
メニューを選択すると、【通り芯選択】ダイアログが表示されます。
構造物を入力するための補助線、通り芯をヒットします。
該当する補助線、通り芯をクリックすると、【通り芯選択】ダイアログに選択した座標値が表示されます。

-
【柱・梁一括入力】ダイアログにて設定
構造物入力のために補助線、通り芯の交点を選択後、【通り芯選択】ダイアログの[OK]ボタンをクリックすると、柱、梁の詳細を設定する【柱・梁一括入力】ダイアログが表示されますので、柱や梁の部材、梁レベル等を設定します。

- 梁整列タイプ
予め梁の取付け位置を芯ズレした状態で入力する場合、合わせ位置をチェックします。

- 基礎
基礎のサイズ、補助線・通り芯に対する芯ズレを設定します。

- 基礎Zレベル
- 基礎のレベルを設定します。
- 基礎の下端と天端のレベルを指定します。(From To指定)
-
テキストボックス内にレベル座標値を入力、またはテキストボックス右の矢印ボタンをクリックします。予めZ座標の補助線、通り芯を入力しておくと、座標一覧が表示されます。該当座標値を選択すると、指定した座標値がテキストボックスに反映されます。

- ベースプレート
基礎にベースプレートを入力する場合、「ベースプレート」にチェックを入れ、ベースプレートのサイズを設定します。

- リブプレート
基礎にリブプレートを入力する場合、「リブプレート」にチェックを入れ、「発生タイプ」を選択し、リブプレートのサイズを設定します。

- 柱用スプライスプレート
柱の接続部に取付けるスプライスプレートを入力する場合、「柱用スプライスプレート」にチェックを入れ、スプライスプレートのサイズと取付位置を指定します。
取付位置は柱に対して上端、下端、上下端に指定する事ができます。

- 柱
柱の部材等を設定します。

No. 名称 内容 1 部材 柱の部材種を選択します。
リストボックス横のボタンをクリックすると、部材種一覧が表示されます。
2 サイズ 部材のサイズを選択します。
リストボックス横のボタンをクリックすると、サイズ一覧が表示されます。
3 刃の向き 部材の刃の向きを指示します。
リストボックス横のボタンをクリックすると、方向一覧が表示されます。
4 芯ヅレ 柱を芯ヅレにする場合、補助線、通り芯に対してのヅレ方向、ヅレ数値を設定します。 5 部材参照 既に入力済みの構造物データと同じ部材を指示する場合、[部材参照]ボタンをクリックした後、該当部材をクリックすると、ヒットした部材と同じ部材、サイズになります。 - 柱Zレベル
- 柱、梁のZレベルを設定します。
- 柱の場合、柱の天端レベルの設定となります。
- 梁の場合、梁が取付くZレベルを指定します。
- 梁Zレベルテキストボックスは「複数入力」をチェックすると、複数Zレベル指定を行えるようになります。
-
該当レベルをカンマ(,)で区切り、Zレベルの数値を入力して行きます。

- ガセットプレート
柱と梁の接合部分にガセットプレートを入力する場合、「ガセットプレート」にチェックを入れ、ガセットプレートのサイズを指定します。

- 梁用スプライスプレート
- 梁の接合部分にスプライスプレートを入力する場合、「梁用スプライスプレート」にチェックを入れ、スプライスプレートのサイズと取付位置を指定します。
-
取付位置は、梁の端から取付ける位置を指定する事ができます。

- 梁
梁の部材等を設定します。

No. 名称 内容 1 部材 梁の部材種を選択します。
リストボックス横のボタンをクリックすると、部材種一覧が表示されます。
2 サイズ 部材のサイズを選択します。
リストボックス横のボタンをクリックすると、サイズ一覧が表示されます。
3 刃の向き 部材の刃の向きを指示します。
リストボックス横のボタンをクリックすると、方向一覧が表示されます。
4 芯ヅレ 梁を芯ヅレにする場合、補助線、通り芯に対してのヅレ方向、ヅレ数値を設定します。 5 梁レベル 梁の基準位置を指示します。
リストボックス横のボタンをクリックすると、梁レベルの一覧が表示されます。
6 部材参照 既に入力済みの構造物データと同じ部材を指示する場合、[部材参照]ボタンをクリックした後、該当部材をクリックすると、ヒットした部材と同じ部材、サイズになります。 - [発生 >>]ボタン
【柱・梁一括入力】ダイアログにて設定した内容で、モデリングウィンドウ上に構造物データが発生します。
この[発生 >>]ボタンをクリックした状態では、構造物データは確定していません。
[閉じる]ボタンをクリックした後、構造物データが反映します。
- [<< 戻す]ボタン
[発生 >>]をクリックした後、モデリングウィンドウに表示した構造物データを取止める場合、この[<< 戻す]ボタンをクリックします。
[<< 戻す]ボタンをクリックした後は、再び【柱・梁一括入力】ダイアログ上で設定する事が可能です。
- [閉じる]ボタン
ボタンをクリックすると、【柱・梁一括入力】ダイアログが閉じます。
- 梁整列タイプ
柱入力
柱の構造物データを入力します。
操作手順
-
柱入力メニュー選択
メニューバーより、〔構造物(S)〕-〔新規作成(N)〕-〔柱(C)〕を選択します。

または、マウス右クリックのポップアップメニューから〔構造物新規作成〕-〔柱〕を選択します。

-
柱入力用の通り芯・補助線の交点を選択
メニューを選択すると、【通り芯選択】ダイアログが表示されます。
構造物を入力するための補助線、通り芯をヒットします。
該当する補助線、通り芯をクリックすると、【通り芯選択】ダイアログに選択した座標値が表示されます。

-
【柱入力】ダイアログにて設定
構造物入力のために補助線、通り芯の交点を選択後、【通り芯選択】ダイアログの[OK]ボタンをクリックすると、柱の詳細設定をするための【柱入力】ダイアログが表示されますので、柱の部材等を設定します。

- 基礎
基礎のサイズ、補助線・通り芯に対する芯ズレを設定します。

- 基礎Zレベル
- 基礎のレベルを設定します。
- 基礎の下端と天端のレベルを指定します。(From To指定)
- テキストボックス内にレベル座標値を入力、またはテキストボックス右の矢印ボタンをクリックします。予めZ座標の補助線、通り芯を入力しておくと、座標一覧が表示されます。
-
該当座標値を選択すると、指定した座標値がテキストボックスに反映されます。

- ベースプレート
基礎にベースプレートを入力する場合、「ベースプレート」にチェックを入れ、ベースプレートのサイズを設定します。

- リブプレート
基礎にリブプレートを入力する場合、「リブプレート」にチェックを入れ、「発生タイプ」を選択し、リブプレートのサイズを設定します。

- 柱用スプライスプレート
柱の接続部に取付けるスプライスプレートを入力する場合、「柱用スプライスプレート」にチェックを入れ、スプライスプレートのサイズと取付位置を指定します。
取付位置は柱に対して上端、下端、上下端に指定する事ができます。

- 柱
柱の部材等を設定します。
No. 名称 内容 1 部材 柱の部材種を選択します。
リストボックス横のボタンをクリックすると、部材種一覧が表示されます。
2 サイズ 部材のサイズを選択します。
リストボックス横のボタンをクリックすると、サイズ一覧が表示されます。
3 刃の向き 部材の刃の向きを指示します。
リストボックス横のボタンをクリックすると、方向一覧が表示されます。
4 芯ヅレ 柱を芯ヅレにする場合、補助線、通り芯に対してのヅレ方向、ヅレ数値を設定します。 5 部材参照 既に入力済みの構造物データと同じ部材を指示する場合、[部材参照]ボタンをクリックした後、該当部材をクリックすると、ヒットした部材と同じ部材、サイズになります。 
- 柱Zレベル
柱のZレベルを設定します。
柱の天端レベルの設定となります。

- 基礎
梁入力(柱から)
梁の構造物データを入力します。
操作手順
-
梁入力メニュー選択
メニューバーより、〔構造物(S)〕-〔新規作成(N)〕-〔梁~柱から〕を選択します。

または、マウス右クリックのポップアップメニューから〔構造物新規作成〕-〔梁~柱から〕を選択します。

-
梁入力のための柱を選択
メニューを選択すると、【梁入力(柱から)】ダイアログが表示されます。
次に梁を入力する柱をクリックします。

ワンポイント
- 梁入力する柱をヒットする前の【梁入力(柱から)】ダイアログで、梁Zレベルのダイアログはデフォルトが0になっています。
-
該当する柱をヒットすると、ヒットされた柱の天端Z座標がダイアログ内のテキストボックスに表示されます。
また、柱ヒット前のZ座標一覧もグレーアウト表示となり選択不可の状態となります。

-
【梁入力】ダイアログにて設定
梁入力の詳細設定をする【梁入力(柱から)】ダイアログが表示された後、柱を選択します。
次に【梁入力(柱から)】ダイアログにて梁の部材等を設定します。

- [OK]ボタン
【梁入力(柱から)】ダイアログで設定した内容で、モデリングウィンドウに該当する梁が発生します。
- [適用]ボタン
【梁入力(柱から)】ダイアログで設定した内容をモデリングウィンドウ上で確認する場合、[適用]ボタンをクリックすると、設定した梁が表示されますが、データとしては発生していません。
- [キャンセル]ボタン
梁入力を中止します。
同時に【梁入力(柱から)】ダイアログが閉じます。
- [OK]ボタン
梁入力(通り芯から)
梁の構造物データを通り芯・補助線上に入力します。
操作手順
-
梁入力メニュー選択
メニューバーより、〔構造物(S)〕-〔新規作成(N)〕-〔梁~通り芯から〕を選択します。

-
梁入力のための、通り芯・補助線を選択
メニューを選択すると、【通り芯選択】ダイアログが表示されます。
構造物を入力するための補助線、通り芯をヒットします。
該当する補助線、通り芯をクリックすると、【通り芯選択】ダイアログに選択した座標値が表示されます。

-
【梁入力】ダイアログにて設定
梁入力のための通り芯、補助線の交点を選択後、【通り芯選択】ダイアログの[OK]ボタンをクリックすると、柱の詳細設定をするためのダイアログが表示されますので、梁の部材等を設定します。

中間梁/柱入力
中間梁・柱の構造物データを入力します。
操作手順
-
中間梁入力、柱入力のための入力個所の梁をヒット
中間梁・柱入力のための、該当個所の梁をヒットします。
-
中間梁の場合
中間梁を入力するZレベルの梁を平面画面で複数選択します。

-
中間柱の場合
中間柱を入力するZレベルの梁を側面(斜視)画面で複数選択します。

-
-
中間梁・柱入力メニューを選択
メニューバーより、〔構造物(S)〕-〔新規作成(N)〕-〔梁~通り芯から〕を選択します。

-
【中間梁/柱入力】ダイアログにて設定
メニューを選択すると、【中間梁柱入力】ダイアログが表示されますので、柱・梁の部材等を設定します。


中間梁・柱ダイアログ
-
複数入力
中間梁、柱を複数本入力する場合、「複数入力」をチェックします。
-
スパン
中間梁、柱を入力する場合、基準側から柱・梁の据付スパンを,区切りで指定します。
数値は基準ポイント(下図)からの間隔指定となります。
-
基準点の変更
このボタンを押すたびに基準ポイントがトグルします。

複数チェックで「2000,3000,3000」と入力した場合

構造物単体入力
概要
階段の基礎等の構造物データを単体で入力します。
操作手順
操作は以下の通りです。
-
構造物単体入力メニュー選択
メニューバーより、〔構造物(S)〕-〔新規作成(N)〕-〔構造物単体 (S)〕を選択します。

または、マウス右クリックのポップアップメニューから〔構造物新規作成〕-〔構造物単体〕を選択します。

-
構造物シンボルメニューより該当する構造物シンボルを選択
メニューを選択すると、シンボル一覧ウィンドウが表示されます。
このシンボル一覧ウィンドウは機器シンボル一覧ウィンドウと同じです。

-
シンボルメニュー一覧
シンボル一覧メニューから該当シンボルメニューを選択します。
この一覧メニューはツリー形式で表示されます。

-
シンボル一覧
シンボルメニュー一覧から選択した各シンボルが表示されますので、該当シンボルを選択します。

-
-
選択した構造物シンボルのパラメータ、据付け座標を指定
シンボルメニューで選択したシンボルの形状パラメータをテキストボックスに数値入力します。

-
【構造物単体座標設定】ダイアログ
選択したシンボルを据付ける座標値を設定します。

-
スプライス&ガセットプレート入力
概要
入力済みの柱、梁、ブレースにスプライス・ガセットプレートを追加入力します。
操作手順
操作は以下の通りです。
-
スプライス・ガセットプレートを追加入力したい柱、梁、ブレースを選択します。
既に入力済みの構造物モデルに、スプライス・ガセットプレートを追加入力したい柱、梁、ブレースを選択(一次選択状態)します。

-
柱、梁一括入力、単体入力時にスプライス・ガセットプレートを入力済みの場合は、この機能を使う必要はありません。
柱、梁、ブレースを全て選択すると、スプライス・ガセットプレートを同時に入力する事が可能です。
-
-
スプライス・ガセットプレート入力メニュー選択
メニューバーより、〔構造物(S)〕-〔新規作成(N)〕-〔スプライス&ガセットプレート入力(G)〕を選択します。
スプライス&ガセットプレート入力メニューを選択すると、【スプライス&ガセットプレート入力】ダイアログが表示されます。

-
【スプライス・ガセットプレート入力】ダイアログで部材等を設定
【スプライス&ガセットプレート入力】ダイアログが表示されますので、取付け位置、プレートのサイズを設定します。
このダイアログは、柱、梁、ブレース等をヒットしたモデルに対し、入力できる項目が切替ります。

No. モデル 項目 1 柱選択の場合 柱用スプライスプレートのみ設定可能 2 梁選択の場合 梁用スプライスプレート、梁用ガセットプレートのみ設定可能 3 ブレース選択の場合 ブレース用ガセットプレートのみ設定可能 4 柱、梁、ブレース全て選択の場合 ダイアログ内全ての項目が設定可能
リブ&ベースプレート入力
概要
入力済みの基礎、柱にリブ&ベースプレートを追加入力します。
操作手順
操作は以下の通りです。
-
リブ・ベースプレートを追加入力したい基礎、柱を選択(一次選択)します。
既に入力済みの構造物モデルに、リブ・ベースプレートを追加入力したい基礎、柱を選択(一次選択状態)します。
柱、梁一括入力、単体入力時にリブ・ベースプレートを入力済みの場合は、この機能を使う必要はありません。

-
リブ・ベースプレート入力メニュー選択
メニューバーより、〔構造物(S)〕-〔新規作成(N)〕-〔スプライス&ガセットプレート入力(G)〕を選択します。
〔リブ&ベースプレート入力(R)〕を選択すると、【リブ&ベースプレート入力】ダイアログが表示されます。

-
【リブ・ベースプレート入力】ダイアログにて設定
【リブ&ベースプレート入力】ダイアログが表示されますので、プレートのサイズを設定します。

部材参照
概要
入力済みの構造物の部材データを取込み、同一部材として修正する構造物モデルに部材を反映する事ができます。
操作手順
-
該当する構造物を選択
参照する部材をヒットします。

-
部材参照メニューを選択
メニューバーより、〔構造物(S)〕-〔部材参照〕を選択します。
ヒットした部材が部材ダイアログに表示されます。

-
選択した部材データがダイアログに表示されますので、ダイアログで部材を変更する構造物モデルを単体、複数ヒットします。
選択した部材がダイアログに表示されます。

-
部材変更したい構造物モデルをヒットします。
母部材との接続/解除
概要
部材間(柱・梁)の接続、解除をします。
入力した構造物モデルデータで、梁が柱に喰い込んでしまった場合など、母部材間の接続を取り直す事で柱と梁が再度接続します。
操作手順
操作は以下の通りです。
-
再接続したい部材をヒットします。
接続が解除している部材をヒットします。(一次選択状態)

-
母部材との接続メニューを選択
メニューバーより、〔構造物(S)〕-〔母部材との接続/解除(I)〕を選択します。
メニュー選択すると、【母部材との接続/解除】ダイアログが表示されます。

このダイアログ上で部材の接続端点の変更や、次の部材を選択する事ができます。
また、母部材との接続を解除する事も可能です。
【母部材との接続/解除】ダイアログが表示している状態では、モデリングウィンドウ上では部材の接続始点としてコメントが表示されています。
部材が接続している始点側がデフォルトで表示します。

-
接続する母部材をヒット
母部材との再接続を指定したい母部材をヒットします。
母部材をヒットすると、いままで母部材と接続が解除していた場合は、母部材との接続を行います。

次の接続端点を指定する場合、ダイアログの[端点変更]ボタンをクリックすると終点側接続ポイントに切替ります。

別の部材を選択する場合は、[次の部材へ]ボタンをクリックし、該当部材をヒットします。
部材長さ/柱高さ変更
概要
柱、梁の部材長さを変更可能にします。
操作手順
操作は以下の通りです。
-
長さを変更したい部材(柱・梁)をヒットします。
部材の長さを変更する該当部材をヒット(一次選択)します。

-
部材長さ変更メニューを選択
メニューバーより、〔構造物(S)〕-〔部材長さ変更(L)〕を選択します。

-
【部材長さ変更】ダイアログにて設定
メニュー選択後、【部材長さ変更】ダイアログが表示されますので、長さ(高さ)指定を行います。
このダイアログは選択した部材により、柱変更用と梁変更用のダイアログが自動で表示されます。

柱高さ変更用ダイアログ
-
上端/下端ラジオボタン:変更基準となる位置

-
柱高さラジオボタン:柱高さを変更基準とします

-
下端レベル:柱の下端絶対値Z

-
上端レベル:柱の上端絶対値Z

-
柱高さ:変更する柱の高さ

ダイアログ上で基準となるラジオボタンをクリックすると、モデル上で基準ポイントがコメント表示されます。

梁長さ変更用ダイアログ
-
面-面長さ:変更する梁の面と合わせる部材の面までの長さ

-
面-芯長さ:変更する梁の面と合わせる部材の中心までの長さ

-
梁長さ:変更する梁の長さ

-
梁始点設定ラジオボタン:変更基準点を指定します。


JSTEELへの出力
概要
- EYECADの構造物DataをEYESTEELにて解析用Dataにコンバートするため、及び構造部材に記号を設定設定するために構造物モデルを選択し、JSTEELへ出力します。
- JSTEELにはEYECAD構造物Dataに加えて、JSTEELへ出力時、JSTEELでの①グループNo.、②接点Data、③材料特性Data、④断面性能Data、⑤境界条件既知変位Data、⑥荷重ケース、⑦荷重Data、をデフォルトで出力します。
操作手順
操作は以下の通りです。
-
対象構造物モデルを選択します。
JSTEELへ出力する構造物モデルを選択(一次選択)します。

-
JSTEELへ出力メニューを選択します。
メニューバーより、〔構造物(S)〕-〔JSTEELへの出力(J)〕を選択します。

-
【JSTEELへの出力】ダイアログにて設定
メニューを選択すると、【JSTEELへの出力】ダイアログが表示されます。

【JSTEELへの出力】ダイアログで[出力]ボタンをクリックすると、JSTEELへのData出力を行い【JSTEELへの出力】ダイアログを閉じます。
[キャンセル]をクリックすると、JSTEELへの出力をキャンセルし、【JSTEELへの出力】ダイアログを閉じます。
「プラント全体出力」ラジオボタンをクリックすると、選択モデル以外のプラントエリア上に入力した全ての構造物モデルDataをJSTEELへ出力します。
デフォルトは選択した構造物モデルDataのみJSTEELへ出力します。
部材の向き
柱の方向(
で入力)

-
他の部材 RC、角形鋼管で縦、横同サイズの場合や丸鋼はどの方向も同じです。
サイズが異なる場合はI型鋼を参照して下さい。(
) -
(不)等辺山形鋼は不等辺山形鋼で図示しています。
部材の向き(部材断面方向)
梁の方向(
が+Y方向で入力)

- グレーアウトした方向の指定は意味がないので使わない様にして下さい。(東、西は参考までに表示してあります)
-
他の部材 RC、角形鋼管で縦、横同サイズの場合や丸鋼はどの方向も同じです。
サイズが異なる場合はI型鋼を参照して下さい。(
) - (不)等辺山形鋼は不等辺山形鋼で図示しています。(
) - 斜め梁、ブレースの刃の向きも同様になります。
梁の方向(
が+Y方向で入力)

- グレーアウトした方向の指定は意味がないので使わない様にして下さい。(南、北は参考までに表示してあります)
-
他の部材 RC、角形鋼管で縦、横同サイズの場合や丸鋼はどの方向も同じです。
サイズが異なる場合はI型鋼を参照して下さい。(
) - (不)等辺山形鋼は不等辺山形鋼で図示しています。(
) - 斜め梁、ブレースの刃の向きも同様になります。
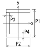
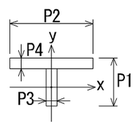
部材種3Dシンボル
| シンボルNo. | 15308 | 15303 | 15313 | 15316 | 15321 | 15345 |
|---|---|---|---|---|---|---|
|
対象部材 (ビルドアップ材も対象) |
1:等辺山形 2:不等辺山形 |
3:I形 5:H形 |
4:みぞ形 |
6:鋼管 20:ラウンドバー |
7:角形管 91:RC角形形状 |
8:CT形 |
| パラメータ数 | 5 | 5 | 5 | 3 | 5 | 5 |
| 断面形状 | ![]() |
![]() |
![]() |
![]() |
![]() |
![]() |
| 全体形状 | ![]() |
![]() |
![]() |
![]() |
![]() |
![]() |
| 備考 |
1,2:P4=P3 1:P2=P1 |
20:P2=ダミー | 91:P3,P4=ダミー | |||
|
旧該当 シンボルNo. |
15305 | 15300 | 15310 | 15315 | 15320 |
ビルドアップ部材の寸法入力パラメータ一覧





片持ち梁入力
概要
階段の張出部や踊り場等の柱、梁からの片持ち梁をを入力します。
操作手順
-
片持ち梁入力をする該当個所の柱、または梁をヒットします。
-
梁から片持ち梁を入力する場合
片持ち梁を入力したい箇所の梁を選択します。

-
柱から片持ち梁を入力する場合
片持ち梁を入力したい箇所の柱を選択します。

-
-
メニューバーより、〔構造物(S)〕-〔新規作成(N)〕-〔片持ち梁〕を選択します。

-
メニューを選択すると【片持ち梁入力】ダイアログが表示され、片持ち梁の部材等を設定します。


片持ち梁入力ダイアログ
【片持ち梁入力】ダイアログは、柱から発生する場合と梁から発生する場合で、ダイアログ、片持ち梁の形状に違いがあります。
基本的な設定は両方とも同じです。


片持ち梁タイプ
片持ち梁のタイプを選択します。
| No. | 表示 | タイプ | 説明 |
|---|---|---|---|
| 1 | ![]() |
張出部分のみ 柱、梁から発生時 共通形状 |
|
| 2 | ![]() |
張出部分 ブレース付 |
柱から発生時の場合 |
| 3 | ![]() |
張出部分枠組形状 | 梁から発生時の場合 |
梁押さえ位置
柱、梁からの片持ち梁の押え位置、寸法を設定します。
ダイアログに表示している選択した梁の各X、Y座標は、選択した梁の方向と連動していますので、選択した梁の方向によりダイアログの表示が可変します。
-
柱から発生する張出のみの場合

No. 説明 1 選択した柱のX座標 2 選択した柱の始点Z座標 3 選択した柱の終点Z座標 4 張出部分のX、Y座標(方向によりX、Y方向座標となります) 5 片持ち梁の基準Z座標を入力します。 6 片持ち梁の長さを入力します。(実長を指定します)
この実長を指定すると、4の張出部分のX,Y座標が連動して、表示が可変します。
-
柱から発生する張出、ブレース組の場合

No. 説明 1 片持ち梁の基準Z座標を入力します。 2 柱に接続するブレースの接合部分のZ座標を入力します。 3 片持ち梁末端とブレースの接合部分のズレ間隔を入力します。
それ以外の座標等は、張出のみの場合のダイアログと同じです。
-
梁から発生する張出のみの場合

No. 説明 1 選択した梁のX座標(Y座標) 2 選択した梁の始点Y座標(始点X座標) 3 選択した梁の終点Y座標(始点X座標) 4 選択した梁の長さ 5 張出の末端X座標(Y座標) 6 片持ち梁の基準位置を始点Y(X)からの距離を入力します。 7 片持ち梁の長さを入力します。(実長を指定します)
この実長を指定すると、張出の末端X(Y)座標が連動して表示が可変します。
-
梁から発生する枠組の場合

No. 説明 1 選択した梁のX座標(Y座標) 2 選択した梁の始点Y座標(始点X座標) 3 選択した梁の終点Y座標(終点X座標) 4 選択した梁の長さ 5 張出の末端X座標(Y座標) 6 片持ち梁の基準位置を始点Y(X)からの距離を入力します。(2点) 7 片持ち梁の長さを入力します。(実長を指定します。)
この実長を入力すると、張り出しの末端X(Y)座標が連動して表示が可変します。
部材設定 (「片持ち梁入力ダイアログ」を参照)
| No. | 属性 | 操作 |
|---|---|---|
| 1 | 部材 |
片持ち梁の部材種を選択します。 Text Box横のボタンをクリックすると、部材種一覧が表示されます。 |
| 2 | サイズ |
部材のサイズを選択します。 Text Box横のボタンをクリックすると、サイズ一覧が表示されます。 |
| 3 | 刃の向き |
部材の刃の向きを指示します。 梁からの発生で枠組を選択した場合のみ「外向き」「内向き」「指定」がチェック可能となり、それ以外の形状の場合、Text Box横のボタンをクリックして方向一覧から選択します。 |
| 4 | 梁レベル |
片持ち梁の基準レベルを選択します。 Text Box横のボタンをクリックすると、梁基準レベル一覧が表示されます。 |
| 5 | 芯ズレ | 片持ち梁を芯ズレする場合、ズレ方向、ズレ数値を設定します。 |
| 6 | 部材参照 | 既に入力済みの構造物データと同じ部材、サイズ共ヒットした部材と同じ部材、サイズが反映されます。 |
| 7 | 方向 |
片持ち梁の張出方向を指示します。 梁の場合、選択した梁の方向を基準に2方向の選択となります。 柱の場合は、選択した柱を基準に4方向の選択が可能となります。 |

接合処理
梁からの発生で、枠組タイプを選択した場合のみ、梁の接合処理タイプを選択します。
| No. | タイプ | 処理 | No. | タイプ | 処理 |
|---|---|---|---|---|---|
| 1 | ![]() |
![]() |
2 | ![]() |
![]() |
| 3 | ![]() |
![]() |
4 | ![]() |
![]() |
[OK]ボタン
【片持ち梁入力】ダイアログで設定した内容で、モデリングウィンドウに該当する片持ち梁が発生します。
[適用]ボタン
【片持ち梁入力】ダイアログで設定した内容をモデリングウィンドウ上で確認する場合、[適用]ボタンをクリックすると設定した
片持ち梁が表示されますが、データとしては発生しません。
[キャンセル]ボタン
片持ち梁入力を中止します。
同時に【片持ち梁入力】ダイアログが閉じます。























