1206 成長、載せ、並べ、沿わせ、流れ、近道、勾配
配管ライン成長
ライン成長
一次選択状態の配管端点から延長する位置を指定して、配管を成長させていきます。

操作方法
- [ライン成長]モードに入ります。
[ライン成長]モードに入るには2通りの方法があります。
ラインが一次選択状態の時、
- メニューバーの〔配管(L)〕-〔成長〕を選択します。
- 右クリックポップアップメニューから成長を選択します。
ライン成長モードに入ると、ライン成長側の末端にガイドプレーンと【ポイントの追加】ダイアログが表示されます。

- 成長点を入力します。
入力方法は、ガイドプレーンを利用して位置を指定する方法と、ダイアログに座標値を入力して指定する方法があります。
ガイドプレーンを利用する方法
ガイドプレーンを目安に成長させたい位置をクリックします。
ダイアログで座標値を入力する方法
ダイアログに座標値を入力します。
座標値の指定の方法は、“絶対”,“相対”,“合わせ”,“距離”,“その他”があります。
- 後退
間違った成長点を指定した時や配管ルートを変更したい場合は、[後退]でひとつ前の成長点まで戻ることができます。
〔後退〕は、3通りの実行方法があります。
- メニューバーの〔配管(L)〕-〔後退〕を選択します。
- 【ポイントの追加】ダイアログの[後退]をクリックします。
- 右ボタンクリックでメニューを呼び出し〔後退〕を選択します。
- 付属品の挿入
右クリックでメニューを呼び出し〔付属品の挿入〕を選択します。
- カタログラインの挿入
右クリックでメニューを呼び出し〔カタログラインの挿入〕を選択します。
- ライン成長の終了
ラインを他の配管や機器に接続することで、[成長モード]は終了します。
ライン成長を途中で止める場合は、
- 【ポイントの追加】ダイアログを閉じる。
- マウスの右クリックでメニューを呼び出し、〔成長終了〕を選択します。
- メニューバーの〔編集(E)〕-〔初期メニューに戻る〕を選択します。
配管成長
配管成長開始
一度入力した配管を再び成長させます。

操作方法
- 対象の配管を選択します。
成長を再開したい配管をクリックし、一次選択状態にします。
クリックされた点が始点と終点のどちらに近いかを、クリックされた点からの始点側、終点側それぞれの総長さで判定し、短いほうの端点を成長点にします。
- [配管成長]モードに入ります。
[配管成長]モードに入るには2つの方法があります。
- メニューバーの〔配管(L)〕-〔成長〕を選択します。
- 配管を一次選択状態にし、右クリックでメニューを呼び出し、〔成長〕を選択します。
- 【ポイントの追加】ダイアログを表示し、[配管成長]モードに入ります。
配管成長の終了
[ライン成長]モードを終了するには、3通りの方法があります。
- 【ポイントの追加】ダイアログで[閉じる]をクリックします。

- メニューバーの〔配管(L)〕-〔成長終了〕を選択します。
- 右クリックメニューで〔成長終了〕を選択します。
配管成長 操作
配管一次選択状態で、ポップアップメニューをたどって配管ラインを成長できます。
下図は、成長点から、機器合わせで機器の中心からY方向に-500の位置まで配管を入力する場合です。

次に、【座標地入力】ダイアログで、-500と入力し、[OK]とします。

ここで機器をクリックすると、下図のように機器の中心からY方向に-500まで配管が成長します。

配管成長 変更
配管の成長方向を変更することができます。
- メニューバーより〔配管(L)〕-〔成長方向切替〕を選択します。
または、右クリックメニューで〔成長方向切替〕を選択します。
- 成長可能な端点は、△で表示しています。
成長方向を変更すると△が配管のもう一方の端点に移動します。


配管成長 後退
成長点を一回分戻します。
操作方法
- 後退させたい配管を一次選択します。

- [後退]モードに入ります。
[後退]モードに入るには、以下の2通りの方法があります。
- メニューの〔配管(L)〕-〔後退〕を選択します。
- 一次選択状態で右クリックし、メニューを呼び出し〔後退〕をクリックします。
[後退]モードに入ると、配管のポイントが一つ分消え、【ポイントの設定】ダイアログが表示されます。
以降は、【ポイントの設定】ダイアログの[後退]ボタンをクリックします。

配管を載せる、並べる
のせる
配管成長モードで、配管成長先や移動先、Copy先を構造物にのせる場合、〔のせる〕Menu選択後、対象構造物をClickします。
次に【方向と間隔の設定】Dialogが表示されますので、のせる方向と間隔を設定します。

または、配管一次選択状態で右ClickでMenu選択後、対象構造物をClickします。

並べる
- 配管成長モードで、配管成長先や移動先、Copy先をラインに並べる場合、〔並べる〕Menu選択後、並べたいラインをClickします。
次に【方向と間隔の設定】Dialogが表示されますので、並べる方向を設定します。

- 丸め単位の設定
"表示(V)"メニュー"Ft-In設定"で配管"並べる"の丸め単位の設定が可能です。
配管間隔は次のPageの求め方によりmm単位で計算されますが、そのままFt-In変換すると寸法がキリのよくない数値になります。

本設定でキリのよい間隔が設定可能です。
設定 説明 なし mm単位のまま計算 1/2" mm単位で計算し1/2"の倍数の近い値に丸める 1/4" mm単位で計算し1/4"の倍数の近い値に丸める 間隔(mm)指定がある場合は調整値に設定した間隔値(mm)が設定方向に対して加えられます。
- 配管一次選択状態で右Clickで"並べる"Menuの方向選択後、並べたいラインをClickします。

並べるの配管間隔基準
配管間隔の求め方
-
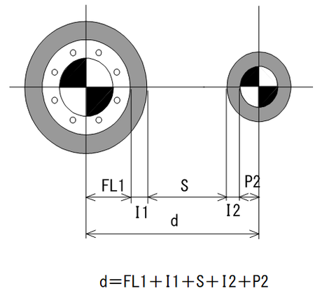
"並べる"配管と"並べる"基準となる配管の外径、フランジ外径、断熱厚さの関係により計算式が異なります。

No. 記号 説明 単位 1 P1 大口径側 配管外径/2 mm 2 FL1 フランジ外径/2 mm 3 I1 配管断熱厚さ mm 4 P2 小口径側 配管外径/2 mm 5 FL2 フランジ外径/2 mm 6 I2 配管断熱厚さ mm -
配管間隔の算出式
大口径側のフランジ外径/2+断熱厚さと小口径側のフランジ外径/2+断熱厚さのサイズを比較し、その大小により計算式を決定します。
それぞれ下式で求め10mm単位で切り上げます。
- FL1+I1≧FL2+I2のとき

- FL1+I1<FL2+I2のとき
(圧力レーティングにより大口径側と小口径側でフランジ外径サイズが逆転する場合)

- S寸法は大口径配管のサイズによって、次のように決めています。
No. 配管サイズ S寸法 From To 1 6A 150A 25mm 2 175A 350A 35mm 3 400A以上 45mm - 上記のS寸法を修正する場合は、以下に示すAJCNSTのD046 Pageの該当部分を打ち直してD.B. Textバイナリ変換(mabjg)を実行してください。
- PMSへのフランジ未登録等により、FL1(=大口径側フランジ外径/2)が求まらない時は、FL1=大口径側配管外径/2(mm)となります。
-
PMSの登録でD.B登録が不十分等でフランジが正しく定義されないと、FL1/FL2の寸法が正しく設定されない為、配管間隔も正しく設定されませんのでご注意ください。
以下のTableは標準管配列間隔の設定エリアでS寸法として、各サイズ別にこのmm数値が参照されます。
AG(J)CNST Page D046 1 2 3 4 5 6 7 8 9 10 0X 0X 1X 6A 8A 10A 15A 20A 25A 32A 40A 50A 65A 1X 25 25 25 25 25 25 25 25 25 25 2X 80A 90A 100A 125A 150A 175A 200A 225A 250A 300A 2X 25 25 25 25 25 35 35 35 35 35 3X 350A 400A 450A 500A 550A 600A 650A 700A 750A 800A 3X 35 45 45 45 45 45 45 45 45 45 4X 850A 900A 950A 1000A 1050A 1100A 1150A 1200A 1250A 1300A以上 4X 45 45 45 45 45 45 45 45 45 45
配管並べ間隔基準(参考)
- 下記寸法は裸管の管中心距離Pを示す。
又フランジ及びフランジ型バルブ等は千鳥にし、重ねてはならない。
- 保温・保冷管の管中心距離Pは、上記寸法に(両方の)保温・保冷厚さを足したものとする。
- オリフィスタップを設置する配管は、別途考慮すること。
- 次の場合は間隔を増加する。
- 上記表より高いレーティングのラインがある場合
- 軸直角方向に移動すると予想されるラインがある場合

| 記号 | 説明 |
|---|---|
| P | 管中心距離 |
| S | 間隙 |


- 本表の数値Pは150#の(FLANGE(Large size)+PIPE(Small size))×1/2+25mmで計算した。
- 保温、保冷がある場合は、その厚みを考慮すること。
- 図Bの場合は、S2寸法にて別途検討のこと。(S2=25mm)



- 本表の数値Pは600#の(FLANGE(Large size)+PIPE(Small size))×1/2+25mmで計算した。
- 保温、保冷がある場合は、その厚みを考慮すること。
- 図Bの場合は、S2寸法にて別途検討のこと。(S2=25mm)


構造物・フロア 面に沿わせる
構造物・フロアに沿わせる
配管成長モードで、配管成長先や移動先、コピー先を、指定した構造物・フロアに沿わせて配置する場合、〔構造物、フロアに沿わせる〕メニュー選択後、該当する構造物またはフロアをヒットします。
【方向と間隔の設定】ダイアログが表示されますので、沿わせる方向を設定します。

または、配管一次選択状態で右クリックでメニュー選択して、間隔を入力後、対象物をクリックします。

面に沿わせる
配管成長モードで、配管成長先や移動先、コピー先の基準座標が予め決定している場合、〔面に沿わせる〕メニュー選択後、または、配管一次選択状態で右クリックで〔面に沿わせる〕選択後、【方向と間隔の設定】ダイアログが表示されますので、沿わせる方向を設定します。

構造物・フロアに沿わせるを使った事例
角度の付いた構造物等、及びそこに配管を沿わせるモデリングをすることは非常に手数がかかります。
この作業を比較的簡単に行う方法を説明します。
下図のような、構造物の側面に35°傾いた架台に沿った配管モデリングを行います。

- まずX軸に水平・垂直に構造物を配置します。

- 前Pageの"構造物・フロアに沿わせる"、コマンドにより構造物に配管を沿わせます。

- 角度を付ける範囲を選択し、"回転"コマンドから回転軸と角度の設定を行います。

流れ方向確認
- 3Dモデル入力を行いながら、配管ラインの上流から下流への流れ方向を確認します。
- 流れ方向の確認は、選択時流れ矢印を表示する方法と流れ方向をアニメーション表示(従来方式)する2通りの方法があります。
選択時流れ矢印表示
配管を選択すると流れ方向矢印が表示されます。ツールバーの「矢」ボタンでOn/Off可能です。流れ矢印の位置と大きさはconfig/viewconfig.txtにて変更可能です。



流れ方向確認(アニメーション)
- 流れ方向を確認する配管を選択します。
流れ方向を確認したい配管を一次選択状態にします。
一次選択状態にするには、2通りの方法があります。
- 配管にマウスカーソルを移動し、左ボタンをクリックします。
- 一覧ウインドウで確認したい配管にカーソルを移動し、左クリックします。

- [流れ方向確認]モードに入ります。
[流れ方向確認]モードに入るには、2通りの方法があります。
- メニューバーより〔配管(L)〕-〔流れ方向確認〕を選択します。
- 右クリックでメニューを呼び出し、〔流れ方向確認〕を選択します。
- 流れ方向を確認します。
流れの上流から下流に向けて、配管ラインの一部の色が変わり、矢印が表示されます。
流れ方向の[確認]モードを終了するまで繰り返します。

- [流れ方向確認]モードを終了します。
[流れ方向確認]モードを終了するには、3通りの方法があります。
- メニューバーより〔配管(L)〕-〔流れ方向確認終了〕を選択します。
- マウスの右クリックでメニューを呼び出し、〔流れ方向確認終了〕を選択します。
- キーボードのEscキーを押します。
参考
- 流れ方向の逆転
流れ方向確認している配管ラインにマウスを移動し、クリックすると流れ方向を逆転させることができます。

- 流れ方向を確認するラインの追加
流れ方向確認をしていない配管ラインをクリックすると流れ方向を確認することができます。
近道
配管を最短距離で結びたい場合に使用します。
「近道」の操作方法
- 近道する配管部を選択します。
最短距離で結びたい配管部(2ヶ所)を二次選択状態にします。選択手順は以下のとおりです。
- 配管ラインを一次選択状態にします。
- 近道で消したい配管の一方にカーソルを合わせ、左クリックします。
- つなげたいもう一方の配管部にカーソルを合わせ、Shiftキーを押しながら、左クリックします。
近道で消える配管部分が、二次選択状態になります。

- 「近道」を実行します。
実行するには、2通りの方法があります。
- メニューバーより〔配管(L)〕-〔近道〕を選択します。
- マウスの右クリックでメニューを呼び出し、〔近道〕を選択します。

- 次の場合は近道できません。
- 近道でつなぐ端点のサイズ、スペッククラスが異なる場合
- 近道でつなぐ端点の間に、分岐ラインが存在する場合
- 端点間の角度が5°以下、または95°以下になる場合
勾配設定
勾配設定(一次選択状態からの)
一次選択状態の配管ラインの一部、または全体に勾配を付けます。
「勾配」の操作方法
- 勾配をつけたい配管ラインを選択します。
勾配をつけたい配管ラインを一次選択状態にします。
一次選択状態にするには、2通りの方法があります。
- 3Dモデル入力画面で、勾配をつけたい配管ラインにマウスカーソルを合わせ、左クリックします。
- 一覧ウインドウから、勾配をつけたい配管ラインを選び、クリックします。

- [勾配設定]モードに入ります。
メニューバーより〔配管(L)〕-〔勾配設定〕を選択します。
- 勾配角度を設定します。
【ラインの勾配設定】ダイアログが表示されます。
「勾配単位」および「固定ポイント」を設定して[OK]をクリックしてください。
上り勾配では正の数、下り勾配では負の数を入力してください。

- [勾配設定]モードを終了します。
配管に勾配がつき[勾配設定]モードを終了します。

ワンポイント
- 勾配のついているラインを平らにするときは[X°]または[X%]に0と入力してください。
- 勾配を付けようとする部分に分岐ラインがある場合、分岐方向が垂直上向き、または垂直下向きであれば接続が保たれます。
しかし、それ以外では接続が解除されます。
- 一次選択状態の配管ライン上で二次選択状態にすると、その範囲で勾配が付きます。
- 勾配の値の一覧は「EYEPIPE 配管スプール図面編集出力」『mdispisマーク』の【スロープマーク】を参照してください。
- 勾配を付けようとする部分に分岐ラインに水平方向の分岐ラインがある場合接続を保持するには、あらかじめ分岐ラインをマイナス(-)ラインNo.に変更してから行えば分岐ラインは追従されます。

勾配設定(二次選択状態からの)

- 勾配をつけたい配管ラインを二次選択し、勾配を設定したい範囲を選択します。
- 次にマウス右クリックより【勾配設定】を選択します。
- 【ラインの勾配設定】ダイアログが表示されます。「勾配単位」および「固定ポイント」を設定し、OKをクリックします。
- 勾配設定が完了しました。
- 立面表示にすることで、勾配結果の確認が分かりやすくなります。

ポイント
- 勾配のついているラインを平らにするときは[X°]か[X%]に0と入力してください。
- 勾配を付けようとする部分に分岐ラインがある場合、分岐方向が垂直上向きまたは垂直下向きであれば接続が保たれます。
それ以外では接続が解除されます。
- 一次選択状態の配管ライン上で二次選択状態にすると、その範囲で勾配がつきます。
勾配 8種角度のSpoolとSPCL Deg ELBOW自動集計 事例
※画像を選択すると拡大表示します。
