1314 任意文字 図形
任意模様
概要
左斜め45°の斜線を発生します。
フロアに付けるハッチング模様等に使います。
チェッカープレートの表現等は、3Dモデルのフロア入力時に入力してください。
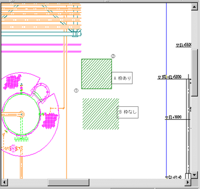
をクリックして、ハッチング模様を発生する範囲の、左下(点①)と右上(点②)の2点をピックしてください。
指定した範囲にハッチング模様を発生します。(図中A)
ハッチング模様を発生する範囲を指定する前に、枠なしメニューをヒットした場合は、枠なしのハッチング模様を表示します。(図中B)

任意模様 操作
-
[任意模様発生]モードに入ります。
[任意模様発生]モードに入るには、2通りの方法があります。
-
メニューの〔発生(C)〕-〔任意模様(P)〕をクリックします。
-
アイコンをクリックします。[任意模様発生]モードに入ると、【任意模様発生】ダイアログが表示されます。

-
-
任意模様のパラメータを指定します。
任意模様を発生させる範囲を指定します。
指定方法には、マウスを使う方法と【任意模様発生】ダイアログを使う方法があります。
-
マウスを使う場合:
- 任意模様を発生させる開始点を指定します。
任意模様のスタート点にマウスを移動し左ボタンをクリックします。
- 任意模様を発生させる範囲を指定します。
マウスの左ボタンを押したまま、任意模様を発生させたい範囲になるようにマウスを移動します。
マウスの動きに合わせて、開始点から矩形が広がります。
この矩形の内側が任意模様の発生範囲になります。
目的の範囲になった状態でマウスの左ボタンを離すと、任意模様の発生範囲が決定します。マウスを使うとこの時点で任意模様が発生します。
- 任意模様を発生させる開始点を指定します。
-
【任意寸法線発生】ダイアログを使用する場合:
- X方向の範囲を指定します。
任意模様を発生させるX(横)方向の範囲を指定します。図面の左下を原点としてmm単位で指定します。
- Y方向の範囲を指定します。
任意模様を発生させるY(縦)方向の範囲を指定します。図面の左下を原点としてmm単位で指定します。
ダイアログの[発生]をクリックすると任意模様が発生します。
- X方向の範囲を指定します。
-
-
枠線の有無を設定します。
任意模様に枠線の有無を設定できます。
【任意模様発生】ダイアログの「枠線」の前にあるチェックボックスをチェックすると、枠線付きの任意模様が発生します。
-
任意模様の繰り返し発生
任意模様を発生させた枠にマウスカーソルを合わせ、左ボタンをクリックしながら移動し、【任意模様発生】ダイアログの[発生]をクリックすると、任意模様を発生できます。
上記作業を繰返すことで、任意模様を繰り返し発生できます。

-
[任意模様発生]モードの終了
[任意寸法線発生]モードは、2通りの方法があります。
-
ESCキーを押すことで[任意模様発生]モードを終了し[編集]等の他モードに入ることができます。
-
【任意模様発生】ダイアログの[終了]をクリックします。
-
ダイアログ説明

| 範囲 X |
任意模様を発生させるX(横)方向の範囲を指定します。図面の左下を原点としてmm単位で指定します。 |
|---|---|
| 範囲 Y |
任意模様を発生させるY(縦)方向の範囲を指定します。図面の左下を原点としてmm単位で指定します。 |
| 枠線 |
任意模様の枠線の有無を設定します。枠線をつけるときは、チェックをつけます。 |
| 発生 |
任意模様を発生させます。ボタンをクリックすることで、何度でも任意模様を発生させることができます。 ダイアログで範囲を指定したとき、最初の任意模様はこのボタンをクリックするまで発生しません。 |
任意図形
概要
任意の位置に、下記の図形を発生させることができます。
| 名称 | 表示 | |
|---|---|---|
|
1) |
断面マーク |
![]() |
|
2) |
矢視マーク |
![]() |
|
3) |
詳細マーク |
![]() |
|
4) |
マッチライン 文字 |
※文字のみの発生です。マッチライン線は「任意線」の二点鎖線にて描画してください。任意線の詳細説明は、「任意図形・Dialogの説明」の「任意線」を参照願います。 |
|
5) |
流れ矢印 |
![]() |
|
6) |
UPマーク |
![]() |
|
7) |
DNマーク |
![]() |
|
8) |
スロープマーク |
![]() |
|
9) |
白黒菱マーク |
![]() ※一般に「新設」と「既設」の区分に用います。 |
|
10) |
円マーク |
![]() |
|
11) |
円弧マーク |
![]() |
|
12) |
任意線 |
![]() |
|
13) |
逆三角マーク |
![]() |
|
14) |
白黒逆三角マーク |
※一般に「新設」と「既設」の区分に用います。 |
|
15) |
コマ図 |
![]() DWG/DXF形式の2D図形Fileを貼り付けます AutoCadフォーマットR11、R12、AC1015~AC1032に対応 |
任意図形 操作
任意図形発生の操作方法を断面マークを例に取り、説明します。
他の任意図形発生も同様の手順です。以下の説明中の「断面マーク」を他の任意図形に置き換えてください。
断面マークの発生方法
-
[断面マーク発生]モードに入ります。
[断面マーク発生]モードに入るには、2通りの方法があります。
-
メニューの〔発生(C)〕-〔任意図形(S)〕-〔断面マーク(S)〕をClickします。
-
アイコンをClickします。
[断面マーク発生]モードに入ると、【任意図形発生-(断面マーク)】Dialogが表示されます。

-
-
断面マークのパラメータを指定します。
断面マークを発生させる場所と方向を指定します。
指定方法には、マウスを使う方法と【任意図形発生-(断面マーク)】Dialogを使う方法があります。
いずれの方法も、事前に断面マークの文字を入力しておきます。
半角英数字で4文字まで入力可能です。
-
マウスを使う場合:
- 断面マークを発生させる開始点を指定します。
断面マークのスタート点にマウスを移動し、左ボタンをClickします。
- もう一方の断面マークを発生させる場所を指定します。
マウスの左ボタンを押したまま、断面マークを発生させたい範囲になるようにマウスを移動します。
マウスの動きに合わせて、開始点から直線が延びます。
この直線の端点に断面マークが発生します。
目的の場所になった状態でマウスの左ボタンを離すと、断面マークの発生位置が決定します。
- 断面マークの方向を指定します。
マウスで3点目を指定することで、断面マークの方向を指定します。
上記の手順(2)で引いた直線に対して、3点目の方向に断面マークが発生します。

- 断面マークを発生させる開始点を指定します。
-
【任意図形発生-(断面マーク)】Dialogを使用する場合:
- 端点1を指定します。
断面マークを発生させる一方の端点を指定します。
図面の左下を原点としてmm単位で指定します。
- 端点2を指定します。
断面マークを発生させるもう一方の端点を指定します。
図面の左下を原点としてmm単位で指定します。
- 断面マークを発生させる方向(Angle)を指定します。
角度点を指定することで、断面マークの方向を指定します。
図面の左下を原点としてmm単位で指定します。
Dialogの[発生]をClickすると断面マークが発生します。

- 端点1を指定します。
-
-
[断面マーク発生]モードを終了します。
以下の2通りの方法で終了できます。
-
ESCキーを押すことで[断面マーク発生]モードを終了し、[編集]等の他モードに入ることができます。
-
【任意図形発生-(断面マーク)】Dialogの[終了]をClickします。
-
任意図形・Dialogの説明
各任意図形のDialogを説明します。座標は全て図面の左下を原点としてX,Y各座標をmm単位で指定します。
| 断面マーク | 矢視マーク | マッチライン |
|---|---|---|
![]() |
![]() |
![]() |
| 端点1 |
マークを発生させる端点を指定します。 |
|---|---|
| 端点2 |
マークを発生させるもう一方の端点を指定します。 |
| 角度点 |
マークの方向の指定点の位置を入力します。 |
| 文字 |
マークの文字を指定します。半角英数字で4文字まで入力可能です。 |
| 詳細マーク | UPマーク | DNマーク |
|---|---|---|
![]() |
![]() |
![]() |
| 端点1 |
詳細マークの発生点を指定します。 |
|---|---|
| 端点2 |
詳細マークの方向を指定します。 |
| 文字 |
マークの文字を指定します。半角英数字で4文字まで入力可能です。 |
| 文字サイズ |
マークの文字サイズを指定します。 |
| 流れ矢印 | スロープマーク |
|---|---|
![]() |
![]() |
| 端点1 |
マークの下流側端点を指定します。 |
|---|---|
| 端点2 |
マークの上流側端点を指定します。 |
| 円マーク | 円弧マーク |
|---|---|
![]() |
![]() |
| 中心点 |
マークの中心点を指定します。 |
|---|---|
| 半径 |
マークの半径をmm単位で指定します。 |
| 始角 |
始角を指定します。X軸を0度として、開始点の角度を指定します。 |
| 終角 |
終角を指定します。X軸を0度として、終点の角度を指定します。 |
| 線種 |
実線と破線のどちらで描くかを指定します。 |
| 白黒菱マーク |
|---|
![]() |
| 端点1 |
白側の端点を指定します。 |
|---|---|
| 端点2 |
黒側の端点を指定します。 |
| 任意線 |
|---|
![]() 表示例) それぞれ上から太線、中線、細線です。 ![]() |
| 線種 |
任意線の線種を指定します。実線,破線,一点鎖線,二点鎖線があります。 |
|---|---|
| 線幅 |
太線,中線,細線があります。 |
| 始点 |
無印 矢印 始点に矢印が付加されます。 示印 始点に示印が付加されます。 |
|
|
ボタンをClickした後に通過点を指定した場合、直前の通過点との間を線で結びません。 |
|
|
ボタンをClickすると、直前に入力した通過点を取り消すことができます。 |
|
|
ボタンをClickすると、発生以前の入力した通過点を全てクリアします。 |
※任意線の注意点:1セクション内の最大表示個数は、マークと任意線を合わせて984個です。
| 逆三角マーク |
|---|
![]() 頂点方向の選択肢 ![]() |
| 頂点位置 |
三角形の頂点位置を指定します。 |
|---|---|
| 頂点方向 |
三角形の頂点方向を、上下左右のいずれかから指定します。 |
| 高さ |
三角形の高さを指定します。 |
逆三角マークは、頂点が上下左右の四方向いずれかの正三角形を作成します。
上下左右以外に、三角形の頂点を向けたい場合は、マークを作成後、回転機能を使用して、任意の方向に回転してください。
| 白黒逆三角マーク |
|---|
![]() |
| 端点1 |
三角形の底辺側の端点を指定します。 |
|---|---|
| 端点2 |
三角形の頂点側の端点を指定します。 |
白黒逆三角マークの塗り方を反転させたいときは、反転にチェックを入れてください。
白黒逆三角マークのサイズは、A(G)JCNST S093ページのW#12(底辺長)、W#13(高さ)に設定されている大きさで作成します。
AG(J)CNST S093ページの詳細については、「配管立体組図レイヤ外制御」を参照してください。
| コマ図取り込み |
|---|
![]() |
| 取り込みFile |
File一覧から取り込みFileを選択すると右のプレビュー画面にそのFileの中身が表示されます。 OKボタンを押すとDialogが閉じ、選択したFile名が表示されます。 AutoCadフォーマットR11/R12/2000/2004/2007/2010に対応 |
|---|---|
| 配置座標 |
配置するコマ図の左下位置(x,y)座標 |
| 発生 |
配置座標にコマ図を発生させます。 |
| 終了 |
Dialogを閉じます。 |
コマ図取り込みの活用事例
V6.92にて機能追加された配管サポート図のレイヤ別DXF/DWG出力した図をコマ図として組図に取り込むことで三次元配管サポート図を作成することが出来ます。
モデリング要領(入力15分)
-
3Dモデル入力(mrout)のサポート作成機能(EYESUPT)で配管サポートを4つ(4面)入力
-
サポートスタイル選択Dialogで、"配管と接続しない"をチェックすることで配管の載らないサポートが作成可能
作図要領(編集45分)
-
3D図面編集出力(m3dv)で平面、立面、斜視を作成
-
配管サポート製作図(MsuptGui)でOn ScaleでDXF/DWG出力(V6.92)
-
DXF/DWG出力した図を2D CADでサポート本体、柱脚・ボルト穴詳細、材料欄に分割
-
それぞれを組図で作成した縮尺・文字サイズに合わせて編集
-
組図にコマ図として取り込む(V6.90)
出力図事例は「三次元サポートの事例」を参照してください。
任意文字発生
任意文字発生の概要
セクション内の任意の位置に文字を書き込むことができます。
任意文字発生の方法
-
[任意文字発生]モードに入ります。
[任意文字発生]モードに入るには、2通りの方法があります。
-
メニューの〔発生(C)〕-〔任意文字(T)〕をクリックします。
-
アイコンをクリックします。
-
-
任意文字の属性を設定します。
【任意文字発生】ダイアログで任意文字の属性を設定します。

設定項目 内容 発生位置 任意文字を発生させる位置を図面の左下を原点として、X,Y各座標をmm単位で指定します。
発生位置は、マウスの左クリックでも指定できます。
文字角度 任意文字の角度を指定します。
文字 図面上に入力する文字列を入力します。(半角英数で24文字、全角なら12文字まで)
文字サイズ 1以上の数値を入力します。(単位は無次元ですので、適当な数値を選んでください。)
文字線種 文字線種を細字,太字から選択します。
下線 下線の種類を、なし,単線,二重線から選択します。
下線幅 下線幅の種類を、細線,中線,太線から選択します。
-
発生位置と文字角度のマウスによる指定方法
発生位置にマウスを移動し左クリックし、マウスの左ボタンを押したまま、マウスを動かしてください。
任意文字の角度を決定するための補助直線が発生します。
任意文字を発生させたい角度になったら左ボタンを離してください。
任意文字が発生します。














(塗り方反転時)

















