1113 フロア名前:タイプ注意事項
フロア(平面)Data
フロア(平面Data)
フロア(平面)Data全般注意事項につき、以下に説明します。内部Code等通常の操作では直接目に触れず、Userは意識する必要のない項目もありますが、Data作成上の参考にして下さい。
対象Data
敷地、床面、壁、階段、手摺等。その他複数組合せることにより、機器、構造物等の既存のシンボルで表現できない形状も表現できます。

定義方法
各平面Data毎に次の項目に対応するDataを設定します。
フロアタイプ
フロアの種類で示す任意入力、円、扇形等は対話入力時の便宜上のタイプで、内部的には大きく透明、不透明の2種類に分かれます。
| No. | タイプ | 名称 | 特徴 | 対象 |
|---|---|---|---|---|
| 1 | 20 |
任意の平面図形 不透明 ※1 |
他のエレメントを隠す。 最も一般的な平面Data |
一般フロア |
| 2 | 26 |
任意の平面図形 透明 |
他のエレメントを隠さない。 内・外線のみ発生 |
手摺 |
| 3 | 29 |
目の方向に向く平面図形 不透明 ※1 |
立った状態で定義されている面を対象。 視線方向に直交する。(Z軸廻り) |
人、看板 3Dモデル入力対象外 |
| 4 | 30 |
目の方向に向く平面図形 不透明 ※2 |
立った状態で定義されている面を対象。 視線方向に直交する。(Z軸廻り) |
立木 3Dモデル入力対象外 |
※1:透明、不透明タイプ

※2:目の方向に向く平面図形(本プログラムの処理対象ではありません)
プラント空間中に立って(フロアのx軸またはy軸が(0,0,1)となっている)いる平面Dataで立看板のイメージです。
- プラント軸廻りに視線に直交する様、内部処理されます。(平面上のどの方向から見てもその視線方向を向いています)
- 真上から見た場合そのままでは一線分となるが、内部処理でやや傾いた状態を作り出しています。

ポイント数
- フロアコーナー点のポイント数
- 4≦NPNT≦71
- R曲り等では一曲りで数ポイント増えるので注意して下さい。
- 対話入力時3点以下、72点以上はアラームが出ます。

凹凸区分
| No. | タイプ | IOKB | 形状 |
|---|---|---|---|
| 1 | 凸フロア | 0 |
|
| 2 | 凹フロア | 1 |
|
対話入力時は自動的に凹凸タイプが設定されます。
フロア定義座標オリジン
対話入力時には位置指定で設定されます。
フロア定義座標Xベクトル
対話入力時には位置指定で設定されます。
フロア定義座標Yベクトル
対話入力時には位置指定で設定されます。
スケール
- フロアサイズにより、自動的に設定されます。
-
オリジンX軸ベクトル、Y軸ベクトルはプラント空間上でのオリジン、各ベクトルとします。
ベクトルは正規化された値とします。
- スケールはフロア定義座標系からプラント空間へ展開する時のスケールで、SCAL=1.0の時フロア定義座標系はmm単位となりプラント座標系と同一単位となります。

点列Data
- 1コーナー点(K Code、フロア定義座標系X、フロア定義座標系Y)で定義します。
- 全てのタイプのフロアで各コーナー点にK Code、X、Y座標が設定されます。
- 内線(数値)入力では、各コーナー点毎にDataを入力していきます。
- K Codeについては、次のK Codeを参照して下さい。ただし、内部Dataの話なので通常の入力操作時に意識する必要はありません。
K Code(内部Data)

-
ペンアップ・ダウン、直線/曲線区分
ペンコントロール No. 直線 始点 1 直線 中点 2 直線 終点 3 曲線 始点 5 曲線 中点 6 曲線 終点 7 直線→曲線 8 曲線→直線 9 ペンアップ線 0 -
線太さ/外線・内線区分
線太 外線 内線 直線 0 1 太線 2 3 細線 4 5 -
内線はフロア内面に形状、模様等を表現する時に使用します。
原則として、外線で囲まれた面内に収めて下さい。
Data例

フロア定義座標系
| No. | K Code | X座標 | Y座標 | No. | K Code | X座標 | Y座標 |
|---|---|---|---|---|---|---|---|
| 1 | 10 | 0 | 0 | 12 | 80 | 1000 | 5000 |
| 2 | 20 | 4000 | 0 | 13 | 60 | 500 | 4866 |
| 3 | 30 | 4000 | 4000 | 14 | 60 | 293 | 4709 |
| 4 | 10 | 3000 | 2000 | 15 | 60 | 134 | 4500 |
| 5 | 20 | 3000 | 1000 | 16 | 90 | 0 | 4000 |
| 6 | 20 | 1000 | 1000 | 17 | 30 | 0 | 0 |
| 7 | 20 | 1000 | 2000 | 18 | 11 | 200 | 200 |
| 8 | 30 | 3000 | 2000 | 19 | 21 | 500 | 500 |
| 9 | 10 | 4000 | 4000 | 20 | 31 | 800 | 200 |
| 10 | 20 | 2000 | 4000 | 21 | 11 | 350 | 350 |
| 11 | 20 | 2000 | 5000 | 22 | 31 | 650 | 350 |
No.18~22で内線("A")を描画しています。
本ケースは回転なし、スケールは1のフロアです。
ラダーDataの修正
概要
Ver.5以前で作成したラダーDataのオリジンがラダーの幅半分だけずれる不具合が生じます。プログラムRepair Floorで、このずれを修正することが可能です。

使用方法
-
c:\EYECAD\binの下にあるReairFloor.exeをダブルクリックで起動してください。
以下のプラント選択ダイアログが表示されます。
(操作はmroutのプラント選択と同じです)

- 次にLu#を入力して「OK」を押してください。
-
以下のダイアログが表示されるので、画面の指示に従い変換を行ってください。

フロア(平面)Data 制約条件、Data作成上の注意事項
コーナー点(外線)
コーナー点(外線)はフロア定義座標上で反時計廻りに追って行き、スタート点に戻って(閉じて)終了して下さい。(対話入力時時計回りに入力すると入力終了時点で向きが逆転して記録されます。)
内線については外線によって囲まれるフロア面内に自由に入力して下さい。
ただし、内線は外線の後に定義して下さい。
穴あきフロア
穴あきフロアも例の様にコーディングすれば内部で凸分解されるので、凹フロアの一種として表現できます。
ただし2ヶ以上の穴を有する場合、穴から穴へとばさないで、一旦外に戻ることが必要です。
通常は[開口]の機能を使用して下さい。

平面Dataどうしの干渉
平面Dataどうしの干渉は異常表示になります。
凸分解
凸分解は内部で自動処理されます。
凹部フロアとしてタイプ指定のあったものにつき凸分解処理されます。本処理によりエレメント数は増加します。
増加数は形状により異なります。
外線は下図の様に分割されますが内線は分割されず、分割後は元々原点のあった平面に全て属してしまうので、隠線処理がうまくいかず異常表示になります。
凹タイプの平面には内線を入力しないか、入力しても寸法、位置等に充分注意して下さい。

コーナー点(外線)の交叉、重なり
コーナー点(外線)の交叉、重なりは許されません。

また、始点、終点及び開口部のある場合を除き同一点の重複も、許されません。
内線の場合これら制約はありません。
たとえばチェッカープレート等の模様を任意に描く場合外線で作成した平面内に、内線で作成して下さい。

内線の模様のみ必要な場合は上図の様に外線を非作図線([ペンアップ移動])で入力して下さい。
内線は単独では存在できませんので上記の様に先に外線で平面を定義しておき、その面に対し内線を定義して下さい。
スケール
- 入力したプラント空間上のフロアコーナー点列は実数ですが、フロア定義座標系上のX、Y点列は整数(16ビットの)で記録しており理論上最大32,767(mm)です。
-
現状プログラム的には32,700(mm)でチェックしており、32,700mmを超えるとスケールを1→10に変更し、記録する座標値を35,000→3,500と1/10にします。
この時点で1(mm)の位は丸められてしまいます。
-
スケール=1.0の時のみフロア定義座標系はmm単位となり、プラント座標系と同一単位になります。
したがって、フロア修正時、このコーナー点Dataを見た時、入力値と異なった値になるケースがあります。
具体的なData例を次に示します。

-
上記の左側Dataの様にFileに記録されるため、Data修正時に再現されるプラント座標系上のDataは右側の様になります。
例えば2点目のX座標値は

となり100,000≠99,991となってしまいます。
対策) 上記制約の中で精度良いDataを作成するためには以下の点に注意して下さい。
-
フロアオリジン(フロア入力時の1点目)は、きりの良い数値にして下さい。
その様な値になるコーナー点を1点目(=オリジン)に選んで下さい。
この例ではオリジンに1mmの値まで入力されているためスケール10のケースでは変換後に必ず影響がでます。
-
スケールはできるだけ1に押さえる様にして下さい。
オリジンからの相対値で32,700を越えない様、必要なら分割して下さい。
なお一旦スケールが10に設定されると後退等のData修正をしてもスケールは1に戻りません。(現状の処理では)
-
回転
- 壁の様に垂直な平面や、傾いた平面Dataを定義する時は、Z、X、Y各軸廻りの回転角Z-ROT、X-ROT、Y-ROTで指定します。
-
Fileに記録されるDataとしてはフロア定義座標軸(X軸,Y軸)のプラント空間上での方向(X軸ベクトル、Y軸ベクトル)で表わされます。
この際微小な傾きは傾き0として処理されますので注意して下さい。
-
各軸のベクトルが正規化された状態でX,Y,Zのどれか一つの成分が
0.9999 < VECX,Y,Z < 1.0001
であればVECKX,Y,Z = 1.0と補正され、その他成分は0,0に設定されます。
したがって微小な床勾配などは表現できません。これは軸回りの回転を2回するケース等の計算誤差対策です。
任意入力フロア作成時 フロア凸分解エラーの修正方法
フロア凸分解とは
-
3Dモデル入力で(任意)入力された凹型フロアは、3D組図編集出力、干渉チェックプログラムのデータ読み込み時に、凸型フロアエレメントに分解されます。
例)

-
凸分解がうまく行われないと(干渉チェック、隠(点)線処理)がうまくかかりません。
(ただし、とりあえず凹型のままデータは読み込まれますので文字編集等は可能です。)
-
長方形に窓を1つ開けた例

凸分解エラー発生時の修正方法

エラーログファイル`e_m3dv.txt´の出力例

凸分解エラーコード(ファイルe_m3dv.txt内)の説明
|
CONVEX ERROR CODE エラーコードとエラーの場所など |
日本語メッセージ | 例図 | ||
|---|---|---|---|---|
| -1 | P1 | 点線が少なくて、外郭線を生成できない | 点数 | |
| -2 | - | 外郭線が閉じていない | ||
| -3 | P1,P2 | 連続する同一点がある | 点番号 | A) |
| -4 | (P1,P2),(P3,P4) | 2線分にクロスあり | 点対、点対 | B) |
| -5 | (P1,P2),(P3,P4) | 同じ向きの同一線分あり | 点対、点対 | |
| -6 | (P1,P2),(P3,P4) | 同一直線上に許されない2線分あり | 点対、点対 | C) |
| -7 | P1 | 外線がとぐろを巻いている、または時計回り | 巻き数(補注) | D) |
| -999 | - | 凸分解チェック不能の謎のエラー | ||
補注)
| 巻き数 | 説明 | |
|---|---|---|
| 1 | 反時計回り | 正常 |
| 2 | とぐろ1回 | エラー |
| 0 | 8の字∞ | エラー |
| -1 | 反時計回り | エラー |

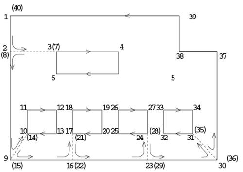
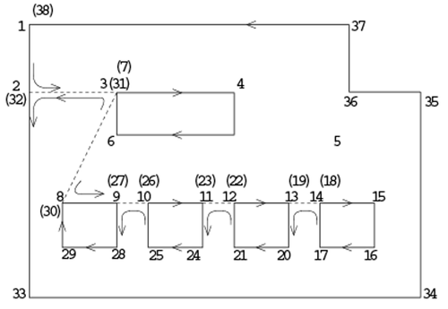
任意入力フロアサンプル
-
`とぐろ´の修正

-
窓の多い時は、正確に座標点をセットしてください。
(グリッド処理スパンを設定すると便利です。)

応用)窓から窓へ飛んでもエラーは発生しません。

