1612 計装用図形
計装用図形一覧
計装用図形(計装品)一覧
計装用図形の本体としてのシンボル一覧です。
P&IDの計装品シンボルは、3D(EYEPIPE)と一部異なり、配管上に載らないパネル計器等も含まれています。以下の記号で表示されています。
| INPL(In-Piping Line) | 配管上に載るもの |
|---|---|
| INIL(In-Instrument Line) | 計装線上に載る(はめ込まれる)もの |
| NO3D | 3D(EYEPIPE)で対応する機能のシンボルが存在しない(ユーザーニーズが今までない)もの |
2D(EYEPID)と3D(EYEPIPE)のシンボルを共通で記載しています。以下のとおり区別されています。割り当てのない箇所はブルーにしています。
| NP | 2D(EYEPID)のみで使用され、3D(EYEPIPE)で使用されない |
|---|---|
| シンボルNo.がグレーアウト | 3D(EYEPIPE)のみで使用され、2D(EYEPID)では一般に使用されない |
参考
- 計装付属品のシンボルNo.は3200番台ですが、シンボルNo.3070と3071は計装付属品であり、「INAC」(Instrument Accessory)と表示されています。
- 集計表記時の名称のItem Codeは「IBMC+10000」のコードで「BG(J)ITEM」が参照されます。
-
2D(EYEPID)である性質上、1つの機能コードに対し、方向が反転したシンボルをもつシンボルがあります。そのシンボルは反転シンボルNo.として示しています。
詳しくは、「16-09 一般弁図形」の「機能コードとシンボルNo.について」を参照してください。
CTBやCBTのつくシンボルはV9以前の図面互換用に用意されています。CTBやCBTのつかないシンボルと同じです。例)三方切換弁(3031)、三方切換弁CTB(3115)、三方切換弁CBT(3116)に違いはありません
図形については「計装用シンボル(計装品)」を参照してください。また、計装付属品のシンボル一覧は「計装用シンボル(計装付属品)一覧」を参照してください。
| 機能 | 標準 | 反転 | 3DSys | 名称 | Name | |||||
|---|---|---|---|---|---|---|---|---|---|---|
| Code | 記号 | INPL | シンボル | 無し | 日本語 | 用途 | 方向 | English | ||
| IBC | MNC | INIL | No. | No. | NP | 補足 | 補足 | |||
| 3001 | METE | 3001 | NP | 現場計器 | Meter_on_Site | |||||
| 3002 | TRAN | INIL | 3002 | NP | 変換器 | 横 左下-右上 | Transformer | Side lower L-upper R | ||
| 3002 | TRAN | INIL | 3003 | NP | 変換器 | 左下-右上 | Transformer | lower L-upper R | ||
| 3004 | CALC | INIL | 3004 | NP | 演算器 | 下2 | Caluculator | lower2 | ||
| 3004 | CALC | INIL | 3005 | NP | 演算器 | Caluculator | ||||
| 3006 | ROTO | INPL | 3006 | 3164 | 直進ロータメーター | Rotor_Meter | ||||
| 3007 | TURB | INPL | 3007 | タービン式流量計 | Turbine_Meter | |||||
| 3008 | OVAL | INPL | 3008 | 容積式流量計 | Oval_Meter | |||||
| 3009 | RADI | INPL | 3009 | 電磁式流量計 | Radio_Meter | |||||
| 3010 | PITO | NO3D | 3010 | 3011 | NP | ピトー管 | (流速測定) | Pitou_Tube | ||
| 3010 | PITO | NO3D | 3011 | NP | ピトー管 | (流速測定) | 左下 | Pitou_Tube | lower left | |
| 3010 | PITO | NO3D | 3012 | 3013 | NP | ピトー管 | (流速測定) | 右下 | Pitou_Tube | lower right |
| 3010 | PITO | NO3D | 3013 | NP | ピトー管 | (流速測定) | 左上 | Pitou_Tube | upper left | |
| 3014 | I.VA | INPL | 3014 | 計装一般弁 | Instrumental_valve | |||||
| 3015 | BU.V | INPL | 3015 | 3165 | バタフライ弁 | Butterfly_Control_Valve | ||||
| 3016 | D.CV | INPL | 3016 | ダイヤフラム弁 | Diaphragm_Control_Valve | |||||
| 3017 | B.CV | INPL | 3017 | ボール弁 | Ball_Control_Valve | |||||
| 3018 | P.CV | INPL | 3018 | ピンチ弁 | Pinch_Control_Valve | |||||
| 3019 | CV | INPL | 3019 | 調節弁 | Control_Valve | |||||
| 3020 | SENS | INIL | 3020 | NP | 検出端 | Sensor | ||||
| 3021 | ORIF | INPL | 3021 | オリフィス | Orifice | |||||
| 3022 | VNTU | INPL | 3022 | 3166 | ベンチュリ | Ventury | ||||
| 3023 | TRAN | 3023 | NP | 伝送器 | Transmitter | |||||
| 3024 | SLCV | INPL | 3024 | 3078 | 自力式調節弁 | Self_Control_Valve | ||||
| 3025 | SWIT | INIL | 3025 | NP | スイッチ | 右 | Switch | right | ||
| 3025 | SWIT | INIL | 3026 | NP | スイッチ | 上 | Switch | upper | ||
| 3025 | SWIT | INIL | 3027 | NP | スイッチ | 左 | Switch | left | ||
| 3028 | CLTR | 3028 | NP | 演算器.変換器 | Caluculator_Transformer | |||||
| 3029 | L.CV | INPL | 3029 | アングル形調節弁 | Angle_Control_Valve | |||||
| 3030 | LCVC | INPL | 3030 | アングル形逆流調節弁 | Angle_Control_Valve_Cage_Type | |||||
| 3031 | 3WCV | INPL | 3031 | 三方切換弁 | 3_Way_Switch_Valve | |||||
| 3032 | 3DCV | INPL | 3032 | 三方調節弁 | 3_Way_Diaphragm_Control_Valve | |||||
| 3033 | 4WCV | INPL | 3033 | 四方弁 | 4_Way_Control_Valve | |||||
| 3034 | SVLV | INIL | 3034 | NP | 切換バルブ | (空油圧用) | 4-2 右 | Switch_Valve | 4-2 right | |
| 3034 | SVLV | INIL | 3035 | NP | 切換バルブ | (空油圧用) | 4-2 左 | Switch_Valve | 4-2 left | |
| 3034 | SVLV | INIL | 3036 | NP | 切換バルブ | (空油圧用) | 4-3 左 | Switch_Valve | 4-3 left | |
| 3034 | SVLV | INIL | 3037 | NP | 切換バルブ | (空油圧用) | 4-3 右 | Switch_Valve | 4-3 right | |
| 3034 | SVLV | INIL | 3038 | NP | 切換バルブ | (空油圧用) | 4-3 上 | Switch_Valve | 4-3 upper | |
| 3034 | SVLV | INIL | 3039 | NP | 切換バルブ | (空油圧用) | 4-3 下 | Switch_Valve | 4-3 lower | |
| 3025 | SWIT | INIL | 3040 | NP | スイッチ | 右 | Switch | right | ||
| 3025 | SWIT | INIL | 3041 | NP | スイッチ | 左 | Switch | left | ||
| 3025 | SWIT | INIL | 3042 | NP | スイッチ | 上 | Switch | upper | ||
| 3025 | SWIT | INIL | 3043 | NP | スイッチ | 下 | Switch | lower | ||
| 3044 | PANE | 3044 | NP | パネル計器 | Panel_Meter | |||||
| 3045 | PANE | 3045 | NP | 現場パネル計器 | Site_Panel_Meter | |||||
| 3046 | CPU | 3046 | NP | CPU入出力 | Computer_I/O | |||||
| 3047 | ACCE | 3047 | NP | 付属計器 | Accesory | |||||
| 3047 | ACCE | 3048 | NP | 付属計器 | Accesory | |||||
| 3049 | CPU | 3049 | NP | コンピュータ | Computer | |||||
| 3050 | TREN | 3050 | NP | トレンド入力 | Trend_Input | |||||
| 3051 | SAMP | 3051 | NP | 試料採取点 | Sampling_Point | |||||
| 3052 | CPUD | 3052 | NP | CPU直結パネル | Computer_Direct_Panel | |||||
| 3053 | CPU_ | 3053 | NP | CPU入力計器 | Computer_Input_Meter | |||||
| 3054 | ORIF | INPL | 3054 | オリフィス | フランジタップ | Orifice | Flange Tap | |||
| 3054 | ORIF | INPL | 3055 | オリフィス | バイプタップ | Orifice | Pipe Tap | |||
| 3056 | AMP. | INIL | 3056 | NP | 電流計 | Ampere_Meter | ||||
| 3057 | ANOD | 3057 | NP | 陽極記号 | Anode_Mark | |||||
| 3058 | CATH | 3058 | NP | 陰極記号 | Cathode_Mark | |||||
| 3059 | DIGI | 3059 | NP | デジタルパネル | Digital_Panel | |||||
| 3060 | INST | 3060 | NP | 計器 | Instrument | |||||
| 3060 | INST | 3061 | NP | 計器 | Instrument | |||||
| 3025 | SWIT | INIL | 3062 | NP | スイッチ | 下右 | Switch | |||
| 3025 | SWIT | INIL | 3063 | NP | スイッチ | 左右 | Switch | |||
| 3025 | SWIT | INIL | 3064 | NP | スイッチ | 下左 | Switch | |||
| 3046 | CPU | 3065 | NP | CPU入出力 | Computer_I/O | |||||
| 3060 | INST | 3066 | NP | 計器 | Instrument | |||||
| 3067 | DIAP | 3067 | 隔膜付計器 | Meter_with_diaphragm | ||||||
| 3068 | DVCV | INPL | 3068 | ダイバータCV | Diverter_Control_Valve | |||||
| 3068 | DVCV | INPL | 3069 | ダイバータCV | Diverter_Control_Valve | |||||
| 3070 | SOLE | INAC | 3070 | 電磁式駆動部 | 斜め | Solenoid_opend | ||||
| 3071 | PIST | INAC | 3071 | ピストン式駆動部 | 斜め | Piston_operated | Slanting Actuator | |||
| 3072 | FLUI | INPL | 3072 | 流量計 | (一般) | Fluid_meter | Slanting Actuator | |||
| 3060 | INST | 3073 | 計器 | Instrument | ||||||
| 3074 | SINV | INPL | 3074 | 特殊計装弁 | Special_Instrument_Valve | |||||
| 3075 | IT45 | INPL | 3075 | 3076 | 45°計装タンク弁 | Tank_Valve(45deg) | 45deg | |||
| 3075 | IT45 | INPL | 3076 | 3075 | 45°計装タンク弁 | Tank_Valve(45deg) | 45deg | |||
| 3077 | 3WBV | INPL | 3077 | 三方ボール弁 | 3_Way_Ball_Valve | |||||
| 3024 | SLCV | INPL | 3078 | 自力式調節弁 | Self_Control_Valve | |||||
| 3015 | BU.V | INPL | 3079 | (計装)バタフライ弁 | Butt_fly_Valve | |||||
| 3110 | GL.V | INPL | 3080 | (計装)玉形弁 | Globe_Valve | |||||
| 3081 | LROT | INPL | 3081 | 曲進ロータメーター | L-Type_Rotor_Meter | |||||
| 3082 | PI | INPL | 3082 | 圧力計 | Pressure_Indicator | |||||
| 3083 | TI | INPL | 3083 | 温度計 | Temperature_Indicator | |||||
| 3084 | DIGI | 3084 | NP | デジタル現場設置 | Digital_Site_Set | |||||
| 3085 | DIGI | 3085 | NP | デジタル現場パネル | Digital_Site_Panel | |||||
| 3086 | FLNZ | INPL | 3086 | 3167 | フローノズル | Flow_Nozzle | ||||
| 3087 | CPUD | 3087 | NP | CPU直結現場設置 | Computer_Direct_Site_Set | |||||
| 3088 | CPUD | 3088 | NP | CPU直結現場パネル | Computer_Direct_Site_Panel | |||||
| 3089 | UROT | INPL | 3089 | U型ロータメーター | U-Type_Roter_Meter | |||||
| 3090 | DNZI | INPL | 3090 | ダミーノズル | Dummy_Nozzle_for_Instrument | |||||
| 3091 | ULI | INPL | 3091 | U型レベル計 | U-Type_Level_Indicater | |||||
| 3092 | LLI | INPL | 3092 | L型レベル計 | L-Type_Level_Indicater | |||||
| 3093 | ULG | INPL | 3093 | レベルゲージ | Level_Gage | |||||
| 3094 | DHVL | INPL | 3094 | ダミー半バルブ | Dummy_Half_Valve | |||||
| 3095 | LPH | INPL | 3095 | pH計 | PH_Meter | |||||
| 3096 | SSIN | INPL | 3096 | 同径計装品 | Same_Size_Instrument | |||||
| 3097 | SCIN | INPL | 3097 | 同心計装品 | Concentric_Instrument | |||||
| 3098 | SEIN | INPL | 3098 | 偏心計装品 | Eccentric_Instrument | |||||
| 3099 | C.IN | INPL | 3099 | 曲り計装品 | Curve_Instrument | |||||
| 3100 | B.IN | INPL | 3100 | 分岐計装品 | Branch_Instrument | |||||
| 3101 | ORIF | INPL | 3101 | オリフィス廻り | フランジタップ伝送 | Orifice | Flange Tap Transmit | |||
| 3101 | ORIF | INPL | 3102 | オリフィス廻り | パイプタップ伝送 | Orifice | Pipe Tap Transmitte | |||
| 3101 | ORIF | INPL | 3103 | オリフィス廻り | フランジタップ現場 | Orifice | Flange Tap Field | |||
| 3101 | ORIF | INPL | 3104 | オリフィス廻り | パイプタップ現場 | Orifice | Pipe Tap Field | |||
| 3105 | KV.F | INPL | 3105 | 過流量計 | Karman_Vortex_Flow_Meter | |||||
| 3106 | US.F | INPL | 3106 | 3168 | 超音波式流量計 | Ultra_Sonic_Flow_Meter | ||||
| 3025 | SWIT | INIL | 3107 | スイッチ | Switch | |||||
| 3108 | SYPH | INIL | 3108 | サイフォン管 | Syphone_Tube | |||||
| 3109 | MS.F | INPL | 3109 | 質量流量計 | Mass_Flow_Meter | |||||
| 3110 | GL.V | INPL | 3110 | (計装)玉形弁 | Instrument Glove Valve | |||||
| 3111 | CPU | INIL | 3111 | NP | CPUシステム | Computer_System | ||||
| 3112 | DIGI | INIL | 3112 | NP | デジタル計装制御 | Digital_Control | ||||
| 3113 | INTE | INIL | 3113 | NP | インターロック | Interlock | ||||
| 3114 | CVWP | INPL | 3114 | ポジショナ付CV | CTRL VLV w/ PSNR | |||||
| 3031 | 3WCT | INPL | 3115 | 三方切換弁 | CTB B下 | 3_Way_Switch_Valve | CTB-Type | |||
| 3031 | 3WCB | INPL | 3116 | 三方切換弁 | CBT B下 | 3_Way_Switch_Valve | CBT-Type | |||
| 3032 | 3DCT | INPL | 3117 | 三方調節弁 | CTB B上 | 3_Way_Diaphragm_Con | CTB-Type | |||
| 3032 | 3DCB | INPL | 3118 | 三方調節弁 | CBT B上 | 3_Way_Diaphragm_Con | CBT-Type | |||
| 3119 | CVPB | INPL | 3119 | 圧力均衡型CV | CTRL V PRESS BAL | |||||
| 3120 | M.IN | INPL | 3120 | マルチ計装品 | Malti_Instrument | |||||
| 3121 | M.GA | INPL | 3121 | モータ式ゲート弁 | Motor_Type_Gate_Valve | |||||
| 3122 | M.GL | INPL | 3122 | モータ式グローブ弁 | Motor_Type_Globe_Valve | |||||
| 3123 | L.AV | INPL | 3123 | L型オートバルブ | L-Type_Auto_Valve | |||||
| 3124 | F.AV | INPL | 3124 | F型オートバルブ | F-Type_Auto_Valve | |||||
| 3125 | DMFV | INPL | 3125 | ダミーF型バルブ | Dummy_Nozzle_for_F-Type_Auto_Valve | |||||
| 3126 | 3126 | |||||||||
| 3127 | 3127 | |||||||||
| 3128 | 3128 | |||||||||
| 3129 | 3129 | |||||||||
| 3130 | CT | INPL | 3130 | 濃度計 | (V9.20予定) | 直進 | CONC XMTR STR | |||
| 3131 | CCT | INPL | 3131 | 濃度計 | L型 | CONC XMTR Angle | ||||
| 3132 | BWFV | INPL | 3132 | 片BWボール弁 | BW-FLG BALL CV | |||||
| 3133 | SCCV | INPL | 3133 | サイズ変化調節弁 | SIZE CHNG CTRL V | |||||
| 3134 | 90TW | INPL | 3134 | 90度温度計ウェル | 90degTHERMO WELL | |||||
| 3135 | 60TW | INPL | 3135 | 60度温度計ウェル | 60degTHERMO WELL | |||||
| 3136 | BUCV | INPL | 3136 | バタフライ弁 | Butterfly Control Valve | |||||
| 3137 | BACV | INPL | 3137 | ボール弁 | Ball Control Valve | |||||
| 3138 | 3138 | |||||||||
| 3139 | 3139 | |||||||||
| 3140 | ADRV | INPL | 3140 | エアー駆動弁 | AIR DRIVING V | |||||
| 3141 | AOV | INPL | 3141 | エアモータ式仕切弁 | AIR MOTOR GATE V | |||||
| 3142 | DAMP | INPL | 3142 | ダンプナ | DAMPENER | |||||
| 3143 | DIPH | INPL | 3143 | ダイヤフラム | DIAPHRAGM | |||||
| 3144 | 3144 | |||||||||
| 3145 | SOLV | INPL | 3145 | 電磁弁 | SOLENOID VALVE | |||||
| 3146 | 3146 | |||||||||
| 3147 | 3147 | |||||||||
| 3148 | 3148 | |||||||||
| 3149 | IMSS | INPL | 3149 | オス計装同径品 | MALE INST SAME SIZE | |||||
| 3150 | 3150 | |||||||||
| 3151 | IMRD | INPL | 3151 | オス計装異径品 | MALE INST REDUCER | |||||
| 3152 | 3152 | |||||||||
| 3153 | 3153 | |||||||||
| 3154 | NCCT | INPL | 3154 | 非接触式濃度計 | CONC MTR No-CONT | |||||
| 3155 | NCFM | INPL | 3155 | 非接触式流量計 | FLOW MTR No-CONT | |||||
| 3156 | FRLU | INPL | 3156 | F.R.L ユニット | F.R.L UNIT | |||||
| 3157 | FRUT | INPL | 3157 | F.R ユニット | F.R UNIT | |||||
| 3158 | 3158 | |||||||||
| 3159 | 3159 | |||||||||
| 3160 | INST | 3160 | NP | 一般計器 | Instrument | Wide Type | ||||
| 3161 | 3161 | |||||||||
| 3162 | DIGI | INIL | 3162 | NP | デジタル計装制御 | Digital Control | Wide Type | |||
| 3163 | DIGI | 3163 | NP | デジタル | Digital | Wide Type | ||||
| 3006 | ROTO | INPL | 3164 | 直進ロータメーター | Rotor_Meter | |||||
| 3015 | BU.V | INPL | 3165 | バタフライ弁 | Butterfly_Control_Valve | |||||
| 3022 | VNTU | INPL | 3166 | ベンチュリ | Ventury | |||||
| 3086 | FLNZ | INPL | 3167 | フローノズル | Flow_Nozzle | |||||
| 3106 | US.F | INPL | 3168 | 超音波式流量計 | Ultra_Sonic_Flow_Meter | |||||
| 0 | 3169 | スキップ(計装ライン用) | Skip(Inst. Line) | |||||||
| 3161 | IT60 | INPL | 3170 | 3171 | 60°計装タンク弁 | Tank_Valve(60deg) | 60deg | |||
| 3161 | IT60 | INPL | 3171 | 3170 | 60°計装タンク弁 | Tank_Valve(60deg) | 60deg | |||
| 3172 | 3172 | |||||||||
| 3173 | 3173 | |||||||||
| 3174 | B.SI | 3174 | バケットストレーナ | BACKET STR INSTR | ||||||
| 3175 | 3175 | |||||||||
| 3176 | S.SI | 3176 | 直進ストレーナ | STRAIGHT STR INS | ||||||
| 3177 | 3177 | |||||||||
| 3178 | 3178 | |||||||||
| 3179 | 3179 | |||||||||
| 3180 | 3180 | |||||||||
| 3181 | 3181 | |||||||||
| 3182 | 3182 | |||||||||
| 3183 | 3183 | |||||||||
| 3184 | 3184 | |||||||||
| 3185 | 3185 | |||||||||
| 3186 | 3186 | |||||||||
| 3187 | 3187 | |||||||||
| 3188 | 3188 | |||||||||
| 3189 | 3189 | |||||||||
| 3190 | 3190 | |||||||||
| 3191 | 3191 | |||||||||
| 3192 | 3192 | |||||||||
| 3193 | 3193 | |||||||||
| 3194 | 3194 | |||||||||
| 3195 | 3195 | |||||||||
| 3196 | 3196 | |||||||||
| 3197 | 3197 | |||||||||
| 3198 | 3198 | |||||||||
| 3199 | 3199 | |||||||||
| 3200 | 3200 | |||||||||
計装用シンボル(計装付属品)一覧
計装用図形の図示表現上の補足的に使用されるシンボルです。
参考
- 一般的に集計上は集計表記されません。
- シンボル一覧出力用に、「BG(J)ITEM」には、「シンボルNo.+10000」のItem Codeが設定されています。
| 機能コード | シンボルNo. | 反転シンボルNo. | 機能記号 | 名称 | Name | ||
|---|---|---|---|---|---|---|---|
| MNC | 日本語 | English | |||||
| 3201 | 3201 | ACC | 付属伝送器 | ACC._TRANS | |||
| 3202 | 3202 | DIAP | ダイヤフラム式 | DIAPHRAGM | |||
| 3203 | 3203 | DIAP | ダイヤフラム式 | 圧力バランス | DIAPHRAGM | Pressure Balance | |
| 3204 | 3204 | ELEC | 電動式 | ELECTRIC | |||
| 3205 | 3205 | SOLE | 電磁式 | SOLENOID | |||
| 3206 | 3206 | PIST | ピストン式 | PISTON | |||
| 3207 | 3207 | HAND | 手動式 | HAND | |||
| 3208 | 3208 | 3209 | V._S | 弁サイドハンドル | 右 | V._SIDE_HN | |
| 3208 | 3209 | 3208 | V._S | 弁サイドハンドル | 左 | V._SIDE_HN | |
| 3210 | 3210 | V._T | 弁トップハンドル | V._TOP_HND | |||
| 3211 | 3211 | 3212 | V._P | 弁ポジショナ | 右 | V._POSITIO | |
| 3211 | 3212 | 3211 | V._P | 弁ポジショナ | 左 | V._POSITIO | |
| 3213 | 3213 | 3214 | V._L | 弁リミットスイッチ | 右 | V._LIMIT_S | |
| 3213 | 3214 | 3213 | V._L | 弁リミットスイッチ | 左 | V._LIMIT_S | |
| 3215 | 3215 | 3216 | V.O. | 弁開度伝送器 | 右 | V.O._TRANS | |
| 3215 | 3216 | 3215 | V.O. | 弁開度伝送器 | 左 | V.O._TRANS | |
| 3217 | 3217 | MOTO | モータ式駆動部 | MOTOR_ACTU | |||
| 3218 | 3218 | V._F | 弁フランジ端表示 | V._FLANGE_ | |||
| 3219 | 3219 | B._F | 片フランジ端表示 | 左 | B._FLANGE_ | ||
| 3219 | 3220 | B._F | 片フランジ端表示 | 右 | B._FLANGE_ | ||
| 3221 | 3221 | PRES | 圧力式駆動部 | PRESS_ACTU | |||
| 3222 | 3222 | AIR_ | 空気圧式駆動部 | AIR_ACTUAT | |||
| 3223 | 3223 | MOTO | モータ式駆動部 | MOTOR_ACTU | |||
| 3224 | 3224 | SPEE | 速度式駆動部 | SPEED_ACTU | |||
| 3225 | 3225 | HAND | 手動式駆動部 | HAND_ACTUA | |||
| 3226 | |||||||
| 3227 | |||||||
| 3228 | |||||||
| 3229 | |||||||
| 3230 | |||||||
| 3231 | 3231 | PRIM | 機器室設置 | PRIMARY_LO | |||
| 3232 | 3232 | BEHI | パネル裏設置 | BEHINED_PA | |||
| 3233 | 3233 | AUXI | 現場計器盤設置 | AUXILIARY_ | |||
| 3234 | 3234 | V.JA | ジャケット | 上下 | V.JACKET | ||
| 3234 | 3235 | V.JA | ジャケット | 上 左右下 | V.JACKET | ||
| 3234 | 3236 | V.JA | ジャケット | 左右上下 | V.JACKET | ||
| 3234 | 3237 | 3242 | V.JA | ジャケット | 上左(上右) | V.JACKET | |
| 3238 | 3238 | V.SE | セミジャケット | 上下 | V.SEMI-JAC | ||
| 3238 | 3239 | V.SE | セミジャケット | 上 左右下 | V.SEMI-JAC | ||
| 3238 | 3240 | V.SE | セミジャケット | 左右上下 | V.SEMI-JAC | ||
| 3238 | 3241 | 3243 | V.SE | セミジャケット | 上左(上右) | V.SEMI-JAC | |
| 3234 | 3242 | 3237 | V.JA | ジャケット | 上右 | V.JACKET | |
| 3238 | 3243 | 3241 | V.SE | セミジャケット | 上右 | V.SEMI-JAC | |
| 3244 | 3244 | OIL_ | 油圧式駆動部 | OIL_ACTUAT | |||
| 3245 | 3245 | EH_A | 電油式駆動部 | EH_ACTUATE | |||
| 3246 | |||||||
| 3247 | |||||||
| 3248 | |||||||
| 3249 | |||||||
| 3250~3300 | (対応A(B)GITEMのAreaは空) | ||||||
| 3301 | 3301 | ORI. | オリフィス付仕切弁 | ORI._GATE_ | |||
| 3302 | 3302 | ORI. | オリフィス付玉形弁 | ORI._GLOVE | |||
| 3303 | 3303 | ORI. | オリフィス付ボール弁 | ORI._BALL_ | |||
| 3304 | 3304 | ORI. | オリフィス付ダイヤ弁 | M型 | ORI._DIAPH | ||
| 3305 | 3305 | ORI. | オリフィス付ダイヤ弁 | 扇型 | ORI._DIAPH | ||
| 3306 | |||||||
| 3307 | |||||||
| 3308 | |||||||
| 3309 | |||||||
| 3310 | |||||||
| 3311 | |||||||
| 3312 | |||||||
| 3313 | |||||||
| 3314 | |||||||
| 3315 | |||||||
| 3316 | |||||||
| 3317 | |||||||
| 3318 | |||||||
| 3319 | |||||||
| 3320 | |||||||
| 3321 | |||||||
| 3322 | |||||||
| 3323 | |||||||
| 3324 | |||||||
| 3325 | |||||||
| 3326 | |||||||
| 3327 | |||||||
| 3328 | |||||||
| 3329 | |||||||
| 3330 | |||||||
| 3331 | |||||||
| 3332 | |||||||
| 3333 | |||||||
| 3334 | |||||||
| 3335 | |||||||
| 3336 | |||||||
| 3337 | |||||||
| 3338 | |||||||
| 3339 | |||||||
| 3340 | |||||||
| 3341 | |||||||
| 3342 | |||||||
| 3343 | |||||||
| 3344 | |||||||
| 3345 | |||||||
| 3346 | |||||||
| 3347 | |||||||
| 3348 | |||||||
| 3349 | |||||||
| 3350 | |||||||
| 3401 | 3401 | TAG_ | 風船記号 | TAG_BALOON | |||
| 3402 | |||||||
| 3403 | |||||||
| 3404 | |||||||
| 3405 | |||||||
| 3406 | |||||||
| 3407 | |||||||
| 3408 | |||||||
| 3409 | |||||||
| 3410 | |||||||
| 3411 | |||||||
| 3412 | |||||||
| 3413 | |||||||
| 3414 | |||||||
| 3415 | |||||||
| 3416 | |||||||
| 3417 | |||||||
| 3418 | |||||||
| 3419 | |||||||
| 3420 | |||||||
| 3421 | |||||||
| 3422 | |||||||
| 3423 | |||||||
| 3424 | |||||||
| 3425 | |||||||
| 3426 | |||||||
| 3427 | |||||||
| 3428 | |||||||
| 3429 | |||||||
| 3430 | |||||||
| 3431 | |||||||
| 3432 | |||||||
| 3433 | |||||||
| 3434 | |||||||
| 3435 | |||||||
| 3436 | |||||||
| 3437 | |||||||
| 3438 | |||||||
| 3439 | |||||||
| 3440 | |||||||
計装用シンボル(計装品)
計装品シンボルは、3D(EYEPIPE)と一部異なり、配管上に載らないパネル計器等も含まれています。以下の記号で表示されています。
| INPL(In-Piping Line) | 配管上に載るもの |
|---|---|
| INIL(In-Instrument Line) | 計装線上に載る(はめ込まれる)もの |
| NO3D | 3D(EYEPIPE)で対応する機能のシンボルが存在しない(ユーザーニーズが今までない)もの |
参考
- P&IDでのシンボルNo.と機能コードは、bg/BGSYBL,jxx/JSYBLで対応付けられています。
- 計装付属品のシンボルNo.は3200番台ですが、シンボルNo.3070と3071は計装付属品であり、「INAC」(Instrument Accessory)と表示されています。
説明
- シンボル一覧の構成は以下のとおりです。

- シンボル図形の寸法数値は、P1のパラメータ値の係数です。
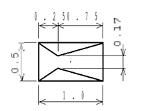
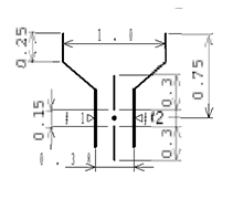
No.3001:現場計器(横 左下-右上)
| 機能コード | 反転シンボルNo. | INPL/INIL | MNC | スケールデフォルト値 |
|---|---|---|---|---|
| 3001 | METE | P1: [ 11 ] mm |
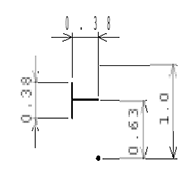
No.3002:変換器(左下-右上)
| 機能コード | 反転シンボルNo. | INPL/INIL | MNC | スケールデフォルト値 |
|---|---|---|---|---|
| 3002 | INIL | TRAN | P1: [ 11 ] mm |
No.3003:変換器(下2)
| 機能コード | 反転シンボルNo. | INPL/INIL | MNC | スケールデフォルト値 |
|---|---|---|---|---|
| 3002 | INIL | TRAN | P1: [ 11 ] mm |
No.3004:演算器
| 機能コード | 反転シンボルNo. | INPL/INIL | MNC | スケールデフォルト値 |
|---|---|---|---|---|
| 3004 | CALC | P1: [ 8 ] mm |
No.3005:演算器
| 機能コード | 反転シンボルNo. | INPL/INIL | MNC | スケールデフォルト値 |
|---|---|---|---|---|
| 3004 | CALC | P1: [ 8 ] mm |
No.3006:直進ロータメーター
| 機能コード | 反転シンボルNo. | INPL/INIL | MNC | スケールデフォルト値 |
|---|---|---|---|---|
| 3006 | 3164 | INPL | ROTO | P1: [ 16 ] mm |
No.3007:タービン式流量計
| 機能コード | 反転シンボルNo. | INPL/INIL | MNC | スケールデフォルト値 |
|---|---|---|---|---|
| 3007 | INPL | TURB | P1: [ 6 ] mm |
No.3008:容積式流量計
| 機能コード | 反転シンボルNo. | INPL/INIL | MNC | スケールデフォルト値 |
|---|---|---|---|---|
| 3008 | INPL | OVAL | P1: [ 8 ] mm |
No.3009:電磁式流量計
| 機能コード | 反転シンボルNo. | INPL/INIL | MNC | スケールデフォルト値 |
|---|---|---|---|---|
| 3009 | INPL | RADI | P1: [ 6 ] mm |
No.3010:ピトー管
| 機能コード | 反転シンボルNo. | INPL/INIL | MNC | スケールデフォルト値 |
|---|---|---|---|---|
| 3010 | 3011 | NO3D | PITO | P1: [ 6 ] mm |
No.3011:ピトー管(左下)
| 機能コード | 反転シンボルNo. | INPL/INIL | MNC | スケールデフォルト値 |
|---|---|---|---|---|
| 3010 | NO3D | PITO | P1: [ 6 ] mm |
No.3012:ピトー管(右下)
| 機能コード | 反転シンボルNo. | INPL/INIL | MNC | スケールデフォルト値 |
|---|---|---|---|---|
| 3010 | 3013 | NO3D | PITO | P1: [ 6 ] mm |
No.3013:ピトー管(左上)
| 機能コード | 反転シンボルNo. | INPL/INIL | MNC | スケールデフォルト値 |
|---|---|---|---|---|
| 3010 | NO3D | PITO | P1: [ 6 ] mm |
No.3014:計装一般弁
| 機能コード | 反転シンボルNo. | INPL/INIL | MNC | スケールデフォルト値 |
|---|---|---|---|---|
| 3014 | INPL | I.VA | P1: [ 6 ] mm |
No.3015:(計装)バタフライ弁
| 機能コード | 反転シンボルNo. | INPL/INIL | MNC | スケールデフォルト値 |
|---|---|---|---|---|
| 3015 | 3165 | INPL | BU.V | P1: [ 6 ] mm |
No.3016:(計装)ダイヤフラム弁
| 機能コード | 反転シンボルNo. | INPL/INIL | MNC | スケールデフォルト値 |
|---|---|---|---|---|
| 3016 | INPL | D.CV | P1: [ 6 ] mm |
No.3017:(計装)ボール弁
| 機能コード | 反転シンボルNo. | INPL/INIL | MNC | スケールデフォルト値 |
|---|---|---|---|---|
| 3017 | INPL | B.CV | P1: [ 6 ] mm |
No.3018:(計装)ピンチ弁
| 機能コード | 反転シンボルNo. | INPL/INIL | MNC | スケールデフォルト値 |
|---|---|---|---|---|
| 3018 | INPL | P.CV | P1: [ 6 ] mm |
No.3019:調節弁
| 機能コード | 反転シンボルNo. | INPL/INIL | MNC | スケールデフォルト値 |
|---|---|---|---|---|
| 3019 | INPL | CV | P1: [ 6 ] mm |
No.3020:検出端
| 機能コード | 反転シンボルNo. | INPL/INIL | MNC | スケールデフォルト値 |
|---|---|---|---|---|
| 3020 | SENS | P1: [ 2 ] mm |
No.3021:オリフィス(単体)
| 機能コード | 反転シンボルNo. | INPL/INIL | MNC | スケールデフォルト値 |
|---|---|---|---|---|
| 3021 | INPL | ORIF | P1: [ 3 ] mm |
No.3022:ベンチュリ
| 機能コード | 反転シンボルNo. | INPL/INIL | MNC | スケールデフォルト値 |
|---|---|---|---|---|
| 3022 | 3166 | INPL | VNTU | P1: [ 8 ] mm |
No.3023:伝送器
| 機能コード | 反転シンボルNo. | INPL/INIL | MNC | スケールデフォルト値 |
|---|---|---|---|---|
| 3023 | TRAN | P1: [ 11 ] mm |
No.3024:自力式調節弁
| 機能コード | 反転シンボルNo. | INPL/INIL | MNC | スケールデフォルト値 |
|---|---|---|---|---|
| 3024 | 3078 | INPL | SLCV | P1: [ 6 ] mm |
No.3025:スイッチ(右)
| 機能コード | 反転シンボルNo. | INPL/INIL | MNC | スケールデフォルト値 |
|---|---|---|---|---|
| 3025 | INIL | SWIT | P1: [ 5 ] mm |
No.3026:スイッチ(上)
| 機能コード | 反転シンボルNo. | INPL/INIL | MNC | スケールデフォルト値 |
|---|---|---|---|---|
| 3025 | INIL | SWIT | P1: [ 5 ] mm |
No.3027:スイッチ(左)
| 機能コード | 反転シンボルNo. | INPL/INIL | MNC | スケールデフォルト値 |
|---|---|---|---|---|
| 3025 | INIL | SWIT | P1: [ 6 ] mm |
No.3028:演算器.変換器
| 機能コード | 反転シンボルNo. | INPL/INIL | MNC | スケールデフォルト値 |
|---|---|---|---|---|
| 3028 | CLTR | P1: [ 6 ] mm |
No.3029:アングル形調節弁
| 機能コード | 反転シンボルNo. | INPL/INIL | MNC | スケールデフォルト値 |
|---|---|---|---|---|
| 3029 | INPL | L.CV | P1: [ 6 ] mm |
No.3030:アングル形流逆調節弁
| 機能コード | 反転シンボルNo. | INPL/INIL | MNC | スケールデフォルト値 |
|---|---|---|---|---|
| 3030 | INPL | LCVC | P1: [ 6 ] mm |
No.3031:(計装)三方切換弁
| 機能コード | 反転シンボルNo. | INPL/INIL | MNC | スケールデフォルト値 |
|---|---|---|---|---|
| 3031 | INPL | 3WCV | P1: [ 6 ] mm |
No.3032:三方調節弁
| 機能コード | 反転シンボルNo. | INPL/INIL | MNC | スケールデフォルト値 |
|---|---|---|---|---|
| 3032 | INPL | 3DCV | P1: [ 6 ] mm |
No.3033:(計装)四方弁
| 機能コード | 反転シンボルNo. | INPL/INIL | MNC | スケールデフォルト値 |
|---|---|---|---|---|
| 3033 | INPL | 4WCV | P1: [ 6 ] mm |
No.3034:切換バルブ(4-2 右)
| 機能コード | 反転シンボルNo. | INPL/INIL | MNC | スケールデフォルト値 |
|---|---|---|---|---|
| 3034 | INIL | SVLV | P1: [ 5 ] mm |
No.3035:切換バルブ(4-2 左)
| 機能コード | 反転シンボルNo. | INPL/INIL | MNC | スケールデフォルト値 |
|---|---|---|---|---|
| 3034 | INIL | SVLV | P1: [ 5 ] mm |
No.3036:切換バルブ(4-3 左)
| 機能コード | 反転シンボルNo. | INPL/INIL | MNC | スケールデフォルト値 |
|---|---|---|---|---|
| 3034 | INIL | SVLV | P1: [ 5 ] mm |
No.3037:切換バルブ(4-3 右)
| 機能コード | 反転シンボルNo. | INPL/INIL | MNC | スケールデフォルト値 |
|---|---|---|---|---|
| 3034 | INIL | SVLV | P1: [ 5 ] mm |
No.3038:切換バルブ(4-3 上)
| 機能コード | 反転シンボルNo. | INPL/INIL | MNC | スケールデフォルト値 |
|---|---|---|---|---|
| 3034 | INIL | SVLV | P1: [ 5 ] mm |
No.3039:切換バルブ(4-3 下)
| 機能コード | 反転シンボルNo. | INPL/INIL | MNC | スケールデフォルト値 |
|---|---|---|---|---|
| 3034 | INIL | SVLV | P1: [ 5 ] mm |
No.3040:スイッチ(右)
| 機能コード | 反転シンボルNo. | INPL/INIL | MNC | スケールデフォルト値 |
|---|---|---|---|---|
| 3025 | INIL | SWIT | P1: [ 5 ] mm |
No.3041:スイッチ(左)
| 機能コード | 反転シンボルNo. | INPL/INIL | MNC | スケールデフォルト値 |
|---|---|---|---|---|
| 3025 | INIL | SWIT | P1: [ 5 ] mm |
No.3042:スイッチ(上)
| 機能コード | 反転シンボルNo. | INPL/INIL | MNC | スケールデフォルト値 |
|---|---|---|---|---|
| 3025 | INIL | SWIT | P1: [ 5 ] mm |
No.3043:スイッチ(下)
| 機能コード | 反転シンボルNo. | INPL/INIL | MNC | スケールデフォルト値 |
|---|---|---|---|---|
| 3025 | INIL | SWIT | P1: [ 5 ] mm |
No.3044:パネル計器
| 機能コード | 反転シンボルNo. | INPL/INIL | MNC | スケールデフォルト値 |
|---|---|---|---|---|
| 3044 | PANE | P1: [ 11 ] mm |
No.3045:現場パネル計器
| 機能コード | 反転シンボルNo. | INPL/INIL | MNC | スケールデフォルト値 |
|---|---|---|---|---|
| 3045 | PANE | P1: [ 11 ] mm |
No.3046:CPU入出力
| 機能コード | 反転シンボルNo. | INPL/INIL | MNC | スケールデフォルト値 |
|---|---|---|---|---|
| 3046 | CPU | P1: [ 12 ] mm |
No.3047:付属計器
| 機能コード | 反転シンボルNo. | INPL/INIL | MNC | スケールデフォルト値 |
|---|---|---|---|---|
| 3047 | ACCE | P1: [ 12 ] mm |
No.3048:付属計器
| 機能コード | 反転シンボルNo. | INPL/INIL | MNC | スケールデフォルト値 |
|---|---|---|---|---|
| 3047 | ACCE | P1: [ 12 ] mm |
No.3049:コンピュータ
| 機能コード | 反転シンボルNo. | INPL/INIL | MNC | スケールデフォルト値 |
|---|---|---|---|---|
| 3049 | CPU | P1: [ 5 ] mm |
No.3050:トレンド入力
| 機能コード | 反転シンボルNo. | INPL/INIL | MNC | スケールデフォルト値 |
|---|---|---|---|---|
| 3050 | TREN | P1: [ 5 ] mm |
No.3051:試料採取点
| 機能コード | 反転シンボルNo. | INPL/INIL | MNC | スケールデフォルト値 |
|---|---|---|---|---|
| 3051 | SAMP | P1: [ 1 ] mm |
No.3052:CPU直結パネル
| 機能コード | 反転シンボルNo. | INPL/INIL | MNC | スケールデフォルト値 |
|---|---|---|---|---|
| 3052 | CPUD | P1: [ 11 ] mm |
No.3053:CPU入力計器
| 機能コード | 反転シンボルNo. | INPL/INIL | MNC | スケールデフォルト値 |
|---|---|---|---|---|
| 3053 | CPU_ | P1: [ 11 ] mm |
No.3054:オリフィス フランジタップ
| 機能コード | 反転シンボルNo. | INPL/INIL | MNC | スケールデフォルト値 |
|---|---|---|---|---|
| 3054 | INPL | ORIF | P1: [ 8 ] mm |
No.3055:オリフィス バイプタップ
| 機能コード | 反転シンボルNo. | INPL/INIL | MNC | スケールデフォルト値 |
|---|---|---|---|---|
| 3054 | INPL | ORIF | P1: [ 8 ] mm |
No.3056:電流計
| 機能コード | 反転シンボルNo. | INPL/INIL | MNC | スケールデフォルト値 |
|---|---|---|---|---|
| 3056 | INIL | AMP. | P1: [ 5 ] mm |
No.3057:陽極記号
| 機能コード | 反転シンボルNo. | INPL/INIL | MNC | スケールデフォルト値 |
|---|---|---|---|---|
| 3057 | ANOD | P1: [ 5 ] mm |
No.3058:陰極記号
| 機能コード | 反転シンボルNo. | INPL/INIL | MNC | スケールデフォルト値 |
|---|---|---|---|---|
| 3058 | CATH | P1: [ 5 ] mm |
No.3059:デジタルパネル
| 機能コード | 反転シンボルNo. | INPL/INIL | MNC | スケールデフォルト値 |
|---|---|---|---|---|
| 3059 | DIGI | P1: [ 11 ] mm |
No.3060:計器
| 機能コード | 反転シンボルNo. | INPL/INIL | MNC | スケールデフォルト値 |
|---|---|---|---|---|
| 3060 | INST | P1: [ 10 ] mm |
No.3061:計器
| 機能コード | 反転シンボルNo. | INPL/INIL | MNC | スケールデフォルト値 |
|---|---|---|---|---|
| 3060 | INST | P1: [ 10 ] mm |
No.3062:スイッチ(下右)
| 機能コード | 反転シンボルNo. | INPL/INIL | MNC | スケールデフォルト値 |
|---|---|---|---|---|
| 3025 | INIL | SWIT | P1: [ 5 ] mm |
No.3063:スイッチ(左右)
| 機能コード | 反転シンボルNo. | INPL/INIL | MNC | スケールデフォルト値 |
|---|---|---|---|---|
| 3025 | INIL | SWIT | P1: [ 5 ] mm |
No.3064:スイッチ(下左)
| 機能コード | 反転シンボルNo. | INPL/INIL | MNC | スケールデフォルト値 |
|---|---|---|---|---|
| 3025 | INIL | SWIT | P1: [ 5 ] mm |
No.3065:CPU入出力
| 機能コード | 反転シンボルNo. | INPL/INIL | MNC | スケールデフォルト値 |
|---|---|---|---|---|
| 3046 | CPU | P1: [ 12 ] mm |
No.3066:計器
| 機能コード | 反転シンボルNo. | INPL/INIL | MNC | スケールデフォルト値 |
|---|---|---|---|---|
| 3060 | INST | P1: [ 12 ] mm |
No.3067:隔膜付計器
| 機能コード | 反転シンボルNo. | INPL/INIL | MNC | スケールデフォルト値 |
|---|---|---|---|---|
| 3067 | DIAP | P1: [ 11 ] mm |
No.3068:(計装)ダイバータCV
| 機能コード | 反転シンボルNo. | INPL/INIL | MNC | スケールデフォルト値 |
|---|---|---|---|---|
| 3068 | INPL | DVCV | P1: [ 6 ] mm |
No.3069:(計装)ダイバータCV
| 機能コード | 反転シンボルNo. | INPL/INIL | MNC | スケールデフォルト値 |
|---|---|---|---|---|
| 3068 | INPL | DVCV | P1: [ 6 ] mm |
No.3070:電磁式駆動部 斜め
| 機能コード | 反転シンボルNo. | INPL/INIL | MNC | スケールデフォルト値 |
|---|---|---|---|---|
| 3070 | INAC | SOLE | P1: [ 6 ] mm |
No.3071:ピストン式駆動部 斜め
| 機能コード | 反転シンボルNo. | INPL/INIL | MNC | スケールデフォルト値 |
|---|---|---|---|---|
| 3071 | INAC | PIST | P1: [ 6 ] mm |
No.3072:流量計
| 機能コード | 反転シンボルNo. | INPL/INIL | MNC | スケールデフォルト値 |
|---|---|---|---|---|
| 3072 | INPL | FLUI | P1: [ 6 ] mm |
No.3073:計器
| 機能コード | 反転シンボルNo. | INPL/INIL | MNC | スケールデフォルト値 |
|---|---|---|---|---|
| 3060 | INST | P1: [ 12 ] mm |
No.3074:特殊計装弁
| 機能コード | 反転シンボルNo. | INPL/INIL | MNC | スケールデフォルト値 |
|---|---|---|---|---|
| 3074 | INPL | SINV | P1: [ 6 ] mm |
No.3075:45°計装タンク弁
| 機能コード | 反転シンボルNo. | INPL/INIL | MNC | スケールデフォルト値 |
|---|---|---|---|---|
| 3075 | 3076 | INPL | IT45 | P1: [ 6 ] mm |
No.3076:45°計装タンク弁
| 機能コード | 反転シンボルNo. | INPL/INIL | MNC | スケールデフォルト値 |
|---|---|---|---|---|
| 3075 | 3075 | INPL | IT45 | P1: [ 6 ] mm |
No.3077:三方ボール弁
| 機能コード | 反転シンボルNo. | INPL/INIL | MNC | スケールデフォルト値 |
|---|---|---|---|---|
| 3077 | INPL | 3WBV | P1: [ 3 ] mm |
No.3078:自力式調節弁
| 機能コード | 反転シンボルNo. | INPL/INIL | MNC | スケールデフォルト値 |
|---|---|---|---|---|
| 3024 | INPL | SLCV | P1: [ 6 ] mm |
No.3079:(計装)バタフライ弁
| 機能コード | 反転シンボルNo. | INPL/INIL | MNC | スケールデフォルト値 |
|---|---|---|---|---|
| 3015 | INPL | BU.V | P1: [ 6 ] mm |
No.3080:(計装)玉形弁
| 機能コード | 反転シンボルNo. | INPL/INIL | MNC | スケールデフォルト値 |
|---|---|---|---|---|
| 3110 | INPL | GL.V | P1: [ 6 ] mm |
No.3081:曲進ロータメーター
| 機能コード | 反転シンボルNo. | INPL/INIL | MNC | スケールデフォルト値 |
|---|---|---|---|---|
| 3081 | LROT | P1: [ ] mm |
No.3082:圧力計
| 機能コード | 反転シンボルNo. | INPL/INIL | MNC | スケールデフォルト値 |
|---|---|---|---|---|
| 3082 | PI | P1: [ ] mm |
No.3083:温度計
| 機能コード | 反転シンボルNo. | INPL/INIL | MNC | スケールデフォルト値 |
|---|---|---|---|---|
| 3083 | TI | P1: [ ] mm |
No.3084:デジタル現場設置
| 機能コード | 反転シンボルNo. | INPL/INIL | MNC | スケールデフォルト値 |
|---|---|---|---|---|
| 3084 | DIGI | P1: [ 11 ] mm |
No.3085:デジタル現場パネル
| 機能コード | 反転シンボルNo. | INPL/INIL | MNC | スケールデフォルト値 |
|---|---|---|---|---|
| 3085 | DIGI | P1: [ 11 ] mm |
No.3086:フローノズル
| 機能コード | 反転シンボルNo. | INPL/INIL | MNC | スケールデフォルト値 |
|---|---|---|---|---|
| 3086 | INPL | FLNZ | P1: [ 6 ] mm |
No.3087:CPU直結現場設置
| 機能コード | 反転シンボルNo. | INPL/INIL | MNC | スケールデフォルト値 |
|---|---|---|---|---|
| 3087 | CPUD | P1: [ ] mm |
No.3088:CPU直結現場パネル
| 機能コード | 反転シンボルNo. | INPL/INIL | MNC | スケールデフォルト値 |
|---|---|---|---|---|
| 3088 | CPUD | P1: [ ] mm |
No.3089:U型ロータメーター
| 機能コード | 反転シンボルNo. | INPL/INIL | MNC | スケールデフォルト値 |
|---|---|---|---|---|
| 3089 | UROT | P1: [ ] mm |
No.3090:ダミーノズル
| 機能コード | 反転シンボルNo. | INPL/INIL | MNC | スケールデフォルト値 |
|---|---|---|---|---|
| 3090 | DNZI | P1: [ ] mm |
No.3091:U型レベル計
| 機能コード | 反転シンボルNo. | INPL/INIL | MNC | スケールデフォルト値 |
|---|---|---|---|---|
| 3091 | ULI | P1: [ ] mm |
No.3092:L型レベル計
| 機能コード | 反転シンボルNo. | INPL/INIL | MNC | スケールデフォルト値 |
|---|---|---|---|---|
| 3092 | LLI | P1: [ ] mm |
No.3093:レベルゲージ
| 機能コード | 反転シンボルNo. | INPL/INIL | MNC | スケールデフォルト値 |
|---|---|---|---|---|
| 3093 | ULG | P1: [ ] mm |
No.3094:ダミー半バルブ
| 機能コード | 反転シンボルNo. | INPL/INIL | MNC | スケールデフォルト値 |
|---|---|---|---|---|
| 3094 | INPL | DHVL | P1: [ ] mm |
No.3095:pH計
| 機能コード | 反転シンボルNo. | INPL/INIL | MNC | スケールデフォルト値 |
|---|---|---|---|---|
| 3095 | LPH | P1: [ ] mm |
No.3096:同径計装品
| 機能コード | 反転シンボルNo. | INPL/INIL | MNC | スケールデフォルト値 |
|---|---|---|---|---|
| 3096 | SSIN | P1: [ ] mm |
No.3097:同心計装品
| 機能コード | 反転シンボルNo. | INPL/INIL | MNC | スケールデフォルト値 |
|---|---|---|---|---|
| 3097 | SCIN | P1: [ ] mm |
No.3098:偏心計装品
| 機能コード | 反転シンボルNo. | INPL/INIL | MNC | スケールデフォルト値 |
|---|---|---|---|---|
| 3098 | SEIN | P1: [ ] mm |
No.3099:曲り計装品
| 機能コード | 反転シンボルNo. | INPL/INIL | MNC | スケールデフォルト値 |
|---|---|---|---|---|
| 3099 | C.IN | P1: [ ] mm |
No.3100:分岐計装品
| 機能コード | 反転シンボルNo. | INPL/INIL | MNC | スケールデフォルト値 |
|---|---|---|---|---|
| 3100 | B.IN | P1: [ ] mm |
No.3101:オリフィス廻り フランジタップ伝送
| 機能コード | 反転シンボルNo. | INPL/INIL | MNC | スケールデフォルト値 |
|---|---|---|---|---|
| 3101 | INPL | ORIF | P1: [ 8 ] mm |
No.3102:オリフィス廻り パイプタップ伝送
| 機能コード | 反転シンボルNo. | INPL/INIL | MNC | スケールデフォルト値 |
|---|---|---|---|---|
| 3101 | INPL | ORIF | P1: [ 8 ] mm |
No.3103:オリフィス廻り フランジタップ現場
| 機能コード | 反転シンボルNo. | INPL/INIL | MNC | スケールデフォルト値 |
|---|---|---|---|---|
| 3101 | INPL | ORIF | P1: [ 8 ] mm |
No.3104:オリフィス廻り パイプタップ現場
| 機能コード | 反転シンボルNo. | INPL/INIL | MNC | スケールデフォルト値 |
|---|---|---|---|---|
| 3101 | INPL | ORIF | P1: [ 8 ] mm |
No.3105:過流量計
| 機能コード | 反転シンボルNo. | INPL/INIL | MNC | スケールデフォルト値 |
|---|---|---|---|---|
| 3105 | INPL | KV.F | P1: [ 6 ] mm |
No.3106:超音波式流量計
| 機能コード | 反転シンボルNo. | INPL/INIL | MNC | スケールデフォルト値 |
|---|---|---|---|---|
| 3106 | 3168 | INPL | US.F | P1: [ 6 ] mm |
No.3107:スイッチ
| 機能コード | 反転シンボルNo. | INPL/INIL | MNC | スケールデフォルト値 |
|---|---|---|---|---|
| 3025 | INIL | SWIT | P1: [ 5 ] mm |
No.3108:サイフォン管
| 機能コード | 反転シンボルNo. | INPL/INIL | MNC | スケールデフォルト値 |
|---|---|---|---|---|
| 3108 | SYPH | P1: [ 6 ] mm |
No.3109:質量流量計
| 機能コード | 反転シンボルNo. | INPL/INIL | MNC | スケールデフォルト値 |
|---|---|---|---|---|
| 3109 | INPL | MS.F | P1: [ 6 ] mm |
No.3111:CPUシステム
| 機能コード | 反転シンボルNo. | INPL/INIL | MNC | スケールデフォルト値 |
|---|---|---|---|---|
| 3111 | CPU | P1: [ 11 ] mm |
No.3112:デジタル計装制御
| 機能コード | 反転シンボルNo. | INPL/INIL | MNC | スケールデフォルト値 |
|---|---|---|---|---|
| 3112 | DIGI | P1: [ 11 ] mm |
No.3113:インターロック
| 機能コード | 反転シンボルNo. | INPL/INIL | MNC | スケールデフォルト値 |
|---|---|---|---|---|
| 3113 | INTE | P1: [ 11 ] mm |
No.3115:三方切換弁(CTB B下)
| 機能コード | 反転シンボルNo. | INPL/INIL | MNC | スケールデフォルト値 |
|---|---|---|---|---|
| 3031 | INPL | 3WCT | P1: [ 6 ] mm |
No.3116:三方切換弁(CBT B下)
| 機能コード | 反転シンボルNo. | INPL/INIL | MNC | スケールデフォルト値 |
|---|---|---|---|---|
| 3031 | INPL | 3WCB | P1: [ 6 ] mm |
No.3117:三方調節弁(CTB B上)
| 機能コード | 反転シンボルNo. | INPL/INIL | MNC | スケールデフォルト値 |
|---|---|---|---|---|
| 3032 | INPL | 3DCT | P1: [ 6 ] mm |
No.3118:三方調節弁(CBT B上)
| 機能コード | 反転シンボルNo. | INPL/INIL | MNC | スケールデフォルト値 |
|---|---|---|---|---|
| 3032 | INPL | 3DCB | P1: [ 6 ] mm |
No.3120:マルチ計装品
| 機能コード | 反転シンボルNo. | INPL/INIL | MNC | スケールデフォルト値 |
|---|---|---|---|---|
| 3120 | M.IN | P1: [ ] mm |
No.3121:モータ式ゲート弁
| 機能コード | 反転シンボルNo. | INPL/INIL | MNC | スケールデフォルト値 |
|---|---|---|---|---|
| 3121 | M.GA | P1: [ ] mm |
No.3122:モータ式グローブ弁
| 機能コード | 反転シンボルNo. | INPL/INIL | MNC | スケールデフォルト値 |
|---|---|---|---|---|
| 3122 | M.GL | P1: [ ] mm |
No.3123:L型オートバルブ
| 機能コード | 反転シンボルNo. | INPL/INIL | MNC | スケールデフォルト値 |
|---|---|---|---|---|
| 3123 | L.AV | P1: [ ] mm |
No.3124:F型オートバルブ
| 機能コード | 反転シンボルNo. | INPL/INIL | MNC | スケールデフォルト値 |
|---|---|---|---|---|
| 3124 | F.AV | P1: [ ] mm |
No.3125:ダミーF型バルブ
| 機能コード | 反転シンボルNo. | INPL/INIL | MNC | スケールデフォルト値 |
|---|---|---|---|---|
| 3125 | DMFV | P1: [ ] mm |
No.3130:濃度計(V9.20予定)
| 機能コード | 反転シンボルNo. | INPL/INIL | MNC | スケールデフォルト値 |
|---|---|---|---|---|
| INPL | CT | P1: [ ] mm |
No.3160:一般計器
| 機能コード | 反転シンボルNo. | INPL/INIL | MNC | スケールデフォルト値 |
|---|---|---|---|---|
| 3160 | INST | P1: [ 14 ] mm |
No.3162:デジタル計装制御
| 機能コード | 反転シンボルNo. | INPL/INIL | MNC | スケールデフォルト値 |
|---|---|---|---|---|
| 3162 | DIGI | P1: [ 14 ] mm |
No.3163:デジタル
| 機能コード | 反転シンボルNo. | INPL/INIL | MNC | スケールデフォルト値 |
|---|---|---|---|---|
| 3163 | DIGI | P1: [ 14 ] mm |
No.3164:直進ロータメーター
| 機能コード | 反転シンボルNo. | INPL/INIL | MNC | スケールデフォルト値 |
|---|---|---|---|---|
| 3006 | INPL | ROTO | P1: [ 16 ] mm |
No.3165:(計装)バタフライ弁
| 機能コード | 反転シンボルNo. | INPL/INIL | MNC | スケールデフォルト値 |
|---|---|---|---|---|
| 3015 | INPL | BU.V | P1: [ 6 ] mm |
No.3166:ベンチュリ
| 機能コード | 反転シンボルNo. | INPL/INIL | MNC | スケールデフォルト値 |
|---|---|---|---|---|
| 3022 | INPL | VNTU | P1: [ 8 ] mm |
No.3167:フローノズル
| 機能コード | 反転シンボルNo. | INPL/INIL | MNC | スケールデフォルト値 |
|---|---|---|---|---|
| 3086 | INPL | FLNZ | P1: [ 6 ] mm |
No.3168:超音波式流量計
| 機能コード | 反転シンボルNo. | INPL/INIL | MNC | スケールデフォルト値 |
|---|---|---|---|---|
| 3106 | INPL | US.F | P1: [ 6 ] mm |
No.3169:スキップ(計装ライン用)
| 機能コード | 反転シンボルNo. | INPL/INIL | MNC | スケールデフォルト値 |
|---|---|---|---|---|
| 0 | P1: [ 6 ] mm |
No.3170:60°計装タンク弁
| 機能コード | 反転シンボルNo. | INPL/INIL | MNC | スケールデフォルト値 |
|---|---|---|---|---|
| 3161 | 3171 | INPL | IT60 | P1: [ 6 ] mm |
No.3171:60°計装タンク弁
| 機能コード | 反転シンボルNo. | INPL/INIL | MNC | スケールデフォルト値 |
|---|---|---|---|---|
| 3161 | 3170 | INPL | IT60 | P1: [ 6 ] mm |
計装用図形(計装付属品)
計装品シンボルは、3D(EYEPIPE)と一部異なり、配管上に載らないパネル計器等も含まれています。以下の記号で表示されています。
説明
- シンボル図形の寸法数値は、P1のパラメータ値の係数です。
No.3201:付属伝送器
| 機能コード | 反転シンボルNo. | MNC | スケールデフォルト値 |
|---|---|---|---|
| 3201 | ACC | P1: [ 4 ] mm |
No.3202:ダイヤフラム式
| 機能コード | 反転シンボルNo. | MNC | スケールデフォルト値 |
|---|---|---|---|
| 3202 | DIAP | P1: [ 6 ] mm |
No.3203:ダイヤフラム式(圧力バランス)
| 機能コード | 反転シンボルNo. | MNC | スケールデフォルト値 |
|---|---|---|---|
| 3202 | DIAP | P1: [ 6 ] mm |
No.3204:電動式
| 機能コード | 反転シンボルNo. | MNC | スケールデフォルト値 |
|---|---|---|---|
| 3204 | ELEC | P1: [ 6 ] mm |
No.3205:電磁式
| 機能コード | 反転シンボルNo. | MNC | スケールデフォルト値 |
|---|---|---|---|
| 3205 | SOLE | P1: [ 6 ] mm |
No.3206:ピストン式
| 機能コード | 反転シンボルNo. | MNC | スケールデフォルト値 |
|---|---|---|---|
| 3206 | PIST | P1: [ 6 ] mm |
No.3207:手動式
| 機能コード | 反転シンボルNo. | MNC | スケールデフォルト値 |
|---|---|---|---|
| 3207 | HAND | P1: [ 6 ] mm |
No.3208:弁サイドハンドル(右)
| 機能コード | 反転シンボルNo. | MNC | スケールデフォルト値 |
|---|---|---|---|
| 3208 | 3209 | V._S | P1: [ 6 ] mm |
No.3209:弁サイドハンドル(左)
| 機能コード | 反転シンボルNo. | MNC | スケールデフォルト値 |
|---|---|---|---|
| 3208 | 3208 | V._S | P1: [ 6 ] mm |
No.3210:弁トップハンドル
| 機能コード | 反転シンボルNo. | MNC | スケールデフォルト値 |
|---|---|---|---|
| 3210 | V._T | P1: [ 6 ] mm |
No.3211:弁ポジショナ(右)
| 機能コード | 反転シンボルNo. | MNC | スケールデフォルト値 |
|---|---|---|---|
| 3211 | 3212 | V._P | P1: [ 6 ] mm |
No.3212:弁ポジショナ(左)
| 機能コード | 反転シンボルNo. | MNC | スケールデフォルト値 |
|---|---|---|---|
| 3211 | 3211 | V._P | P1: [ 6 ] mm |
No.3213:弁リミットスイッチ(右)
| 機能コード | 反転シンボルNo. | MNC | スケールデフォルト値 |
|---|---|---|---|
| 3213 | 3214 | V._L | P1: [ 6 ] mm |
No.3214:弁リミットスイッチ(左)
| 機能コード | 反転シンボルNo. | MNC | スケールデフォルト値 |
|---|---|---|---|
| 3213 | 3213 | V._L | P1: [ 6 ] mm |
No.3215:弁開度伝送器(右)
| 機能コード | 反転シンボルNo. | MNC | スケールデフォルト値 |
|---|---|---|---|
| 3215 | 3216 | V.O. | P1: [ 6 ] mm |
No.3216:弁開度伝送器(左)
| 機能コード | 反転シンボルNo. | MNC | スケールデフォルト値 |
|---|---|---|---|
| 3215 | 3215 | V.O. | P1: [ 6 ] mm |
No.3217:モータ式駆動部
| 機能コード | 反転シンボルNo. | MNC | スケールデフォルト値 |
|---|---|---|---|
| 3217 | MOTO | P1: [ 6 ] mm |
No.3218:弁フランジ端表示
| 機能コード | 反転シンボルNo. | MNC | スケールデフォルト値 |
|---|---|---|---|
| 3218 | V._F | P1: [ 8 ] mm |
No.3219:片フランジ端表示(左)
| 機能コード | 反転シンボルNo. | MNC | スケールデフォルト値 |
|---|---|---|---|
| 3219 | B._F | P1: [ 6 ] mm |
No.3220:片フランジ端表示(右)
| 機能コード | 反転シンボルNo. | MNC | スケールデフォルト値 |
|---|---|---|---|
| 3219 | B._F | P1: [ 6 ] mm |
No.3221:圧力式駆動部
| 機能コード | 反転シンボルNo. | MNC | スケールデフォルト値 |
|---|---|---|---|
| 3221 | PRES | P1: [ 6 ] mm |
No.3222:空気圧式駆動部
| 機能コード | 反転シンボルNo. | MNC | スケールデフォルト値 |
|---|---|---|---|
| 3222 | AIR_ | P1: [ 6 ] mm |
No.3223:モータ式駆動部
| 機能コード | 反転シンボルNo. | MNC | スケールデフォルト値 |
|---|---|---|---|
| 3223 | MOTO | P1: [ 6 ] mm |
No.3224:速度式駆動部
| 機能コード | 反転シンボルNo. | MNC | スケールデフォルト値 |
|---|---|---|---|
| 3224 | SPEE | P1: [ 6 ] mm |
No.3225:手動式駆動部
| 機能コード | 反転シンボルNo. | MNC | スケールデフォルト値 |
|---|---|---|---|
| 3225 | HAND | P1: [ 6 ] mm |
No.3231:機器室設置
| 機能コード | 反転シンボルNo. | MNC | スケールデフォルト値 |
|---|---|---|---|
| 3231 | PRIM | P1: [ 11 ] mm |
No.3232:パネル裏設置
| 機能コード | 反転シンボルNo. | MNC | スケールデフォルト値 |
|---|---|---|---|
| 3232 | BEHI | P1: [ 11 ] mm |
No.3233:現場計器盤設置
| 機能コード | 反転シンボルNo. | MNC | スケールデフォルト値 |
|---|---|---|---|
| 3233 | AUXI | P1: [ 11 ] mm |
No.3234:ジャケット(上下)
| 機能コード | 反転シンボルNo. | MNC | スケールデフォルト値 |
|---|---|---|---|
| 3234 | V.JA | P1: [ 6 ] mm |
No.3235:ジャケット(上 左右下)
| 機能コード | 反転シンボルNo. | MNC | スケールデフォルト値 |
|---|---|---|---|
| 3234 | V.JA | P1: [ 6 ] mm |
No.3236:ジャケット(左右上下)
| 機能コード | 反転シンボルNo. | MNC | スケールデフォルト値 |
|---|---|---|---|
| 3234 | V.JA | P1: [ 6 ] mm |
No.3237:ジャケット(上左(上右))
| 機能コード | 反転シンボルNo. | MNC | スケールデフォルト値 |
|---|---|---|---|
| 3234 | 3242 | V.JA | P1: [ 6 ] mm |
No.3238:セミジャケット(上下)
| 機能コード | 反転シンボルNo. | MNC | スケールデフォルト値 |
|---|---|---|---|
| 3238 | V.SE | P1: [ 6 ] mm |
No.3239:セミジャケット(上 左右下)
| 機能コード | 反転シンボルNo. | MNC | スケールデフォルト値 |
|---|---|---|---|
| 3238 | V.SE | P1: [ 6 ] mm |
No.3240:セミジャケット(左右上下)
| 機能コード | 反転シンボルNo. | MNC | スケールデフォルト値 |
|---|---|---|---|
| 3238 | V.SE | P1: [ 6 ] mm |
No.3241:セミジャケット(上左(上右))
| 機能コード | 反転シンボルNo. | MNC | スケールデフォルト値 |
|---|---|---|---|
| 3238 | 3243 | V.SE | 反転図形:3243 P1: [ 6 ] mm |
No.3242:ジャケット(上右)
| 機能コード | 反転シンボルNo. | MNC | スケールデフォルト値 |
|---|---|---|---|
| 3234 | 3237 | V.JA | P1: [ 6 ] mm |
No.3243:セミジャケット(上右)
| 機能コード | 反転シンボルNo. | MNC | スケールデフォルト値 |
|---|---|---|---|
| 3238 | 3241 | V.SE | P1: [ 6 ] mm |
No.3244:油圧式駆動部
| 機能コード | 反転シンボルNo. | MNC | スケールデフォルト値 |
|---|---|---|---|
| 3244 | OIL_ | P1: [ 6 ] mm |
No.3245:電油式駆動部
| 機能コード | 反転シンボルNo. | MNC | スケールデフォルト値 |
|---|---|---|---|
| 3245 | EH_A | P1: [ 6 ] mm |
No.3301:オリフィス付仕切弁
| 機能コード | 反転シンボルNo. | MNC | スケールデフォルト値 |
|---|---|---|---|
| 3301 | ORI. | P1: [ 8 ] mm |
No.3302:オリフィス付玉形弁
| 機能コード | 反転シンボルNo. | MNC | スケールデフォルト値 |
|---|---|---|---|
| 3302 | ORI. | P1: [ 8 ] mm |
No.3303:オリフィス付ボール弁
| 機能コード | 反転シンボルNo. | MNC | スケールデフォルト値 |
|---|---|---|---|
| 3303 | ORI. | P1: [ 8 ] mm |
No.3304:オリフィス付ダイヤ弁 M型
| 機能コード | 反転シンボルNo. | MNC | スケールデフォルト値 |
|---|---|---|---|
| 3304 | ORI. | P1: [ 8 ] mm |
No.3305:オリフィス付ダイヤ弁 扇型
| 機能コード | 反転シンボルNo. | MNC | スケールデフォルト値 |
|---|---|---|---|
| 3305 | ORI. | P1: [ 8 ] mm |
No.3401:風船記号
| 機能コード | 反転シンボルNo. | MNC | スケールデフォルト値 |
|---|---|---|---|
| 3401 | TAG_ | P1: [ 11 ] mm |

