1605 一般機器図形
ここでは一般機器図形のシンボルを一覧で確認できます。
説明
- シンボル一覧の構成は以下のとおりです。

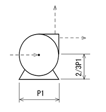
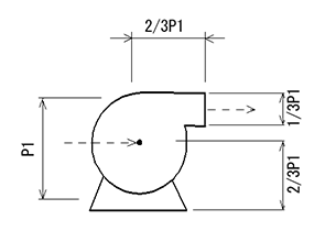
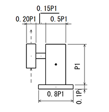
No.1001:遠心ポンプ(右吐出)
-
パラメータ数:1
パラメータ 基準値 P1:SCALE 12 P2: P3: P4: -
ノズル自動発生:OFF
No.1002:遠心ポンプ(左吐出)
-
パラメータ数:1
パラメータ 基準値 P1:SCALE 12 P2: P3: P4: -
ノズル自動発生:OFF
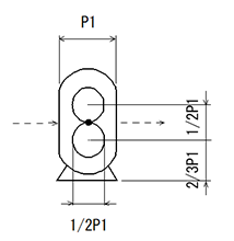
No.1003:往復動ポンプ(一連)
-
パラメータ数:1
パラメータ 基準値 P1:SCALE 12 P2: P3: P4: -
ノズル自動発生:OFF
No.1004:往復動ポンプ(二連両)
-
パラメータ数:1
パラメータ 基準値 P1:SCALE 12 P2: P3: P4: -
ノズル自動発生:OFF
No.1005:往復動ポンプ(二連片)
-
パラメータ数:1
パラメータ 基準値 P1:SCALE 12 P2: P3: P4: -
ノズル自動発生:OFF
No.1006:往復動ポンプ(三連片)
-
パラメータ数:1
パラメータ 基準値 P1:SCALE 12 P2: P3: P4: -
ノズル自動発生:OFF
No.1007:ギヤポンプ(縦型)
-
パラメータ数:1
パラメータ 基準値 P1:SCALE 12 P2: P3: P4: -
ノズル自動発生:OFF
No.1008:ギヤポンプ(横型)
-
パラメータ数:1
パラメータ 基準値 P1:SCALE 12 P2: P3: P4: -
ノズル自動発生:OFF
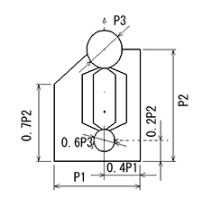
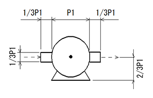
No.1009:真空ポンプ
-
パラメータ数:1
パラメータ 基準値 P1:SCALE 12 P2: P3: P4: -
ノズル自動発生:OFF
No.1010:ラインポンプ
-
パラメータ数:1
パラメータ 基準値 P1:SCALE 12 P2: P3: P4: -
ノズル自動発生:OFF
No.1011:スネークポンプ
-
パラメータ数:1
パラメータ 基準値 P1:SCALE 30 P2: P3: P4: -
ノズル自動発生:OFF
No.1012:スクリューポンプ
-
パラメータ数:1
パラメータ 基準値 P1:SCALE 30 P2: P3: P4: -
ノズル自動発生:OFF
No.1013:エアードポンプ
-
パラメータ数:4
パラメータ 基準値 P1:WIDTH 5 P2:HEIGHT 12 P3:B-WIDTH 7 P4:RADIUS 10 -
ノズル自動発生:OFF
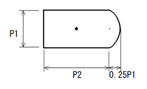
No.1014:ポンプ
-
パラメータ数:1
パラメータ 基準値 P1:SCALE 12 P2: P3: P4: -
ノズル自動発生:OFF
No.1051:遠心式圧縮機
-
パラメータ数:1
パラメータ 基準値 P1:SCALE 12 P2: P3: P4: -
ノズル自動発生:OFF
No.1052:往復動式圧縮機
-
パラメータ数:1
パラメータ 基準値 P1:SCALE 12 P2: P3: P4: -
ノズル自動発生:OFF
No.1053:ファン(1)
-
パラメータ数:1
パラメータ 基準値 P1:SCALE 12 P2: P3: P4: -
ノズル自動発生:OFF
No.1054:ファン(2)
-
パラメータ数:1
パラメータ 基準値 P1:SCALE 12 P2: P3: P4: -
ノズル自動発生:OFF
No.1055:ルーツ・ブロワ
-
パラメータ数:1
パラメータ 基準値 P1:SCALE 12 P2: P3: P4: -
ノズル自動発生:OFF
No.1056:ファン
-
パラメータ数:1
パラメータ 基準値 P1:SCALE 12 P2: P3: P4: -
ノズル自動発生:OFF
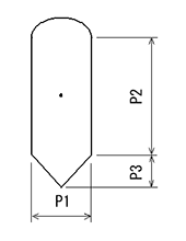
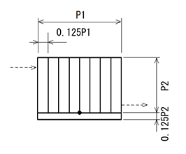
No.1101:固定管板式熱交換器(横型)
-
パラメータ数:2
パラメータ 基準値 P1:DIA 20 P2:LENGTH 40 P3: P4: -
ノズル自動発生:ON
No.1102:固定管板式熱交換器(縦型)
-
パラメータ数:2
パラメータ 基準値 P1:DIA 20 P2:LENGTH 40 P3: P4: -
ノズル自動発生:ON
No.1103:固定管板式熱交換器(角頭型)
-
パラメータ数:2
パラメータ 基準値 P1:DIA 20 P2:LENGTH 40 P3: P4: -
ノズル自動発生:ON
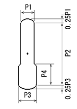
No.1104:遊動頭式熱交換器
-
パラメータ数:3
パラメータ 基準値 P1:DIA 20 P2:LENGTH 60 P3:HEAD 24 P4: -
ノズル自動発生:ON
No.1105:Uチューブ式熱交換器
-
パラメータ数:2
パラメータ 基準値 P1:DIA 20 P2:LENGTH 50 P3: P4: -
ノズル自動発生:ON
No.1106:ケトル式熱交換器
-
パラメータ数:3
パラメータ 基準値 P1:DIA 20 P2:LENGTH 70 P3:KETTLE 28 P4: -
ノズル自動発生:ON
No.1107:固定管板式熱交換器(液留め付)
-
パラメータ数:3
パラメータ 基準値 P1:DIA 20 P2:LENGTH 50 P3:SUMP 8 P4: -
ノズル自動発生:ON
No.1108:熱交換器(簡略表現)
-
パラメータ数:1
パラメータ 基準値 P1:SCALE 16 P2: P3: P4: -
ノズル自動発生:OFF
No.1109:熱交換器(シェル)
-
パラメータ数:2
パラメータ 基準値 P1:DIA 20 P2:LENGTH 40 P3: P4: -
ノズル自動発生:ON
No.1110:熱交換器(シェル)
-
パラメータ数:2
パラメータ 基準値 P1:DIA 20 P2:LENGTH 50 P3: P4: -
ノズル自動発生:ON
No.1111:熱交換器(シェル)
-
パラメータ数:4
パラメータ 基準値 P1:DIA 20 P2:LENGTH 70 P3:KETTLE 28 P4:BLENGTH 20 -
ノズル自動発生:ON
No.1112:熱交換器(シェル)
-
パラメータ数:4
パラメータ 基準値 P1:DIA 20 P2:LENGTH 50 P3:SUMPPOS 8 P4:SUMPWTD 10 -
ノズル自動発生:ON
No.1113:熱交換器(簡略表現)
-
パラメータ数:1
パラメータ 基準値 P1:SCALE 16 P2: P3: P4: -
ノズル自動発生:OFF
No.1151:二重管式熱交換器(同方向)
-
パラメータ数:2
パラメータ 基準値 P1:DIA 4 P2:LENGTH 30 P3: P4: -
ノズル自動発生:ON
No.1152:二重管式熱交換器(異方向)
-
パラメータ数:2
パラメータ 基準値 P1:DIA 4 P2:LENGTH 30 P3: P4: -
ノズル自動発生:ON
No.1153:エアーフィンクーラー
-
パラメータ数:2
パラメータ 基準値 P1:HEIGHT 25 P2:WIDTH 30 P3: P4: -
ノズル自動発生:ON
No.1154:フィンチューブ式熱交換器
-
パラメータ数:2
パラメータ 基準値 P1:HEIGHT 15 P2:WIDTH 10 P3: P4: -
ノズル自動発生:ON
No.1155:プレート式熱交換器
-
パラメータ数:2
パラメータ 基準値 P1:HEIGHT 18 P2:WIDTH 16 P3: P4: -
ノズル自動発生:ON
No.1156:スパイラル式熱交換器
-
パラメータ数:2
パラメータ 基準値 P1:HEIGHT 20 P2:WIDTH 16 P3: P4: -
ノズル自動発生:ON
No.1157:コイル・クーラー
-
パラメータ数:2
パラメータ 基準値 P1:HEIGHT 40 P2:WIDTH 30 P3: P4: -
ノズル自動発生:OFF
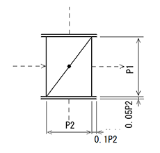
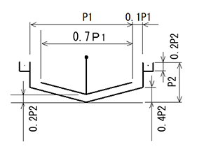
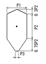
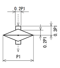
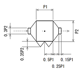
No.1201:コーンルーフ型貯槽
-
パラメータ数:2
パラメータ 基準値 P1:WIDTH 60 P2:HEIGHT 40 P3: P4: -
ノズル自動発生:ON
No.1202:ドームルーフ型貯槽
-
パラメータ数:2
パラメータ 基準値 P1:WIDTH 60 P2:HEIGH 40 P3: P4: -
ノズル自動発生:ON
No.1203:開放貯槽
-
パラメータ数:2
パラメータ 基準値 P1:WIDTH 60 P2:HEIGHT 40 P3: P4: -
ノズル自動発生:ON
No.1204:球形貯槽
-
パラメータ数:2
パラメータ 基準値 P1:WIDTH 50 P2:HEIGHT 60 P3: P4: -
ノズル自動発生:ON
No.1205:横型円筒槽(一般)
-
パラメータ数:2
パラメータ 基準値 P1:DIA 30 P2:LENGTH 50 P3: P4: -
ノズル自動発生:ON
No.1206:縦型円筒槽(一般)
-
パラメータ数:2
パラメータ 基準値 P1:DIA 30 P2:LENGTH 50 P3: P4: -
ノズル自動発生:ON
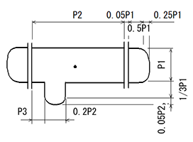
No.1207:横型円筒槽(液留め付)
-
パラメータ数:3
パラメータ 基準値 P1:WIDTH 30 P2:HEIGHT 50 P3:SUMP 10 P4: -
ノズル自動発生:ON
No.1208:角型槽
-
パラメータ数:2
パラメータ 基準値 P1:WIDTH 60 P2:HEIGHT 40 P3: P4: -
ノズル自動発生:ON
No.1209:縦型円筒槽(平屋根平底)
-
パラメータ数:2
パラメータ 基準値 P1:DIA 30 P2:LENGTH 50 P3: P4: -
ノズル自動発生:ON
No.1210:縦型円筒槽(平屋根丸底)
-
パラメータ数:2
パラメータ 基準値 P1:DIA 30 P2:LENGTH 50 P3: P4: -
ノズル自動発生:ON
No.1211:縦型円筒槽(平屋根円錐底)
-
パラメータ数:2
パラメータ 基準値 P1:DIA 30 P2:LENGTH 50 P3: P4: -
ノズル自動発生:ON
No.1212:縦型円筒槽(丸屋根円錐底)
-
パラメータ数:2
パラメータ 基準値 P1:DIA 30 P2:LENGTH 50 P3: P4: -
ノズル自動発生:ON
No.1213:縦型円筒槽(平屋根円錐底)(3パラメータ)
-
パラメータ数:3
パラメータ 基準値 P1:DIA 30 P2:S-HEIGHT 50 P3:C-HEIGHT 20 P4: -
ノズル自動発生:ON
No.1214:縦型円筒槽(丸屋根円錐底)(3パラメータ)
-
パラメータ数:3
パラメータ 基準値 P1:DIA 30 P2:S-HEIGHT 50 P3:C-HEIGHT 20 P4: -
ノズル自動発生:ON
No.1215:コーンルーフ型貯槽
-
パラメータ数:3
パラメータ 基準値 P1:DIA 60 P2:S-HEIGHT 40 P3:C-HEIGHT 10 P4: -
ノズル自動発生:ON
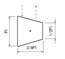
No.1251:タワー(標準型)
-
パラメータ数:2
パラメータ 基準値 P1:DIA 10 P2:HEIGHT 60 P3: P4: -
ノズル自動発生:ON
No.1252:タワー(下部太型)
-
パラメータ数:4
パラメータ 基準値 P1:DIA 10 P2:HEIGHT 60 P3:B-DIA 14 P4:B-HEIGHT 20 -
ノズル自動発生:ON
No.1253:タワー(上部太型)
-
パラメータ数:4
パラメータ 基準値 P1:DIA 10 P2:HEIGHT 60 P3:T-DIA 14 P4:T-HEIGHT 20 -
ノズル自動発生:ON
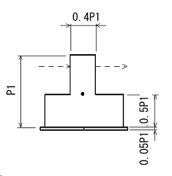
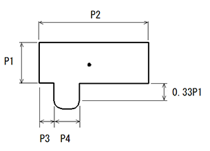
No.1301:ホッパ
-
パラメータ数:3
パラメータ 基準値 P1:WIDTH 40 P2:HEIGHT 40 P3:FLANGE 6 P4: -
ノズル自動発生:ON
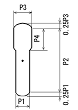
No.1302:ロータリーバルブ
-
パラメータ数:1
パラメータ 基準値 P1:FLANGE 6 P2: P3: P4: -
ノズル自動発生:OFF
No.1303:サイロ
-
パラメータ数:3
パラメータ 基準値 P1:WIDTH 40 P2:HEIGHT 40 P3:FLANGE 6 P4: -
ノズル自動発生:ON
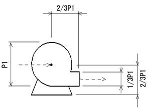
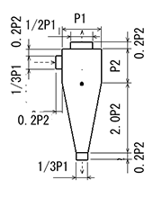
No.1304:サイクロン
-
パラメータ数:2
パラメータ 基準値 P1:DIA 12 P2:HEIGHT 10 P3: P4: -
ノズル自動発生:ON
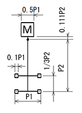
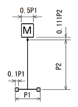
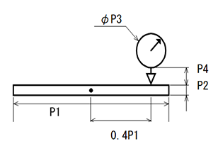
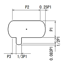
No.1305:計量器
-
パラメータ数:4
パラメータ 基準値 P1:WIDTH 70 P2:HEIGHT 3 P3:GAGE-DIA 10 P4:G-HEIGHT 7 -
ノズル自動発生:ON
No.1331:バッグフィルター
-
パラメータ数:2
パラメータ 基準値 P1:DIA 16 P2:HEIGHT 16 P3: P4: -
ノズル自動発生:ON
No.1332:エアーフィルター
-
パラメータ数:1
パラメータ 基準値 P1:SCALE 20 P2: P3: P4: -
ノズル自動発生:ON
No.1333:フィルター
-
パラメータ数:1
パラメータ 基準値 P1:SCALE 20 P2: P3: P4: -
ノズル自動発生:ON
No.1334:電気集塵機
-
パラメータ数:2
パラメータ 基準値 P1:LENGTH 20 P2:HEIGHT 20 P3: P4: -
ノズル自動発生:ON
No.1335:ドラムフィルター
-
パラメータ数:1
パラメータ 基準値 P1:SCALE 12 P2: P3: P4: -
ノズル自動発生:ON
No.1336:フィルタープレス
-
パラメータ数:2
パラメータ 基準値 P1:LENGTH 24 P2:HEIGHT 16 P3: P4: -
ノズル自動発生:ON
No.1351:シックナ
-
パラメータ数:2
パラメータ 基準値 P1:DIA 40 P2:HEIGHT 15 P3: P4: -
ノズル自動発生:ON
No.1352:重力沈降式分離器
-
パラメータ数:2
パラメータ 基準値 P1:LENGTH 24 P2:HEIGHT 15 P3: P4: -
ノズル自動発生:ON
No.1353:かご型遠心分離器
-
パラメータ数:2
パラメータ 基準値 P1:DIA 24 P2:HEIGHT 15 P3: P4: -
ノズル自動発生:ON
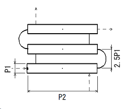
No.1401:コンベヤ(バケット型)
-
パラメータ数:2
パラメータ 基準値 P1:LENGTH 50 P2:WIDTH 8 P3: P4: -
ノズル自動発生:OFF
No.1402:コンベヤ(ベルト型)
-
パラメータ数:2
パラメータ 基準値 P1:LENGTH 50 P2:WIDTH 6 P3: P4: -
ノズル自動発生:OFF
No.1403:コンベヤ(スクリュー型)
-
パラメータ数:2
パラメータ 基準値 P1:LENGTH 50 P2:WIDTH 6 P3: P4: -
ノズル自動発生:OFF
No.1404:コンベヤ(フロー型)
-
パラメータ数:2
パラメータ 基準値 P1:LENGTH 50 P2:WIDTH 6 P3: P4: -
ノズル自動発生:OFF
No.1405:コンベヤ(ローラ型)
-
パラメータ数:2
パラメータ 基準値 P1:LENGTH 50 P2:WIDTH 4 P3: P4: -
ノズル自動発生:OFF
No.1406:ホイスト・レール
-
パラメータ数:3
パラメータ 基準値 P1:LENGTH 50 P2:WIDTH 6 P3:HEIGHT 22 P4: -
ノズル自動発生:OFF
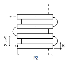
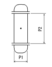
No.1407:ロール(一般)
-
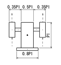
パラメータ数:2
パラメータ 基準値 P1:T-DIA 12 P2:B-DIA 12 P3: P4: -
ノズル自動発生:OFF
No.1408:ロール(単独)
-
パラメータ数:1
パラメータ 基準値 P1:SCALE 20 P2: P3: P4: -
ノズル自動発生:OFF
No.1409:三角表示
-
パラメータ数:2
パラメータ 基準値 P1:HEIGHT 20 P2:WIDTH 30 P3: P4: -
ノズル自動発生:OFF
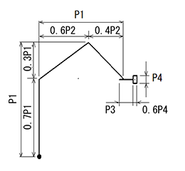
No.1410:ローディングアーム
-
パラメータ数:4
パラメータ 基準値 P1:HEIGHT 65 P2:WIDTH 50 P3:LENGTH 10 P4:B-DIA 5 -
ノズル自動発生:OFF
No.1501:エジェクタ(横型)
-
パラメータ数:2
パラメータ 基準値 P1:HEAD 7 P2:LENGTH 15 P3: P4: -
ノズル自動発生:ON
No.1502:エジェクタ(縦型)
-
パラメータ数:2
パラメータ 基準値 P1:HEAD 7 P2:LENGTH 15 P3: P4: -
ノズル自動発生:ON
No.1503:バロメトリックコンデンサ
-
パラメータ数:2
パラメータ 基準値 P1:DIA 12 P2:LENGTH 14 P3: P4: -
ノズル自動発生:ON
No.1504:シール タンク
-
パラメータ数:2
パラメータ 基準値 P1:WIDTH 20 P2:HEIGHT 15 P3: P4: -
ノズル自動発生:ON
No.1505:ボイラ
-
パラメータ数:3
パラメータ 基準値 P1:WIDTH 25 P2:HEIGHT 30 P3:DIA 10 P4: -
ノズル自動発生:ON
No.1506:加熱炉
-
パラメータ数:2
パラメータ 基準値 P1:WIDTH 16 P2:HEIGHT 40 P3: P4: -
ノズル自動発生:ON
No.1507:冷水塔
-
パラメータ数:2
パラメータ 基準値 P1:WIDTH 30 P2:HEIGHT 25 P3: P4: -
ノズル自動発生:ON
No.1508:タービン
-
パラメータ数:2
パラメータ 基準値 P1:DIA 16 P2:HEIGHT 20 P3: P4: -
ノズル自動発生:ON
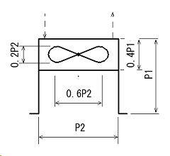
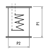
No.1509:スタティックミキサ(1)
-
パラメータ数:2
パラメータ 基準値 P1:LENGTH 30 P2:HEIGHT 6 P3: P4: -
ノズル自動発生:ON
No.1510:スタティックミキサ(2)
-
パラメータ数:2
パラメータ 基準値 P1:LENGTH 40 P2:HEIGHT 6 P3: P4: -
ノズル自動発生:ON
No.1511:煙突
-
パラメータ数:3
パラメータ 基準値 P1:HEIGHT 40 P2:B-DIA 10 P3:T-DIA 5 P4: -
ノズル自動発生:OFF
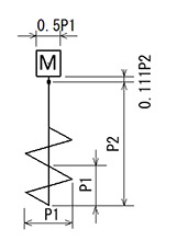
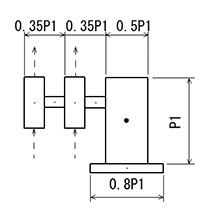
No.1601:撹拌機(単プロペラ型)
-
パラメータ数:2
パラメータ 基準値 P1:DIA 20 P2:LENGTH 45 P3: P4: -
ノズル自動発生:OFF
No.1602:撹拌機(複プロペラ型)
-
パラメータ数:2
パラメータ 基準値 P1:DIA 20 P2:LENGTH 45 P3: P4: -
ノズル自動発生:OFF
No.1603:撹拌機(単タービン型)
-
パラメータ数:2
パラメータ 基準値 P1:DIA 20 P2:LENGTH 45 P3: P4: -
ノズル自動発生:OFF
No.1604:撹拌機(複タービン型)
-
パラメータ数:2
パラメータ 基準値 P1:DIA 20 P2:LENGTH 45 P3: P4: -
ノズル自動発生:OFF
No.1605:撹拌機(アンカー型)
-
パラメータ数:2
パラメータ 基準値 P1:DIA 20 P2:LENGTH 45 P3: P4: -
ノズル自動発生:OFF
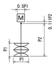
No.1606:撹拌機(パドル型)
-
パラメータ数:2
パラメータ 基準値 P1:DIA 20 P2:LENGTH 45 P3: P4: -
ノズル自動発生:OFF
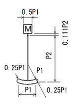
No.1607:撹拌機(スクリュー型)
-
パラメータ数:2
パラメータ 基準値 P1:DIA 12 P2:LENGTH 45 P3: P4: -
ノズル自動発生:OFF
No.1608:撹拌機(ヘリカル・リボン型)
-
パラメータ数:2
パラメータ 基準値 P1:DIA 20 P2:LENGTH 45 P3: P4: -
ノズル自動発生:OFF
No.1609:撹拌機(GLパドル型)
-
パラメータ数:2
パラメータ 基準値 P1:DIA 20 P2:LENGTH 45 P3: P4: -
ノズル自動発生:OFF
No.1610:撹拌機(GLアンカー型)
-
パラメータ数:2
パラメータ 基準値 P1:DIA 20 P2:LENGTH 45 P3: P4: -
ノズル自動発生:OFF
No.1611:撹拌機(角)*文字は任意で入力
-
パラメータ数:2
パラメータ 基準値 P1:DIA 10 P2:LENGTH 45 P3: P4: -
ノズル自動発生:OFF
No.1612:撹拌機(丸)*文字は任意で入力
-
パラメータ数:2
パラメータ 基準値 P1:DIA 10 P2:LENGTH 45 P3: P4: -
ノズル自動発生:OFF
