1611 計装線図形
計装線図形一覧
JIS Z8204-1983 表6(旧JIS)
| 電気配線 | MarkのPitchが長い | A-Type |
|---|---|---|
| 空気配管 | A-Type | |
| 油圧配管 | A-Type | |
| 細管 | A-Type | |
| 放射線 | A-Type | |
| 機械的結合、補助線 | A-Type |
| 電気配線 | MarkのPitchが短い | B-Type |
|---|---|---|
| 空気配管 | B-Type | |
| 油圧配管 | B-Type | |
| 細管 | B-Type | |
| 放射線 | B-Type |
JIS Z8204-1983 表5(新JIS)
| 信号(全般) | 全般 |
|---|---|
| 電気信号 | |
| 空気圧信号 | |
| 油圧信号 | |
| 細管 | |
| 導路がある放射 | 放射線、可視光線 |
| 内部結合 |
ISA 規格International Society of Automation(国際計測制御学会)
| HYDRARIC SIGNAL |
| INTERNAL SYSTEM LINK |
計装線図形
説明
- 計装線図形一覧の構成は以下のとおりです。

- 計装線図形の寸法数値は、mm単位実数です。
No.3901:電気配線(A type)
No.3902:空気配管(A type)
No.3903:油圧配管(A type)
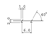
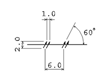
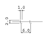
No.3904:細管(A type)
No.3905:放射線(A type)
No.3906:機械的結合、補助線(A type)
No.3907:電気配線(B type)
No.3908:空気配管(B type)
-
備考:A typeの3/4のMark大、Pitch
No.3909:油圧配管(B type)
-
備考:A typeの3/4のMark大、Pitch
No.3910:細管(B type)
-
備考:A typeの3/4のMark大、Pitch
No.3911:放射線(B type)
-
備考:A typeの3/4のMark大、Pitch
No.3912:信号(全般)
No.3913:電気信号
No.3914:空気圧信号
No.3915:油圧信号
No.3916:細管
No.3917:導路がある放射(放射線、可視光線)
No.3918:内部結合
No.3919:HYDRARIC SIGNAL(ISA)
No.3920:INTERNAL SYSTEM LINK(ISA)

