1609 一般弁図形
機能コードとシンボルNo.について
ほとんどのシンボルは、機能コードとシンボルNo.が一致しています。
左右非対称のシンボルは、鏡反転等のシンボルも持っています。この場合、1つの機能コードに2つ以上のシンボルNo.が割り当てられています。
この1つの機能コードに対するシンボルNo.はシステムとして‘BGSYBL’で設定されます。
各Jobでこの対応を変えたい場合、各Lu#内の‘JSYBL’で変更/追加できます。
変更可能な範囲は以下のとおりです。
| 機能コード範囲 | シンボルNo.範囲 | |||
|---|---|---|---|---|
| From | To | From | To | |
| 一般弁 | 2101 | 2120 | 2101 | 2199 |
| 配管付属品 (一般付属品) |
2201 | 2299 | 2201 2400 |
2299 2499 |
| 配管付属品 (アクセサリー) |
2301 | 2399 | 2301 | 2399 |
| 計装品 | 3001 | 3199 | 3001 | 3199 |
| 計装付属品 | 3201 | 3349 | 3201 | 3499 |
注意
-
機能名称(MNC)が<>で囲まれているものや、シンボル図形欄が空白のものは、3D(EYEPIPE)のみのコード、図形に使用されています。
-
機能シンボルの2001~2099、8001~8099の範囲のシンボルNo.は、ユーザー様でA(B)JFPAC、A(B)JFINSに追加、修正はできません。ただし、機能的意味が同様であればシンボル形状の変更はできます。
一般弁図形一覧
| 機能コード | シンボルNo. | 反転シンボルNo. | MNC | 日本語 | English |
|---|---|---|---|---|---|
| 2101 | 2101 | GATE | 仕切弁 | Gate Valve | |
| 2102 | 2102 | GLOB | 玉形弁 | Globe Valve | |
| 2103 | 2103 | 2153 | CHEC | 逆止弁 | Check Valve |
| 2104 | 2104 | NEED | ニ-ドル弁 | Needle Valve | |
| 2105 | 2105 | BALL | ボ-ル弁 | Ball Valve | |
| 2106 | 2106 | DIAP | ダイヤフラム弁 | Diaphragm Valve | |
| 2107 | 2107 | BELL | ベロ-弁 | Bellows Valve | |
| 2108 | 2108 | 2158 | BUTT | バタフライ弁 | Butterfly Valve |
| 2109 | 2109 | 2159 | Y.TY | Y形弁 | Y Type Valve |
| 2110 | 2110 | PIST | ピストン弁 | Piston Valve | |
| 2111 | 2111 | VACU | 真空弁 | Vacuum Globe Valve | |
| 2112 | 2112 | 2162 | COCK | コック | Cock |
| 2113 | 2113 | PINC | ピンチ弁 | Pinch Valve | |
| 2114 | 2114 | DISK | ディスク弁 | Disk Valve | |
| 2115 | 2115 | 2165 | L.CH | L形逆止弁 | Angle Check Valve |
| 2116 | 2116 | 2166 | L.GL | L形玉形弁 | Angle Globe Valve |
| 2117 | 2117 | 2167 | L.NE | L形ニ-ドル弁 | Angle Needle Valve |
| 2118 | 2118 | V.GA | 真空仕切弁 | Vacuum Gate Valve | |
| 2119 | 2119 | 2169 | PLUG | プラグ弁 | Plug Valve |
| 2120 | 2120 | S.CH | 止逆止弁 | Stop Check Valve | |
| 2103 | 2153 | CHEC | 逆止弁 | Check Valve | |
| 2108 | 2158 | BUTT | バタフライ弁 | Butterfly Valve | |
| 2109 | 2159 | Y.TY | Y形弁 | Y Type Valve | |
| 2112 | 2162 | COCK | コック | Cock | |
| 2115 | 2165 | L.CH | L形逆止弁 | Angle Check Valve | |
| 2116 | 2166 | L.NE | L形玉形弁 | Angle Globe Valve | |
| 2117 | 2167 | L.NE | L形ニ-ドル弁 | Angle Needle Valve | |
| 2168 | 真空仕切弁 | Vacuum Gate Valve | |||
| 2119 | 2169 | PLUG | プラグ弁 | Plug Valve | |
| 2103 | 2180 | 2182 | CHEC | 逆止弁 | Check Valve |
| 2106 | 2181 | DIAP | ダイヤフラム弁 | Diaphragm Valve | |
| 2103 | 2182 | CHEC | 逆止弁 | Check Valve |
一般弁図形
説明
- シンボル一覧の構成は以下のとおりです。

- シンボル図形の寸法数値は、P1のパラメータ値の係数です。
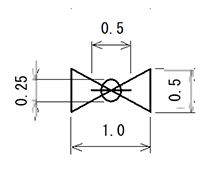
No.2101:仕切弁
| 機能コード | 反転シンボルNo. | MNC | スケールデフォルト値 |
|---|---|---|---|
| 2101 | GATE | P1: [ 6 ] mm |
No.2102:玉形弁
| 機能コード | 反転シンボルNo. | MNC | スケールデフォルト値 |
|---|---|---|---|
| 2102 | GLOB | P1: [ 6 ] mm |
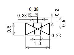
No.2103:逆止弁
| 機能コード | 反転シンボルNo. | MNC | スケールデフォルト値 |
|---|---|---|---|
| 2103 | 2153 | CHEC | P1: [ 6 ] mm |
No.2104:ニードル弁
| 機能コード | 反転シンボルNo. | MNC | スケールデフォルト値 |
|---|---|---|---|
| 2104 | NEED | P1: [ 6 ] mm |
No.2105:ボール弁
| 機能コード | 反転シンボルNo. | MNC | スケールデフォルト値 |
|---|---|---|---|
| 2105 | BALL | P1: [ 6 ] mm |
No.2106:ダイヤフラム弁
| 機能コード | 反転シンボルNo. | MNC | スケールデフォルト値 |
|---|---|---|---|
| 2106 | DIAP | P1: [ 6 ] mm |
No.2107:ベロー弁
| 機能コード | 反転シンボルNo. | MNC | スケールデフォルト値 |
|---|---|---|---|
| 2107 | BELL | P1: [ 6 ] mm |
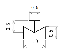
No.2108:バタフライ弁
| 機能コード | 反転シンボルNo. | MNC | スケールデフォルト値 |
|---|---|---|---|
| 2108 | 2158 | BUTT | P1: [ 3 ] mm |
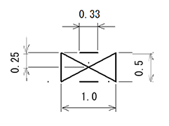
No.2109:Y形弁
| 機能コード | 反転シンボルNo. | MNC | スケールデフォルト値 |
|---|---|---|---|
| 2109 | 2159 | Y.TY | P1: [ 6 ] mm |
No.2110:ピストン弁
| 機能コード | 反転シンボルNo. | MNC | スケールデフォルト値 |
|---|---|---|---|
| 2110 | PIST | P1: [ 6 ] mm |
No.2111:真空弁
| 機能コード | 反転シンボルNo. | MNC | スケールデフォルト値 |
|---|---|---|---|
| 2111 | VACU | P1: [ 6 ] mm |
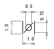
No.2112:コック
| 機能コード | 反転シンボルNo. | MNC | スケールデフォルト値 |
|---|---|---|---|
| 2112 | 2162 | COCK | P1: [ 6 ] mm |
No.2113:ピンチ弁
| 機能コード | 反転シンボルNo. | MNC | スケールデフォルト値 |
|---|---|---|---|
| 2113 | PINC | P1: [ 6 ] mm |
No.2114:ディスク弁
| 機能コード | 反転シンボルNo. | MNC | スケールデフォルト値 |
|---|---|---|---|
| 2114 | DISK | P1: [ 6 ] mm |
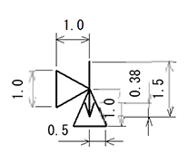
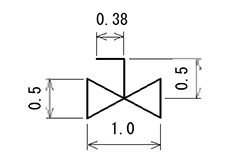
No.2115:L形逆止弁
| 機能コード | 反転シンボルNo. | MNC | スケールデフォルト値 |
|---|---|---|---|
| 2115 | 2165 | L.CH | P1: [ 3 ] mm |
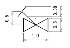
No.2116:L形玉形弁
| 機能コード | 反転シンボルNo. | MNC | スケールデフォルト値 |
|---|---|---|---|
| 2116 | 2166 | L.GL | P1: [ 3 ] mm |
No.2117:L形ニードル弁
| 機能コード | 反転シンボルNo. | MNC | スケールデフォルト値 |
|---|---|---|---|
| 2117 | 2167 | L.NE | P1: [ 6 ] mm |
No.2118:真空仕切弁
| 機能コード | 反転シンボルNo. | MNC | スケールデフォルト値 |
|---|---|---|---|
| 2118 | V.GA | P1: [ 6 ] mm |
No.2119:プラグ弁
| 機能コード | 反転シンボルNo. | MNC | スケールデフォルト値 |
|---|---|---|---|
| 2119 | 2169 | PLUG | P1: [ 6 ] mm |
No.2120:止逆止弁
| 機能コード | 反転シンボルNo. | MNC | スケールデフォルト値 |
|---|---|---|---|
| 2120 | S.CH |
No.2153:逆止弁
| 機能コード | 反転シンボルNo. | MNC | スケールデフォルト値 |
|---|---|---|---|
| 2103 | CHEC | P1: [ 6 ] mm |
No.2158:バタフライ弁
| 機能コード | 反転シンボルNo. | MNC | スケールデフォルト値 |
|---|---|---|---|
| 2108 | BUTT | P1: [ 3 ] mm |
No.2159:Y形弁
| 機能コード | 反転シンボルNo. | MNC | スケールデフォルト値 |
|---|---|---|---|
| 2109 | Y.TY | P1: [ 6 ] mm |
No.2162:コック弁
| 機能コード | 反転シンボルNo. | MNC | スケールデフォルト値 |
|---|---|---|---|
| 2112 | COCK | P1: [ 6 ] mm |
No.2165:L形逆止弁
| 機能コード | 反転シンボルNo. | MNC | スケールデフォルト値 |
|---|---|---|---|
| 2115 | L.CH | P1: [ 3 ] mm |
No.2166:L形玉形弁
| 機能コード | 反転シンボルNo. | MNC | スケールデフォルト値 |
|---|---|---|---|
| 2116 | L.GL | P1: [ 3 ] mm |
No.2167:L形ニードル弁
| 機能コード | 反転シンボルNo. | MNC | スケールデフォルト値 |
|---|---|---|---|
| 2117 | L.NE | P1: [ 6 ] mm |
No.2168:真空仕切弁
| 機能コード | 反転シンボルNo. | MNC | スケールデフォルト値 |
|---|---|---|---|
No.2169:プラグ弁
| 機能コード | 反転シンボルNo. | MNC | スケールデフォルト値 |
|---|---|---|---|
| 2119 | PLUG | P1: [ 6 ] mm |
No.2180:逆止弁
| 機能コード | 反転シンボルNo. | MNC | スケールデフォルト値 |
|---|---|---|---|
| 2103 | 2182 | CHEC | P1: [ 6 ] mm |
No.2181:ダイヤフラム弁
| 機能コード | 反転シンボルNo. | MNC | スケールデフォルト値 |
|---|---|---|---|
| 2106 | DIAP | P1: [ 6 ] mm |
No.2182:逆止弁
| 機能コード | 反転シンボルNo. | MNC | スケールデフォルト値 |
|---|---|---|---|
| 2103 | CHEC | P1: [ 6 ] mm |
